完善资料让更多小伙伴认识你,还能领取20积分哦, 立即完善>
电子发烧友论坛|
ADI公司的ADAU1373是低功耗立体声CODEC,集成了数字音频处理,支持立体声48kHz录音和播放,立体声ADC和DAC支持取样速率从8kHz到48kHz以及数字音量控制,带PGA的八个单端或四个差分输入提供增益从-12dB到+18dB.48kHz和1.8V录音功耗7mW,播放功耗6mW,主要用在手机,平板电脑,电子书,手持媒体播放器。本文介绍了ADAU1373主要特性,方框图, 立体声D类应用电路图以及ADAU1373评估板电路图,材料清单和PCB元件布局图。
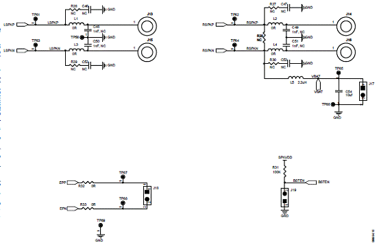
ADAU1373是一个低功耗集成数字音频处理,支持立体声48 kHz录音和播放。立体声音频编解码器(ADCs)和DAC支持采样率从8 kHz~48 kHz,具有数字音量控制。 该器件提供了8个单端,或4个差分模拟输入与PGA,可调整-12 dB~+18 dB的增益。并可以配置用于麦克风或线路电平信号。 支持两个数字立体声麦克风输入,总共可以连接4个数字麦克风。此外,还提供了三个串行数字音频输入/输出端口,并具有异步采样率转换器(ASRCs),以支持不同的采样率,使得手机应用系统设计更加灵活。在ADC之前(或配置成绕过ADC)可以混合,或选择输入。还包括两个立体声DAC,具有灵活的内部信号路由的混合选项。 图1 ADAU1373功能方框图 模拟输出端包括线路输出、耳机输出、扬声器输出和接收器输出。还包括两个单端立体声线路电平输出,可配置为两个差分输出。耳机输出为真实立体声,省去了耦合电容器,并具有高效G类,Class-G,(轨道开关)架构。高效的立体声,无滤波器,D类开关放大器提供了1W的立体声扬声器功率。差分接收器放大器可以用来连接独立的接收器扬声器。两个PLL模块,可锁定从8 kHz~27 MHz的输入。 DSP可以让系统设计师们对麦克风、扬声器、放大器和听音环境的现实限制进行补偿,通过均衡化、多频带压缩和限制算法,使得音频质量显着改善。用于快速开发自定义信号流的SigmaStudio图形开发工具,包括,音频处理模块,如滤波器、混频器、动态处理器和放大器,还可用于ADAU1373编程。 图1 ADAU1373功能方框图 ADAU1373主要特性 • 1个立体声ADC和2个立体声DAC,采样率从8kHz~48 kHz •低功耗:1.8 V时为,7 mW录音,6MW播放,48 kHz • 8个单端,或4路差分输入,PGA • 2个麦克风偏置参考电压,具有电流检测 • 2个立体声数字麦克风输入 •灵活的模拟输入/输出混频器 • 1个立体声差分,或2个立体声单端线路输出 •真正的地居中立体声G类耳机放大器,在1.8 V,10%THD时,能够实现2×50 MW ,16Ω •无滤波器立体声,D类扬声器放大器,在3.6 V,10%THD时,能够实现2×880 MW,8Ω,差分耳机放大器能够驱动32Ω • 2个锁相环支持从8 kHz~27 MHz的输入时钟 • I2C控制接口 •数字音频处理 • 3个数字音频输入和输出端口与ASRC • I2S,PCM的,右对齐,左对齐模式 • 4.05mm×3.82mm,81球,0.4 mm间距WLCSP封装 • -40℃~+85℃的工作温度范围 ADAU1373应用 •手机 •平板电脑 •电子书 •便携式媒体播放器 ADAU1373评估板 ADAU1373是一款低功耗的音频编解码器,支持立体声录制和播放。它提供了8个单端或四个差分模拟输入和PGA增益调整。它支持两个立体声数字麦克风输入,这样,总共可以连接4个数字麦克风。此外,它还提供了三个串行数字音频输入/输出端口和ASRCs,以支持不同的采样率,使其具有灵活的系统设计。 其模拟输出端包括线路输出、耳机输出、喇叭输出和一个接收器输出。具有两个立体声单端线路电平输出,可配置为两个差分输出。其耳机输出是立体声,真正的地中心,具有高效G类架构。其高效立体声免滤波器D类开关放大器,提供了约1 W的立体声扬声器功率。差分接收器放大器可以用来连接独立的接收器,扬声器。 图3 ADAU1373评估板电路图 ADAU1373评估板包括了ADAU1373完整的应用电路。该板具有USBI连接,连接到SigmaStudio图形开发工具,以运行PC主机,可用来编程ADAU1373。 用户指南包括了ADAU1373评估板的详细描述。建议同时阅读ADAU1373数据表和本用户指南。ADAU1373数据表包括了有关的全部细节,它提供了编解码器IC的更详细的信息规范、内部框图和应用指导。 The ADAU1373 is a low power, stereo audio codec with integrated digital audio processing that supports stereo 48 kHz record and playback. The stereo audio ADCs and DACs support sampling rates from 8 kHz to 48 kHz, as well as a digital volume control. Eight single-ended or four differential analog inputs with PGAs are provided for adjusting the gain from −12 dB to +18 dB. They can be configured for microphones or line level signals. Two stereo digital microphone inputs are supported; four digital microphones can be connected in total. In addition, three serial digital audio input/output ports are provided with asynchronous sample rate converters (ASRCs) to support various sampling rates, allowing for flexible system design in mobile phone applications. The inputs can be mixed and selected before the ADC or con-figured to bypass the ADC. Two stereo DACs are included, with a flexible mixing option for routing the signals internally. The analog output side consists of line outputs, headphone output, speaker output, and receiver output. Two stereo single-ended line level outputs, which can be configured as two differential outputs, are included. The headphone output is stereo true ground centered (eliminating the need for coupling capacitors), with efficient Class-G (rail switching) architecture. The efficient stereo filterless Class-D switching amplifier provides ~1 W of stereo power for speakers. The differential receiver amplifier can be used to connect the separate receiver speaker. Two PLL blocks, which can lock to the inputs from 8 kHz to 27 MHz, are included. The DSP allows system designers to compensate for the real-world limitations of microphones, speakers, amplifiers, and listening environments, resulting in a dramatic improvement in perceived audio quality through equalization, multiband compression, and limiting algorithms. The SigmaStudio™ graphical development tool, which includes audio processing blocks such as filters, mixers, dynamics processors, and amplifiers for fast development of custom signal flows, is used to program the ADAU1373. ADAU1373主要特性: 1 stereo ADC and 2 stereo DACs with sampling rates from 8 kHz to 48 kHz Low power: 7 mW record, 6 mW playback, 48 kHz at 1.8 V 8 single-ended or 4 differential inputs with PGA 2 microphone bias reference voltages with current sense 2 stereo digital microphone inputs Flexible analog input/output mixers 1 stereo differential or 2 stereo single-ended line outputs True ground-centered stereo Class-G headphone amplifier, capable of 2 × 50 mW into 16 Ω at 1.8 V, 10% THD Filterless stereo Class-D speaker amplifier, capable of 2 × 880 mW into 8 Ω at 3.6 V, 10% THD Differential earpiece amplifier capable of driving 32 Ω 2 PLLs, supporting input clocks from 8 kHz to 27 MHz I2C control interface Digital audio processing 3 digital audio input and output ports with ASRC I2S, PCM, right-justified, left-justified modes 4.05 mm × 3.82 mm, 81-ball, 0.4 mm pitch WLCSP package −40℃ to +85℃ operating temperature range ADAU1373应用: Mobile phones, tablet PCs, e-books, portable media players 图1. ADAU1373功能方框图 图2. ADAU1373典型立体声D类应用电路图 ADAU1373评估板 The ADAU1373 is a low power audio codec that supports stereo record and playback. It provides eight single-ended or four differential analog inputs with PGA for adjusting the gain. The support for two stereo digital microphone inputs is provided so that, in total, four digital microphones can be connected. In addition, three serial digital audio in/out ports are provided with ASRCs to support various sampling rates at the input/output ports, allowing flexible system design. The analog output side consists of line outputs, a headphone output, a speaker output, and a receiver output. The two stereo single-ended line level outputs are included, which can be configured as two differential outputs. The headphone output is stereo true-ground-centered with efficient Class-G architecture. The efficient stereo filterless Class-D switching amplifier pro-vides around 1 W stereo power for speakers. The differential receiver amplifier can be used to connect the separate receiver speaker. The ADAU1373 evaluation board includes the complete application circuit for the ADAU1373. The board is featured with USBi connection to the SigmaStudio™ graphical develop-ment tool running on a host PC, which is used to program the ADAU1373. Included in this user guide is a detailed description for the ADAU1373 evaluation board. It is recommended that the ADAU1373 data sheet be read along with this user guide. Full details about the part are available in the ADAU1373 data sheet, which provides more detailed information about the specifica-tions, internal block diagrams, and application guidance for the codec IC. 图3. ADAU1373评估板电路图(1) 图4. ADAU1373评估板电路图(2) 图5. ADAU1373评估板电路图(3) 图6. ADAU1373评估板电路图(4) 图7. ADAU1373评估板电路图(5) 图8. ADAU1373评估板电路图(6) 图9. ADAU1373评估板电路图(7) 图10. ADAU1373评估板电路图(8) 图11. ADAU1373评估板电路图(9) ADAU1373评估板材料清单: 图12. ADAU1373评估板电源部分 图13. ADAU1373评估板数字音频接口和风细雨数字麦克风接口部分。 |
|
|
|
|
只有小组成员才能发言,加入小组>>
1056 浏览 1 评论
1875 浏览 0 评论
1856 浏览 1 评论
3279 浏览 5 评论
3609 浏览 9 评论
1057浏览 1评论
1879浏览 1评论
如何知道嵌入式电子控制单元 (ECU) 中的RAM使用情况?
1385浏览 1评论
1877浏览 0评论
1200浏览 0评论
/9
小黑屋| 手机版| Archiver| 电子发烧友 ( 湘ICP备2023018690号 )
GMT+8, 2025-12-9 22:10 , Processed in 0.544727 second(s), Total 46, Slave 36 queries .
Powered by 电子发烧友网
© 2015 bbs.elecfans.com
关注我们的微信
下载发烧友APP
电子发烧友观察
版权所有 © 湖南华秋数字科技有限公司
电子发烧友 (电路图) 湘公网安备 43011202000918 号 电信与信息服务业务经营许可证:合字B2-20210191

淘帖
1410