ARM技术论坛
直播中

Tronlong创龙科技

5年用户 757经验值
擅长:MEMS/传感技术 嵌入式技术 存储技术 EDA/IC设计 处理器/DSP
私信 关注
[资料]

全志A40i+Logos FPGA开发板(4核ARM Cortex-A7)硬件说明书(下)

前 言
本文档主要介绍板卡硬件接口资源以及设计注意事项等内容,测试板卡为创龙科技旗下的全志A40i+Logos FPGA开发板
核心板的ARM端和FPGA端的IO电平标准一般为3.3V,上拉电源一般不超过3.3V,当外接信号电平与IO电平不匹配时,中间需增加电平转换芯片或信号隔离芯片。按键或接口需考虑ESD设计,ESD器件选型时需注意结电容是否偏大,否则可能会影响到信号通信
核心板CPU、ROM、RAM、电源、晶振等所有器件均采用国产工业级方案,国产化率100%。同时,评估底板大部分元器件亦采用国产工业级方案。

图 1 评估板硬件资源图解1


图 2 评估板硬件资源图解2
MIPI LCD接口
CON13为MIPI LCD接口,采用40pin FFC连接器,间距0.5mm。
J7为MIPI LCD的电容触摸接口CAP TS,采用6pin FFC连接器,间距0.5mm。

图 42


图 43
设计注意事项:
(1)若CAP TS(J7)的nINT引脚需分配使用其他IO,请使用引脚信号名称包含EINTx字段(支持中断功能)的IO引脚。
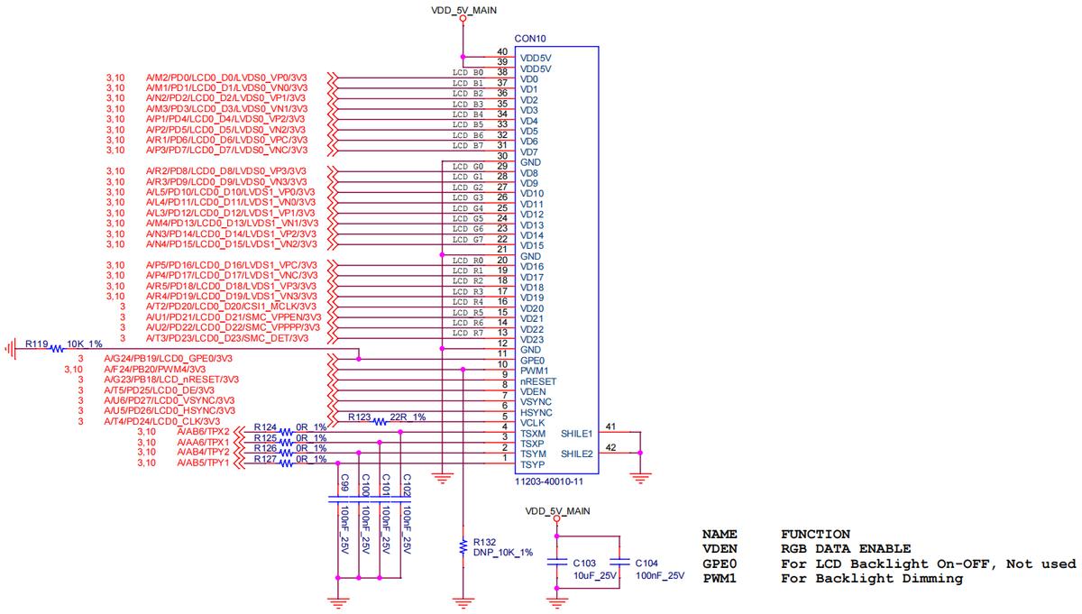
TFT LCD接口
CON10为TFT LCD接口,采用40pin FFC连接器,间距0.5mm。

图 44


图 45
设计注意事项:
  • TFT LCD接口使用的LCD0信号与LVDS0、LVDS1信号为复用关系,如下图所示。

图 46
通过A/F24/PB20/PWM4/3V3引脚输出PWM控制LCD背光,外部预留下拉10K电阻到地。
TFT LCD接口、LVDS LCD接口已同时连接TPX1、TPX2、TPY1、TPY2四线电阻触摸信号,请勿同时连接两种显示设备。
LVDS LCD接口
CON11为双路8bit LVDS LCD接口,采用2x 15pin双排针,间距2.0mm,包含LVDS信号及供电电源。CON12为背光控制接口,采用6pin白色端子座,间距2.54mm。J6为电阻触摸屏接口,采用4pin排针,间距2.54mm。

图 47


图 48
设计注意事项:
  • LVDS0、LVDS1信号与LCD0信号为复用关系。
  • LVDS LCD接口、TFT LCD接口同时连接了TPX1、TPX2、TPY1、TPY2四线电阻触摸信号,请勿同时连接两种显示设备。
HDMI OUT接口
CON9为HDMI OUT视频输出接口,采用标准19pin HDMI座。
图 49
设计注意事项:
  • HDMI座子的HPLG信号需下拉38.3K电阻到地,当外部设备接入时,会将此信号拉高。
  • A/V9/HDMI_HSCL/3V3和A/W9/HDMI_HSDA/3V3的IO电平为3.3V,需转换为5V电平再引出至HDMI座。
CVBS OUT接口
J9为CVBS OUT接口,由TVOUT3引出,采用RCA莲花座。


图 52
TVIN接口
J8为TVIN接口,由TVIN0、TVIN1、TVIN2、TVIN3引出,采用6pin 2.54mm白色端子形式。
图 53

图 54
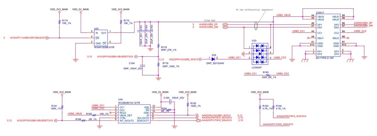
USB接口
CON16(USB1 HOST)为USB2.0 HOST接口,采用双层Type-A型连接器;CON17(USB0 OTG)为USB2.0 OTG接口,采用Type-C连接器。
USB1 HOST接口
评估底板通过USB HUB芯片将USB1总线拓展为4路USB HOST总线,将其中2路引出至USB1 HOST接口。
图 55

图 56
USB0 OTG接口
USB0 OTG接口直接由USB0总线引出。
图 57

图 58
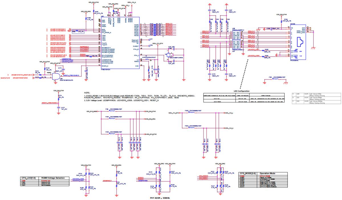
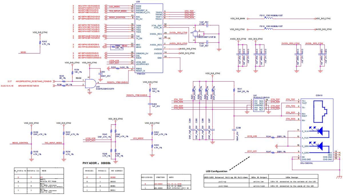
Ethernet接口
评估板包含1个ETH0 RGMII千兆网口、1个ETH1 MII百兆网口和1个ETH2 USB百兆网口。
ETH0 RGMII千兆网口
CON18为ETH0 RGMII千兆网口,RJ45连接器已内置隔离变压器。
备注:A40i处理器内部集成1个GMAC控制器,支持1路RGMII千兆网口。
图 59

图 60
设计注意事项:
  • VDDL_1V2_ETH电源为YT8521SH-CA内部输出,请勿用于其它负载供电。
  • XTAL_I、XTAL_O引脚接入25MHz无源晶振。如需使用25MHz有源晶振,可从XTAL_I引脚接入,XTAL_O引脚悬空处理。
  • YT8521SH-CA芯片要求在供电稳定后,保持10ms后再拉高复位信号。请参考评估底板的复位电路方案,使用IO控制网口复位。
  • YT8521SH-CA芯片管脚LED0/PHYAD0、LED1/CFG_LDO0、LED2/CFG_LDO1、RESET_N的信号电平皆为3.3V,上拉配置时,请上拉到3.3V;其他信号管脚上拉配置时,请上拉到DVDD_RGMII(1.8V/2.5V/3.3V)电源。
图 61
ETH1 MII百兆网口
CON19为ETH1 MII百兆网口,采用RJ45连接器,已内置隔离变压器。
备注:A40i处理器内部集成1个EMAC控制器,支持1路MII百兆网口。
图 62

图 63
设计注意事项:
  • XTAL_IN、XTAL_OUT引脚接入25MHz无源晶振。如需使用25MHz有源晶振,可从XTAL_IN引脚接入,XTAL_OUT引脚悬空处理。
  • YT8512H芯片要求在供电稳定后,保持10ms后再拉高复位信号。请参考评估底板的复位电路方案,使用IO控制网口复位。
ETH2 USB百兆网口
CON20为ETH2 USB百兆网口,采用RJ45连接器,已内置隔离变压器。
图 64

图 65
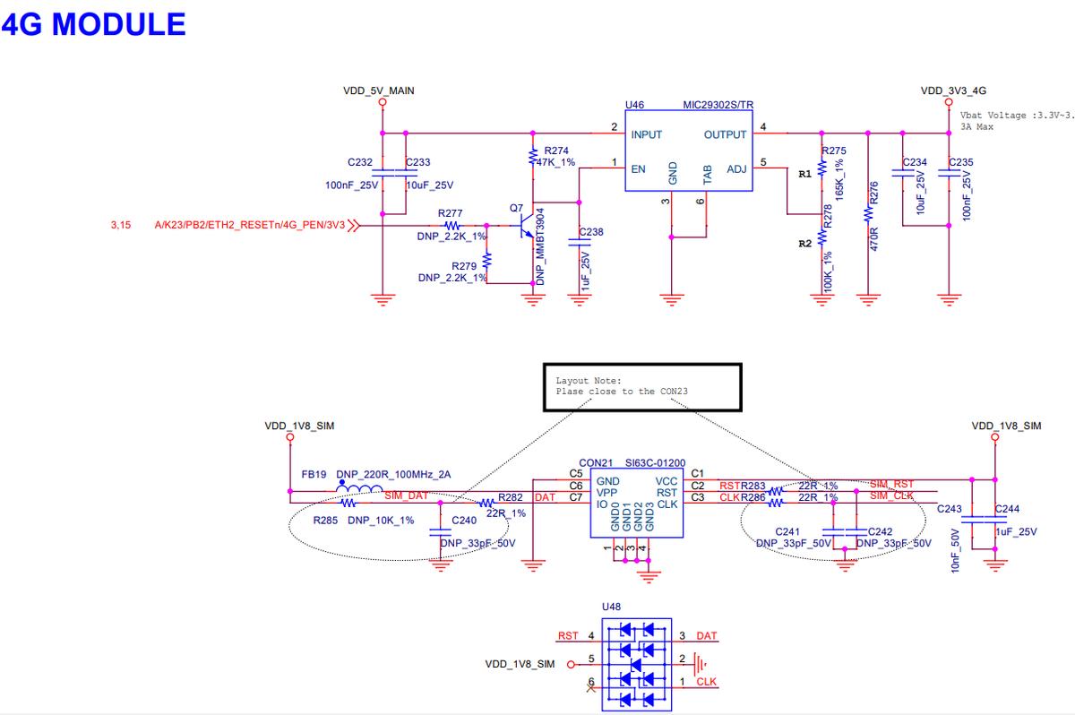
4G模块拓展接口
CON23为4G模块拓展接口,采用Mini PCIe插槽。评估底板通过USB HUB芯片将USB1总线拓展为4路USB HOST总线,其中引出一路进行4G模块拓展。
图 66
CON21为Micro SIM卡座,采用插卡自弹形式,不带检测引脚。
图 67

图 68

图 69
设计注意事项:
  • 为保证4G模块有稳定的电源供应,其3.3V电源需由MIC29302S/TR(U46)独立供电,至少提供2A电流输出。如要替换其他电源,建议使用LDO,详细请参考4G模块数据手册要求。
  • 如需控制4G模块供电,可贴上R277、R279电阻和Q7三极管,通过GPIO来控制4G模块电源使能状态。
WIFI模块
评估底板通过USB HUB芯片将USB1总线拓展为4路USB HOST总线,其中引出一路进行WIFI模块拓展。板载WIFI模块(U49)型号为:必联BL-R8188EU2,采用邮票孔连接方式。
备注:WIFI模块芯片生产商为台系厂家。
CON22为SMA接口,用于外接WIFI模块的2.4G天线。
图 70

图 71
蓝牙模块
U47为板载蓝牙模块,通过UART2进行蓝牙模块拓展。型号为:亿佰特E104-BT5011A,采用邮票孔连接方式。模块自带PCB板载天线,无需外接天线。
备注:蓝牙模块芯片生产商为挪威厂家。
图 72

图 73
SATA接口
J4为标准7pin SATA硬盘接口。
图 74

图 75
设计注意事项:
  • SATA_ESTXP/M和SATA_ESRXP/M线路需靠近J4放置10nF的AC耦合电容。
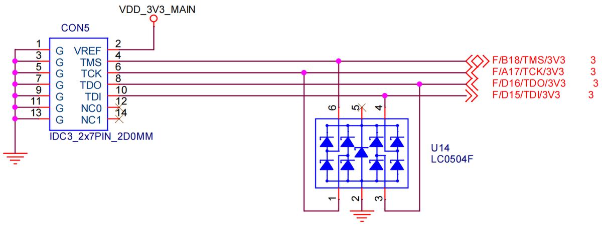
FPGA JTAG接口
CON5为FPGA JTAG仿真调试接口,采用14pin简易牛角座连接器,间距2.0mm,可适配创龙科技的TL-PGMCable下载器。
图 76

图 77

SDIO接口
SDIO总线在核心板已用作ARM端与FPGA端的通信,在底板上不作为外设。
图 78
ARM端拓展IO信号接口
J10为ARM ExPORT0接口,采用2x 10pin排母,间距2.54mm,引出SYS_RESETn、AP-NMIn、Audio Codec、GPIO等拓展信号。
图 79

图 80
FPGA端拓展IO信号接口
J11为FPGA ExPORT1接口,采用2x 12pin排母,间距2.54mm,引出FPGA端的IO拓展信号。
图 81

图 82
CON24和CON25为3x 16pin欧式端子公座,间距2.54mm,引出FPGA端的IO拓展信号。
图 83

图 84

图 85


更多回帖

发帖
×
20
完善资料,
赚取积分