有幸入选 RA 生态工作室发起的 RA-Eco-RA6E2 开发板试用活动,今天终于收到了这份期待已久的快递!拆开包裹的瞬间,就被这份 “简约而不失质感” 的包装打动 —— 没有多余的花哨设计,却凭着沉稳利落的风格透着专业感,恰好契合开发板的实用定位。
此次拿到的开发板型号为 RA-Eco-RA6E2-64PIN-V1.0,核心配置十分亮眼:主控芯片采用 R7FA6E2BB3CFM,基于 Arm® Cortex®-M33 内核架构打造,主频可达 200MHz,还集成了 TrustZone® 安全技术,是 RA6 系列最新推出的入门级微控制器。这款 MCU 最突出的优势在于 “成本与性能的平衡”:在严格控制成本的同时,能提供媲美中高端型号的运行效率,更关键的是与 RA4E2 系列的引脚、外设完全兼容,对于需要小尺寸、低引脚数且追求高性能的场景(如物联网终端、便携控制设备等),堪称理想之选。
板载资源的实用性也拉满:配备 1 个复位按键 + 1 个用户按键,满足快速调试与功能触发需求;2 个 LED 指示灯可直观反馈设备运行状态;2 个 PMOD 接口为扩展传感器、通信模块等外设预留了灵活空间;板载 USB 转 TTL 模块堪称 “刚需配置”,既能实现串口数据交互,又能直接用于程序烧录,省去额外搭配转接器的麻烦;同时预留的 SWD 接口,进一步简化了调试与下载流程。最贴心的是,开发板所有引脚均通过 2.54mm 双排针完整引出,为二次开发、自定义电路扩展提供了充足的自由度,无论是新手入门还是资深开发者做项目原型验证,都能轻松适配。
首先拆开包装查看:

纸盒下面是静电防护袋子和二维码,下面我们进一步开箱

打开袋子后就可以看到我们的开发板子了
先看左侧拆出的开发板:蓝色 PCB 基板做工规整,元件布局紧凑且走线清晰,板载的双 USB 接口对应其集成的 USB 转 TTL 模块,红色按键为复位键,搭配旁边的用户按键,基础控制功能直接到位;整排 2.54mm 双排针将所有引脚完整引出,后续扩展传感器、外设的兼容性不用额外操心。
右侧这枚防静电包装袋是开发板的标准防护,袋面标签的信息给得很扎实:明确标注型号为 RA-Eco-RA6E2-64PIN-V1.0,同时附上了官方微信号、公众号、视频号的二维码,连资料下载地址与 Gitee 仓库链接都直接印在上面 —— 这种 “开箱即得开发资源” 的配置,能省不少后续找资料的时间。
接下来我会基于它的 Cortex-M33 内核,完成开发环境搭建与基础外设功能测试,实测数据会同步更新。
下面给出一个开发板的特写

下面详细讲解电路结构:RA-Eco-RA6E2 开发板的 电源(POWER)、串口通信(UART)及 USB 接口电路 ,整体设计兼顾了稳定性、实用性与扩展性,我们分模块沉稳梳理:
一、POWER/UART 模块
该模块整合了电源供电与串口通信功能,是开发板的基础支撑电路:
- 电源子电路输入为 5V 电压,经二极管 D1 实现防反接保护;电容 C1、C2 对输入电压做初步滤波后,送入 U5(LDO 稳压器)将 5V 转换为 3.3V 核心工作电压;后续 C3、C4 再次滤波,进一步抑制电源噪声,保障 MCU 及外设的稳定供电。同时通过 R1 限流的 POWER1 指示灯,可直观反馈开发板的供电状态,便于快速排查电源故障。
- UART 通信子电路核心器件 U6 为 USB 转 TTL 芯片,负责实现 USB 与 MCU 串口的电平转换:其 TX、RX 引脚直接连接 MCU 的对应接口,同时搭配 P2、P3 限流的 TX、RX 指示灯,能实时显示串口数据收发状态,降低调试成本。电路还引出了 UART2 接口(P109、P110),为外接其他串口设备(如传感器、模块)预留了扩展通道,兼顾了板载调试与外部通信需求。
二、USB 模块
该部分是开发板的 USB 接口扩展与信号保障电路:
- 接口防护与信号处理
USB 接口端配置了 ESD 防护器件(如 D3),可抵御静电冲击;信号线上的 R6、R7(33Ω)为阻抗匹配电阻,配合 C21、C22 滤波电容,能提升 USB 通信的信号完整性,减少传输干扰。
- 安全与检测设计
串联的 D2(500mA 限流器件)可防止 USB 端口过流损坏;后续 R8、R9、C23 组成的分压电路,则用于 USB 相关的电压检测,保障接口工作的合规性。
整体来看,这套电路的设计逻辑清晰:电源部分以 “防反接 + 多级滤波” 保障稳定性,UART 部分兼顾 “可视化调试 + 扩展接口”,USB 部分以 “防护 + 信号优化” 提升可靠性,完全匹配入门级开发板的实用定位。

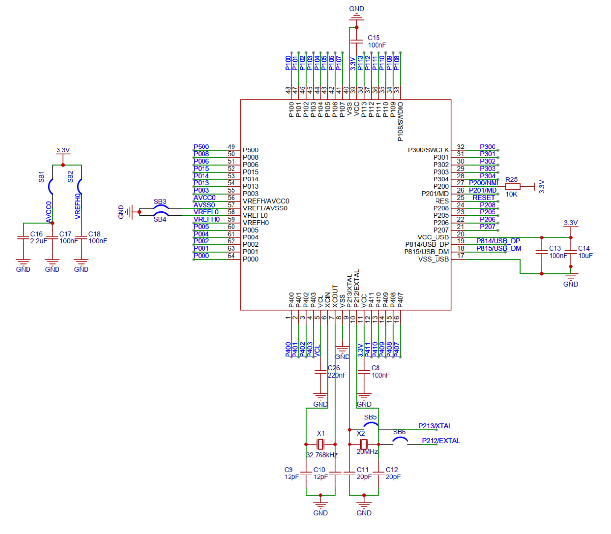
三、电源与基准电路
MCU 的模拟电源(AVCC0)及基准电压(VREFH0/VREFL0)部分,搭配了 C16(2.2μF)、C17/C18(100nF)滤波电容,通过 SB1、SB2 跳线选择供电路径,可保障模拟电源与基准电压的低噪声稳定输出;SB3、SB4 为 VREFH0/VREFL0 的接地跳线,能适配不同场景下的基准电压配置需求,提升电路的灵活性。
四、时钟电路
底部集成了两套晶振电路,覆盖 MCU 的不同时钟需求:
- 低速时钟 :X1 为 32.768kHz 晶振,配合 C9、C10(12pF),是 MCU 实时时钟(RTC)、低功耗模式的时钟源;
- 高速时钟 :X2 为 20MHz 晶振,搭配 C11、C12(20pF),是 MCU 核心运行的主时钟源之一;
SB5、SB6 为晶振的使能跳线,可根据开发需求灵活切换时钟配置。
五、引脚扩展与功能接口
MCU 的 64 个引脚(如 P000-P500 等)通过排针完整引出,覆盖通用 IO、通信接口(如 P814/P815 对应 USB DP/DM 引脚)等功能;C13、C14 是 USB 接口的滤波电容,用于优化 USB 信号完整性;R25(10K)为 RESET 引脚的上拉电阻,保障复位电路的可靠触发。
六、调试与辅助电路
右侧的 P108(SWDIO)、P300(SWCLK)对应 SWD 调试接口引脚,配合开发板板载的 SWD 接口,可实现程序下载与在线调试,降低开发调试成本。
整体来看,这套电路以 MCU 为核心,实现了 “电源稳定、时钟灵活、引脚全扩展、调试便捷” 的设计目标,为后续功能开发(如外设驱动、通信测试)提供了扎实的硬件基础
