完善资料让更多小伙伴认识你,还能领取20积分哦, 立即完善>
|
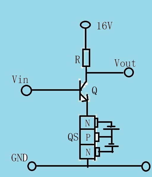
电压选择晶体管应用电路第二期 |
|
相关推荐 |
|
你正在撰写讨论
如果你是对讨论或其他讨论精选点评或询问,请使用“评论”功能。
5V供电情况下JFET前级放大电路怎么实现,JFET能不能先将信号放大到2-3mv,然后在用单运放进行1000倍左右放大?
1850 浏览 0 评论
1181 浏览 0 评论
USB Type-C的双角色端口(DRP)我这样设计可以吗?
738 浏览 0 评论
1878 浏览 0 评论
1811 浏览 0 评论
/9
小黑屋| 手机版| Archiver| 电子发烧友 ( 湘ICP备2023018690号 )
GMT+8, 2025-12-1 11:01 , Processed in 0.479322 second(s), Total 35, Slave 28 queries .
Powered by 电子发烧友网
© 2015 bbs.elecfans.com
关注我们的微信
下载发烧友APP
电子发烧友观察
版权所有 © 湖南华秋数字科技有限公司
电子发烧友 (电路图) 湘公网安备 43011202000918 号 电信与信息服务业务经营许可证:合字B2-20210191

淘帖
1013