【六岳微LY-F335开发板试用体验】介绍、环境搭建、工程测试
介绍
六岳微 LY-F335 开发板采用 32 位自主内核设计,主频 150MHz,集成了大量外设部件,具有高性能、低功耗和高可靠性的特点。应用于电机控制、光伏逆变、数字电源等领域。
外观
top view

bottom view

动态展示见顶部视频。
板载资源

- 存储系统:512KB片上Flash、64KB片上SRAM、最大支持2MB存储拓展;
- 通信接口:I2C、SPI、SCI(UART)、McBSP、eCAN;
- 高性能外设:150ps精度的HRPWM、12位高性能ADC;
- 一个复位按键,四个用户按键;
- 板载micro-B接口和JTAG仿真接口。
主控
主控 MCU 采用 芯弘道 XHDF28335 微处理器。
XHDF28335
XHDF28335 是一款全自主正向设计的高性能浮点DSP芯片,采用32位自主内核设计,主频为150MHz,内部集成了丰富的外设资源,支持多种通信协议,具有 高性能、低功耗和高可靠性的特点。
广泛应用于变频器、电机控制、光伏逆变、数字电源等领域。
特点
- 32位自主内核,主频高达150MHz
- 内置FPU,支持单精度浮点计算
- 丰富的串行通信外设
- 多种增强型控制外设
- 大容量存储空间
- 支持多种低功耗模式
- 支持在线调试和程序下载

系统框图

详见:芯弘道 | XHDF28335 .
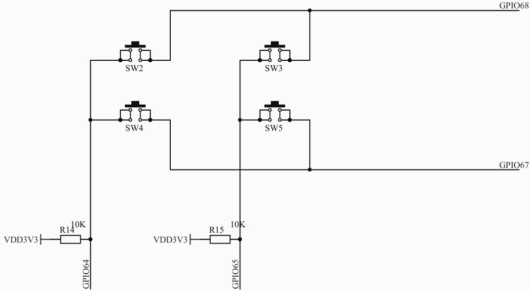
原理图
包括 MCU、供电、GPIO、外设、ADC等。
最小系统

电源

ADC

GPIO

矩阵键盘

LED

环境搭建
-
进入产品资料链接目录 LY-F335/软件开发资源 ,下载 SDK 压缩包;
-
下载 C2000Ware_3_04_00_00_setup.exe 并安装 C2000Ware 软件;
-
下载 ti_cgt_c2000_6.4.2_windows_installer.exe 并安装 C2000 Code Generation Tools;
-
下载并安装 CCSTUDIO IDE .

详细安装步骤见压缩包内教程。
工程测试
导入工程
-
File - Import Project ,选择 C2000 安装例程 F:\ti\c2000\C2000Ware_3_04_00_00\device_support\f2833x\examples\gpio_toggle 文件夹;
-
File - 首选项 - Code Composer Studio Settings - General - Products,添加 C2000Ware 安装文件夹路径;

构建工程
右键工程 - Build Project

终端打印 构建完成,生成 *.out 文件
Finished building target: "Example_2833xGpioToggle.out"
调试程序
双击打开左侧 Demo 目录文件 Example_2833xGpioToggle.c
#include "DSP28x_Project.h"
#define EXAMPLE1 1
#define EXAMPLE2 0
#define EXAMPLE3 0
void delay_loop(void);
void Gpio_select(void);
void Gpio_example1(void);
void Gpio_example2(void);
void Gpio_example3(void);
void main(void)
{
InitSysCtrl();
Gpio_select();
DINT;
InitPieCtrl();
IER = 0x0000;
IFR = 0x0000;
InitPieVectTable();
#if EXAMPLE1
Gpio_example1();
#endif
#if EXAMPLE2
Gpio_example2();
#endif
#if EXAMPLE3
Gpio_example3();
#endif
}
void
delay_loop()
{
volatile long i;
for (i = 0; i < 1000000; i++)
{
}
}
void
Gpio_example1(void)
{
for(;;)
{
GpioDataRegs.GPADAT.all =0xAAAAAAAA;
GpioDataRegs.GPBDAT.all =0x0000000A;
delay_loop();
GpioDataRegs.GPADAT.all =0x55555555;
GpioDataRegs.GPBDAT.all =0x00000005;
delay_loop();
}
}
void
Gpio_example2(void)
{
for(;;)
{
GpioDataRegs.GPASET.all =0xAAAAAAAA;
GpioDataRegs.GPACLEAR.all =0x55555555;
GpioDataRegs.GPBSET.all =0x0000000A;
GpioDataRegs.GPBCLEAR.all =0x00000005;
delay_loop();
GpioDataRegs.GPACLEAR.all =0xAAAAAAAA;
GpioDataRegs.GPASET.all =0x55555555;
GpioDataRegs.GPBCLEAR.all =0x0000000A;
GpioDataRegs.GPBSET.all =0x00000005;
delay_loop();
}
}
void
Gpio_example3(void)
{
GpioDataRegs.GPASET.all =0xAAAAAAAA;
GpioDataRegs.GPACLEAR.all =0x55555555;
GpioDataRegs.GPBSET.all =0x0000000A;
GpioDataRegs.GPBCLEAR.all =0x00000005;
for(;;)
{
GpioDataRegs.GPATOGGLE.all =0xFFFFFFFF;
GpioDataRegs.GPBTOGGLE.all =0x0000000F;
delay_loop();
}
}
void
Gpio_select(void)
{
EALLOW;
GpioCtrlRegs.GPAMUX1.all = 0x00000000;
GpioCtrlRegs.GPAMUX2.all = 0x00000000;
GpioCtrlRegs.GPAMUX1.all = 0x00000000;
GpioCtrlRegs.GPADIR.all = 0xFFFFFFFF;
GpioCtrlRegs.GPBDIR.all = 0x0000000F;
EDIS;
}
- 根据目标测试 GPIO 对代码进行修改;
- 重新构建工程;
- 右键项目 - Debug Project
效果演示

开发资料详见:https://pan.baidu.com/s/1uPuXAdNs4sTFKA5g7uDr4w?pwd=6DSP
总结
本文介绍了六岳微 LY-F335 开发板的相关信息,包括开发板资源、参数特点、主控性能、原理图等,介绍了开发环境搭建的流程以及工程测试方案,为后续开发做好铺垫,也为相关产品的开发设计和应用提供了参考。