Maxim公司的71M6541D / 71M6541F / 71M6541G / 71M6542F / 71M6542G是Teridian™第四代单相电表SoC,集成了5MHz 8051兼容的MPU核,带数字温度补偿的低电阻RTC,闪存和LCD驱动器。转换技术采用22位Delta-Sigma ADC,三/四个模拟输入,数字温度补偿,精密基准电压,以及支持多种测量应用的32位计算引擎(CE),外接元件非常少.2000:1电流范围的精度为0.1%,超过IEC 62053 / ANSI C12.20标准,替代差分模式的两个电报挂号流传感器输入。本文介绍了71M6541F主要特性,功能布局图,与本地传感器和71M6x01隔离传感器的连接图以及演示板DB6541 REV2.0特性,和调试板基本连接图,电路图,材料清单和PCB布局图。
71M6541D / 71M6541F / 71M6541G / 71M6542F / 71M6542G是Teridian™第4代单相计量SoC,具有兼容5MHz 8051的MPU内核,具有数字温度补偿的低功耗RTC,闪存和LCD驱动器。我们的Single ConverterTechnology®具有22位delta-sigma ADC,三个或四个模拟输入,数字温度补偿,精密电压基准和32位计算引擎(CE),可在很少的外部设备的情况下支持各种计量应用组件。
71M6541 / 2器件支持Teridian 71M6x01系列隔离传感器的可选接口,从而降低了BOM成本,抗磁篡改并增强了可靠性。其他功能包括SPI接口,高级电源管理,活动模式和电池模式下的超低功耗操作,3 / 5KB共享RAM和32/64 / 128KB闪存,可在现场使用代码和/或数据进行编程在电表操作期间,每个SEG驱动器引脚最多可以驱动六个LCD段。较高的处理和采样率与差分输入相结合,为住宅电表提供了强大的电表平台。
完整的代码开发工具,演示代码和参考设计可实现满足全球所有ANSI和IEC电表标准的电表的快速开发和认证。
71M6541F主要特性:
•2000:1电流范围内的精度为0.1%
•超出IEC 62053 / ANSI C12.20标准
•两个电流传感器输入具有可选的差分模式
•一个电流输入的可选增益为1或8,以支持分流
•高具有可编程宽度的速度Wh / VARh脉冲输出
•32KB闪存,3KB RAM(71M6541D)
•64KB闪存,5KB RAM(71M6541F / 42F)
•128KB闪存,5KB RAM(71M6541G / 42G)
•多达四个具有脉冲计数的脉冲输出
•四象限计量
•数字温度补偿:
-计量补偿
-TOU功能的准确RTC,在所有功率模式下均具有针对晶体的自动温度补偿
•独立的32位计算引擎
•具有相同校准的46-64Hz线路频率范围
•相位补偿(?10?)
•三种电池备份模式:
-掉电模式(BRN)
-LCD模式(LCD)
-睡眠模式(SLP)
•引脚事件和唤醒定时器唤醒
•睡眠模式下为1μA
•闪存安全性
•系统内程序更新
•8位MPU(80515),高达5 MIPS
•掉电模式下的全速MPU时钟
•LCD驱动器:
-多达6个Commons /多达56个引脚
•带DAC的 5V LCD驱动器
•多达51个多功能DIO引脚
•硬件看门狗定时器(WDT)
•I2C /MICROWIRE®EEPROM接口
•具有闪存程序功能的SPI接口
•两个用于UART和IR的UART
•具有调制功能的IR LED驱动器
•工业温度范围
•64引脚(71M6541D / F / G)和100引脚(71M6542F / G)无铅LQFP封装

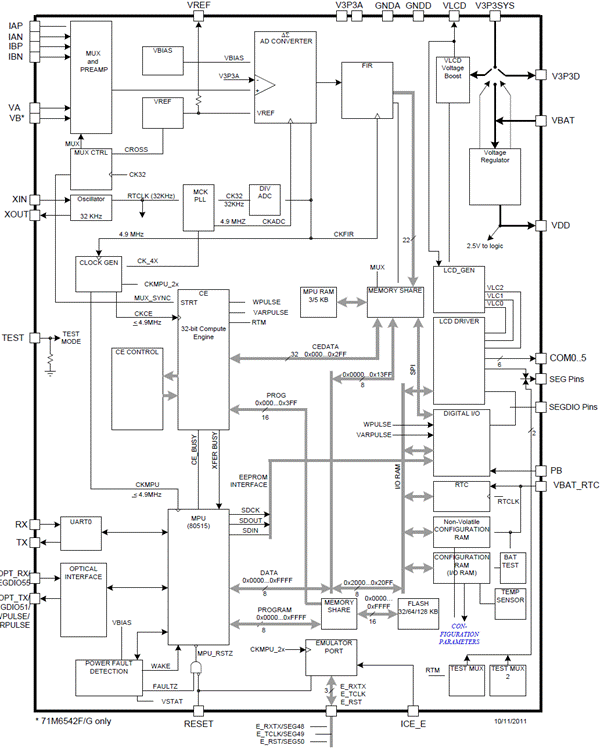
图1.71M6541F功能设置

图2.71M6541D / F / G和本地传感器连接图

图3.71M6541D / F / G和71M6x01隔离传感器连接图
71M6541F演示板DB6541 REV2.0
Teridian Semiconductor Corporation(TSC)DB6541 REV2.0演示板是一个演示板,用于评估71M6541F与单相电子功率计量应用结合远程传感器接口的器件。它包含一个71M6541F集成电路,一个71M6101远程接口IC,外围电路(例如串行EEPROM,仿真器端口和板载电源),以及一个随附的调试板,该调试板允许通过RS-232端口连接到PC。 。演示板允许评估71M6541F电表芯片的测量精度和整个系统的使用。
该评估板已通过71M6541F IC的FLASH存储器中的演示程序(演示代码)进行了预编程。开发此嵌入式应用程序是为了执行所有低级功能调用,以直接管理外围设备,闪存编程和CPU(时钟,时序,节能等)。
演示板上的71M6541F IC已针对板上附带的50μΩ或120μΩ分流器进行了预编程和预校准。在硬件修改之后,演示板也可以用于CT的操作,用户可以很容易地对其进行修改。此配置将需要其他版本的演示代码。

图4.单相电表外形图
演示板包括:
•演示板DB6541 REV 3.0,其中包含一个71M6601或71M6201远程传感器接口以及一个带有预加载演示程序的71M6541F IC
•带2.5mm插头的5VDC / 1,000mA通用墙壁变压器(兼容Switchcraft 712A)
• USB电缆
•包含文档(数据表,电路板原理图,BOM,布局),演示代码(源代码和可执行文件)和实用程序的CD-ROM。
•带有50μΩ分流电阻(可选,仅用于ANSI套件)或两个120μΩ分流电阻
的ANSI基座演示板包含用作仪表的所有必要电路,包括显示屏,校准LED和内部电源。调试板使用单独的电源,并且与演示板光学隔离。它通过USB连接器连接到PC。

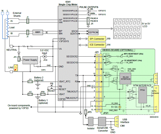
图5.Teridian DB6541 REV2.0演示板和调试板基本连接图

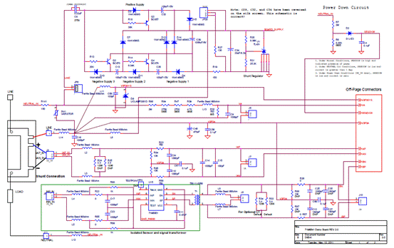
图6.DB6541 REV 3.0演示板电路图(1)

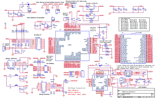
图7.DB6541 REV 3.0演示板电路图(2)
DB6541 REV 3.0演示板材料清单(BOM):

图8.DB6541 REV 3.0演示板PCB元件布局图(顶部)

图9.DB6541 REV 3.0演示板PCB元件布局图(放置)。
Maxim公司的71M6541D / 71M6541F / 71M6541G / 71M6542F / 71M6542G是Teridian™第四代单相电表SoC,集成了5MHz 8051兼容的MPU核,带数字温度补偿的低电阻RTC,闪存和LCD驱动器。转换技术采用22位Delta-Sigma ADC,三/四个模拟输入,数字温度补偿,精密基准电压,以及支持多种测量应用的32位计算引擎(CE),外接元件非常少.2000:1电流范围的精度为0.1%,超过IEC 62053 / ANSI C12.20标准,替代差分模式的两个电报挂号流传感器输入。本文介绍了71M6541F主要特性,功能布局图,与本地传感器和71M6x01隔离传感器的连接图以及演示板DB6541 REV2.0特性,和调试板基本连接图,电路图,材料清单和PCB布局图。
71M6541D / 71M6541F / 71M6541G / 71M6542F / 71M6542G是Teridian™第4代单相计量SoC,具有兼容5MHz 8051的MPU内核,具有数字温度补偿的低功耗RTC,闪存和LCD驱动器。我们的Single ConverterTechnology®具有22位delta-sigma ADC,三个或四个模拟输入,数字温度补偿,精密电压基准和32位计算引擎(CE),可在很少的外部设备的情况下支持各种计量应用组件。
71M6541 / 2器件支持Teridian 71M6x01系列隔离传感器的可选接口,从而降低了BOM成本,抗磁篡改并增强了可靠性。其他功能包括SPI接口,高级电源管理,活动模式和电池模式下的超低功耗操作,3 / 5KB共享RAM和32/64 / 128KB闪存,可在现场使用代码和/或数据进行编程在电表操作期间,每个SEG驱动器引脚最多可以驱动六个LCD段。较高的处理和采样率与差分输入相结合,为住宅电表提供了强大的电表平台。
完整的代码开发工具,演示代码和参考设计可实现满足全球所有ANSI和IEC电表标准的电表的快速开发和认证。
71M6541F主要特性:
•2000:1电流范围内的精度为0.1%
•超出IEC 62053 / ANSI C12.20标准
•两个电流传感器输入具有可选的差分模式
•一个电流输入的可选增益为1或8,以支持分流
•高具有可编程宽度的速度Wh / VARh脉冲输出
•32KB闪存,3KB RAM(71M6541D)
•64KB闪存,5KB RAM(71M6541F / 42F)
•128KB闪存,5KB RAM(71M6541G / 42G)
•多达四个具有脉冲计数的脉冲输出
•四象限计量
•数字温度补偿:
-计量补偿
-TOU功能的准确RTC,在所有功率模式下均具有针对晶体的自动温度补偿
•独立的32位计算引擎
•具有相同校准的46-64Hz线路频率范围
•相位补偿(?10?)
•三种电池备份模式:
-掉电模式(BRN)
-LCD模式(LCD)
-睡眠模式(SLP)
•引脚事件和唤醒定时器唤醒
•睡眠模式下为1μA
•闪存安全性
•系统内程序更新
•8位MPU(80515),高达5 MIPS
•掉电模式下的全速MPU时钟
•LCD驱动器:
-多达6个Commons /多达56个引脚
•带DAC的 5V LCD驱动器
•多达51个多功能DIO引脚
•硬件看门狗定时器(WDT)
•I2C /MICROWIRE®EEPROM接口
•具有闪存程序功能的SPI接口
•两个用于UART和IR的UART
•具有调制功能的IR LED驱动器
•工业温度范围
•64引脚(71M6541D / F / G)和100引脚(71M6542F / G)无铅LQFP封装

图1.71M6541F功能设置

图2.71M6541D / F / G和本地传感器连接图

图3.71M6541D / F / G和71M6x01隔离传感器连接图
71M6541F演示板DB6541 REV2.0
Teridian Semiconductor Corporation(TSC)DB6541 REV2.0演示板是一个演示板,用于评估71M6541F与单相电子功率计量应用结合远程传感器接口的器件。它包含一个71M6541F集成电路,一个71M6101远程接口IC,外围电路(例如串行EEPROM,仿真器端口和板载电源),以及一个随附的调试板,该调试板允许通过RS-232端口连接到PC。 。演示板允许评估71M6541F电表芯片的测量精度和整个系统的使用。
该评估板已通过71M6541F IC的FLASH存储器中的演示程序(演示代码)进行了预编程。开发此嵌入式应用程序是为了执行所有低级功能调用,以直接管理外围设备,闪存编程和CPU(时钟,时序,节能等)。
演示板上的71M6541F IC已针对板上附带的50μΩ或120μΩ分流器进行了预编程和预校准。在硬件修改之后,演示板也可以用于CT的操作,用户可以很容易地对其进行修改。此配置将需要其他版本的演示代码。

图4.单相电表外形图
演示板包括:
•演示板DB6541 REV 3.0,其中包含一个71M6601或71M6201远程传感器接口以及一个带有预加载演示程序的71M6541F IC
•带2.5mm插头的5VDC / 1,000mA通用墙壁变压器(兼容Switchcraft 712A)
• USB电缆
•包含文档(数据表,电路板原理图,BOM,布局),演示代码(源代码和可执行文件)和实用程序的CD-ROM。
•带有50μΩ分流电阻(可选,仅用于ANSI套件)或两个120μΩ分流电阻
的ANSI基座演示板包含用作仪表的所有必要电路,包括显示屏,校准LED和内部电源。调试板使用单独的电源,并且与演示板光学隔离。它通过USB连接器连接到PC。

图5.Teridian DB6541 REV2.0演示板和调试板基本连接图

图6.DB6541 REV 3.0演示板电路图(1)

图7.DB6541 REV 3.0演示板电路图(2)
DB6541 REV 3.0演示板材料清单(BOM):

图8.DB6541 REV 3.0演示板PCB元件布局图(顶部)

图9.DB6541 REV 3.0演示板PCB元件布局图(放置)。
举报