完善资料让更多小伙伴认识你,还能领取20积分哦, 立即完善>
|
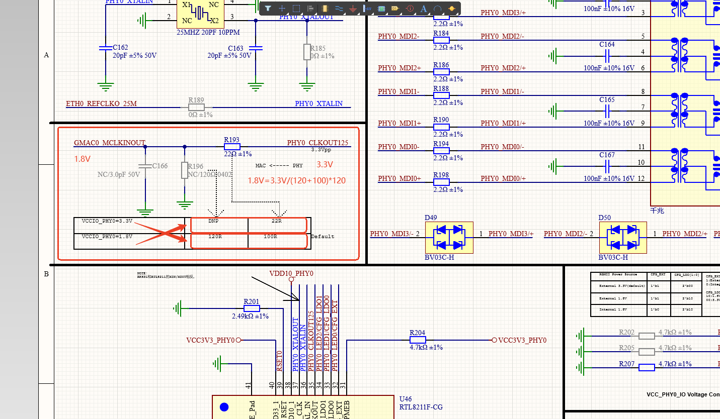
You are right. 这里备注错了
|
|
|
|
|
你正在撰写答案
如果你是对答案或其他答案精选点评或询问,请使用“评论”功能。
RK3588的GMAC0与PHY的参考时钟电平匹配问题??????
4218 浏览 1 评论
请问各位大佬,如何解决,瑞芯微 RV1126B 使用 mpp 自带工具 调试时,内核直接报错崩溃!
1769 浏览 0 评论
使用rk3568开发板,核0\\1\\3运行linux,核2运行hal,在核0中怎么关闭核2
2335 浏览 0 评论
2330 浏览 0 评论
4327 浏览 0 评论
/9
小黑屋| 手机版| Archiver| 电子发烧友 ( 湘ICP备2023018690号 )
GMT+8, 2025-12-1 10:30 , Processed in 0.484268 second(s), Total 41, Slave 34 queries .
Powered by 电子发烧友网
© 2015 bbs.elecfans.com
关注我们的微信
下载发烧友APP
电子发烧友观察
版权所有 © 湖南华秋数字科技有限公司
电子发烧友 (电路图) 湘公网安备 43011202000918 号 电信与信息服务业务经营许可证:合字B2-20210191

淘帖
4551