摘要:分享利用压电陶瓷驱动芯片LX8201,开发针对压电气泵的低成本驱动电路,性能稳定且极具成本优势。
压电气泵是种新型流体驱动器,它不需要外加的驱动电机,而是直接利用压电陶瓷的逆压电效应,使压电振子在电场作用下径向压缩,内部产生拉应力,从而使压电振子弯曲变形,再由变形产生泵腔的容积变化实现流体的平缓连续输出。

目前国产压电气泵已经基本完全匹配国际大厂(村田等)的规格性能指标,在可穿戴式设备、静音血压计、吸奶器、按摩仪以及气体采样设备等各场景下得到了众多应用。
从行业专家得到的消息,过去半年的数据显示整体规模的增长速度显著提升,LOXIM公司收到针对驱动芯片LX8201的询盘和客户开发项目的数量,也从一个侧面验证了这个趋势;目前行业内的共识是,随着成本的进一步下降,更多的应用场景和创新产品会不断涌现,完全可以期待1-2年之内其市场规模的爆发式增长。

常见的压电气泵规格,以用于可穿戴式静音血压计的压力-流量型压电气泵为例,一般的规格为:
- 驱动电压:15-30 V
- 功率:0.5-2W
- 出口压力(正压/真空):30-50Kpa
- 流量:100-1,000 ml/min
以下,分享一个将压电陶瓷驱动芯片LX8201用于压电气泵控制电路的实际案例,主要特点是驱动性能稳定,而且极具成本优势。

设计规格如下:
- 模式:他控,主控芯片发出电平信号,控制芯LX8201从而驱动压电气泵
- 外围:升压电路,将3.3-5V升压至20-30V
- 工作参数/档位:LX8201反馈工作参数至主控芯片,可以根据既定逻辑进行调整(压力流量数据反馈,或者事先设置好的按键/档位)
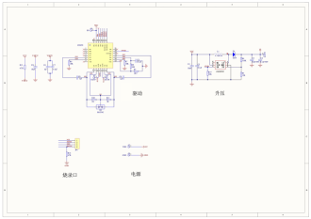
具体实施原理图如下:

BOM表如下 (供选型参考):

芯片(LX8201)资料可以自行查找官网,需要PCB板图/layout资料的,可以进一步联系分享。
|