完善资料让更多小伙伴认识你,还能领取20积分哦, 立即完善>
|
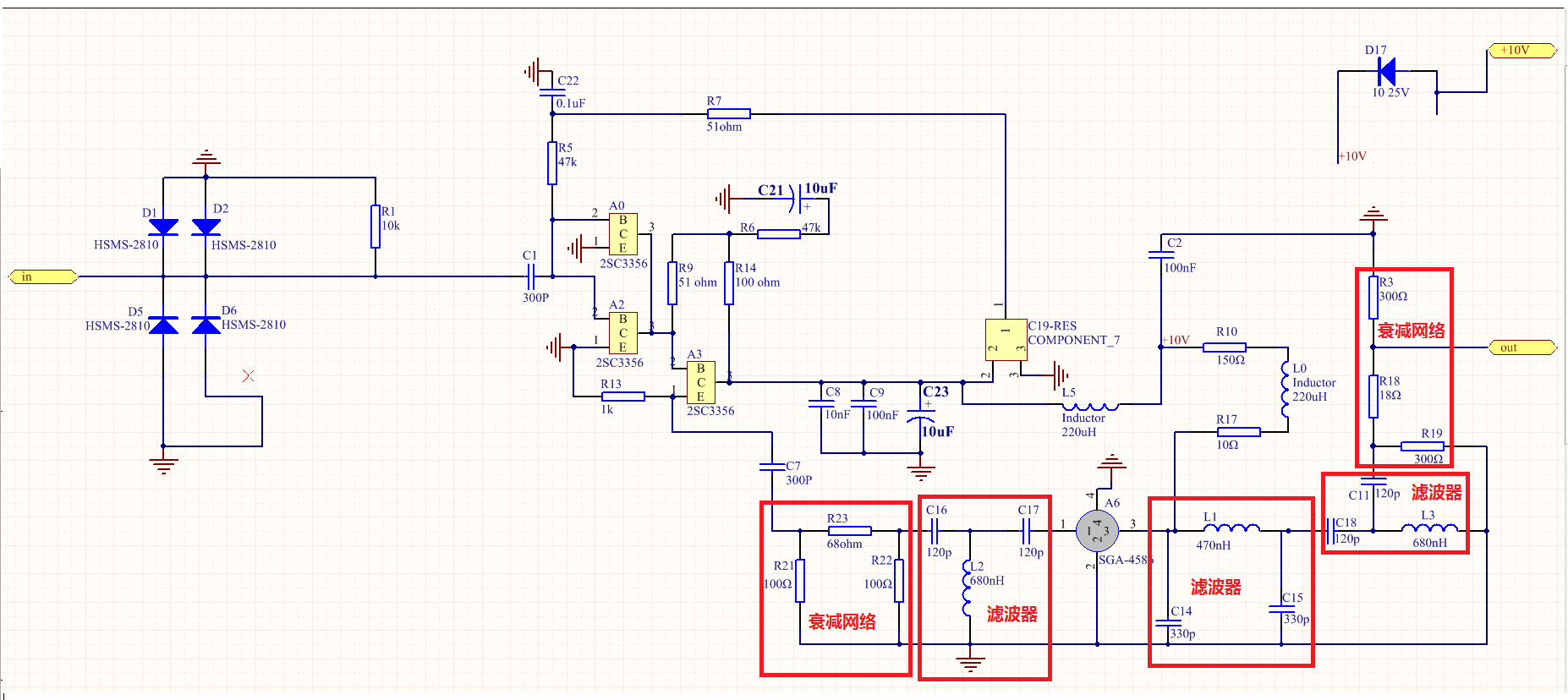
请问大佬,这个是前置放大器。D1、D2、D3、 D4是二极管保护输入,防止电压过高。A0、A2 、A3组成第一级放大电路。A6是第二级放大电 路。 成,是什么作用? 的? 为什么电压这么低? ? |
|
相关推荐
1个回答
|
|
|
高价产品外包,本人需要开发无线射频类的产品,有工程师接活吗,
|
|
|
|
|
你正在撰写答案
如果你是对答案或其他答案精选点评或询问,请使用“评论”功能。
FM17580是否能够只配置一次启动自动寻卡功能,之后就直接通过中断引脚IRQ传递给MCU,完成插拔卡的检测
13388 浏览 0 评论
5446 浏览 0 评论
ADL5801ACPZ混频器调试遇到了个问题:1.现象:混频器转换增益很差
5807 浏览 1 评论
11612 浏览 0 评论
10385 浏览 1 评论
/9
小黑屋| 手机版| Archiver| 电子发烧友 ( 湘ICP备2023018690号 )
GMT+8, 2025-12-1 10:33 , Processed in 0.462359 second(s), Total 40, Slave 34 queries .
Powered by 电子发烧友网
© 2015 bbs.elecfans.com
关注我们的微信
下载发烧友APP
电子发烧友观察
版权所有 © 湖南华秋数字科技有限公司
电子发烧友 (电路图) 湘公网安备 43011202000918 号 电信与信息服务业务经营许可证:合字B2-20210191

淘帖
2208