|
功能:利用ADC采集值。
开发板:CH32V208W
开发平台:MounRiver Studio
1、CH32V208W ADC引脚分布

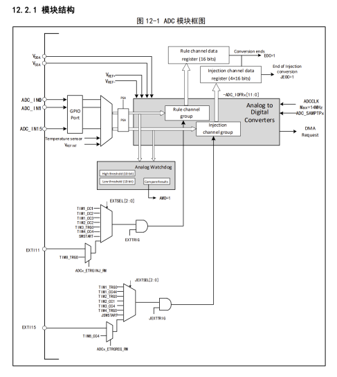
2、ADC框图:

3、ADC寄存器

4、代码:
ADC_InitTypeDef ADC_InitStructure = {0};
GPIO_InitTypeDef GPIO_InitStructure = {0};
RCC_APB2PeriphClockCmd(RCC_APB2Periph_GPIOA, ENABLE);
RCC_APB2PeriphClockCmd(RCC_APB2Periph_ADC1, ENABLE);
RCC_ADCCLKConfig(RCC_PCLK2_Div8);
GPIO_InitStructure.GPIO_Pin = GPIO_Pin_2;
GPIO_InitStructure.GPIO_Mode = GPIO_Mode_AIN;
GPIO_Init(GPIOA, &GPIO_InitStructure);
ADC_DeInit(ADC1);
ADC_InitStructure.ADC_Mode = ADC_Mode_Independent;
ADC_InitStructure.ADC_ScanConvMode = DISABLE;
ADC_InitStructure.ADC_ContinuousConvMode = DISABLE;
ADC_InitStructure.ADC_ExternalTrigConv = ADC_ExternalTrigConv_None;
ADC_InitStructure.ADC_DataAlign = ADC_DataAlign_Right;
ADC_InitStructure.ADC_NbrOfChannel = 1;
ADC_Init(ADC1, &ADC_InitStructure);
ADC_Cmd(ADC1, ENABLE);
ADC_BufferCmd(ADC1, DISABLE); //disable buffer
ADC_ResetCalibration(ADC1);
while(ADC_GetResetCalibrationStatus(ADC1));
ADC_StartCalibration(ADC1);
while(ADC_GetCalibrationStatus(ADC1));
Calibrattion_Val = Get_CalibrationValue(ADC1);
ADC_BufferCmd(ADC1, ENABLE); //enable buffer
ADC_TempSensorVrefintCmd(ENABLE);
u32 temp_val = 0;
u8 t;
u16 val;
for(t = 0; t < times; t++) {
temp_val += Get_ADC_Val(ch);
Delay_Ms(5);
}
val = temp_val / times;
return val;
ADC_val = Get_ADC_Average(ADC_Channel_TempSensor, 10);
Delay_Ms(500);
ADC_val = Get_ConversionVal(ADC_val);
val_mv = (ADC_val * 3300 / 4096);
printf("ADC-val_mv:%04d\r\n", val_mv);
Delay_Ms(2);
5、输出结果:

|