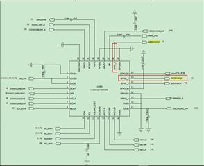
TLV320DAC3100是一款由德州仪器(Texas Instruments)生产的音频编解码器。它支持多种音频输入和输出接口,包括SPK(扬声器)通道。根据您的描述,您已经将耳机通道连接到了SPKP_2和SPKM_2上,但目前只有SPKP_1和SPKM_1通道有声音输出。
1)关于如何区分TLV320DAC3100芯片的两个通道SPKP_1、SPKM_1和SPKP_2、SPKM_2,以及这两个通道是否会同时出声音:
TLV320DAC3100芯片有两个SPK通道,分别是SPK1和SPK2。这两个通道可以独立工作,也可以同时工作。在默认情况下,SPK1通道(SPKP_1和SPKM_1)是启用的,而SPK2通道(SPKP_2和SPKM_2)是禁用的。要使两个通道同时工作,您需要对芯片进行配置。
2)关于TLV320DAC3100的寄存器参数配置以区分是哪个SPK通道:
要启用SPK2通道,您需要配置TLV320DAC3100的寄存器。以下是一些关键寄存器及其配置方法:
- 控制寄存器1(Control Register 1):该寄存器用于配置SPK通道的输出模式。要启用SPK2通道,您需要将该寄存器的第2位(SPK2EN)设置为1。例如,如果当前寄存器值为0x00,您需要将其设置为0x04。
- 控制寄存器2(Control Register 2):该寄存器用于配置SPK通道的输出电压。您需要确保SPK2通道的输出电压与SPK1通道相同。例如,如果SPK1通道的输出电压为2.5V,您需要将SPK2通道的输出电压也设置为2.5V。
- 数字音频接口寄存器(Digital Audio Interface Register):该寄存器用于配置音频数据的格式。您需要确保SPK1和SPK2通道的音频数据格式相同。例如,如果SPK1通道的音频数据格式为16位立体声,您需要将SPK2通道的音频数据格式也设置为16位立体声。
在配置这些寄存器时,您需要使用I2C接口与TLV320DAC3100芯片进行通信。您可以使用微控制器或其他I2C设备来发送配置命令。
总之,要使TLV320DAC3100芯片的两个SPK通道同时工作,您需要配置相应的寄存器以启用SPK2通道,并确保两个通道的音频数据格式和输出电压相同。在完成这些配置后,两个通道应该可以同时输出声音。
TLV320DAC3100是一款由德州仪器(Texas Instruments)生产的音频编解码器。它支持多种音频输入和输出接口,包括SPK(扬声器)通道。根据您的描述,您已经将耳机通道连接到了SPKP_2和SPKM_2上,但目前只有SPKP_1和SPKM_1通道有声音输出。
1)关于如何区分TLV320DAC3100芯片的两个通道SPKP_1、SPKM_1和SPKP_2、SPKM_2,以及这两个通道是否会同时出声音:
TLV320DAC3100芯片有两个SPK通道,分别是SPK1和SPK2。这两个通道可以独立工作,也可以同时工作。在默认情况下,SPK1通道(SPKP_1和SPKM_1)是启用的,而SPK2通道(SPKP_2和SPKM_2)是禁用的。要使两个通道同时工作,您需要对芯片进行配置。
2)关于TLV320DAC3100的寄存器参数配置以区分是哪个SPK通道:
要启用SPK2通道,您需要配置TLV320DAC3100的寄存器。以下是一些关键寄存器及其配置方法:
- 控制寄存器1(Control Register 1):该寄存器用于配置SPK通道的输出模式。要启用SPK2通道,您需要将该寄存器的第2位(SPK2EN)设置为1。例如,如果当前寄存器值为0x00,您需要将其设置为0x04。
- 控制寄存器2(Control Register 2):该寄存器用于配置SPK通道的输出电压。您需要确保SPK2通道的输出电压与SPK1通道相同。例如,如果SPK1通道的输出电压为2.5V,您需要将SPK2通道的输出电压也设置为2.5V。
- 数字音频接口寄存器(Digital Audio Interface Register):该寄存器用于配置音频数据的格式。您需要确保SPK1和SPK2通道的音频数据格式相同。例如,如果SPK1通道的音频数据格式为16位立体声,您需要将SPK2通道的音频数据格式也设置为16位立体声。
在配置这些寄存器时,您需要使用I2C接口与TLV320DAC3100芯片进行通信。您可以使用微控制器或其他I2C设备来发送配置命令。
总之,要使TLV320DAC3100芯片的两个SPK通道同时工作,您需要配置相应的寄存器以启用SPK2通道,并确保两个通道的音频数据格式和输出电压相同。在完成这些配置后,两个通道应该可以同时输出声音。
举报