串行Flash存储器具有体积小、功耗低、管脚少、掉电不丢失数据等诸多优点,在IC卡和便携式智能检测仪表中广泛的应用。而在这类芯片中ATMEL公司生产的AT45D041存储容量较大(4Mb),因而在某些要求大容量存储数据的场合具有重要的应用价值,主要用于存放一些保密性要求不高、数据量极大的数据,如声音、图像或采集数据等。他们大都是SPI接口,对他们的通讯,通常采用带SPI通讯协议的微处理器。但有些单片机没有SPI接口,如51系列的单片机,通常采用I/O端口模拟SPI接口,此方法对速度要求不高的场合还可以使用,但程序编制比较复杂。本文将介 绍一种通过51系列单片机的串行口与AT45d041芯片通讯的方法,此方法不仅编程简单,且运行速度高,是一种值得推荐的编程方法。
1 AT45D041的工作原理
AT45D041是具有4 325 376位的大容量存储器,他们被分成2 048页(对应地址为PAl0一PA0),每页264B(对应地址BA8~BA0)。这些存储器被称之为主存储器,此外AT45D041还有2个264 B的缓冲区Bufferl和Buffer2,当主存储器的某页正在被使用时,这2个缓冲区允许接收数据。当片选CS有效时,数据的传输在时钟信号SCK的同步下,通过SI(输入)和SO (输出) 进行。其原理框图如图1所示。

表1为包含AT45D041芯片IC卡管理定义。

AT45D041的最大工作频率可达10MHz,工作电压为5 V±10%,工作最大电流读为25 mA,写为50 mA,数据保持可达100年,工作温度为0~70℃,根据要求可超过指定工作温度,通讯协议为SPI串行接口方式0和方式3。
2 AT45D041与AT89C55的接口
由于AT45D041只有一个管脚进行命令、数据的输入和数据的输出,其命令和数据都是串行输入的,工作时序图如图2所示。
从图2可以看出,输入数据时,SCK的上升沿前后一段时间分别为建立时间tsu (》10 ns)和保持时间tH (》25 ns),输入接口应在SCK上升前tsu时段内将数据准备好,并在其后的tH时段内保持该数据。输出数据时,SO仅在SCK下降沿rv (《80 ns)时间后有信号输出,并在下一个时钟下降沿到来时消失(tHo=0),接口电路应在有效输出时间内读取数据。

51系列的单片机都具有至少一个全双工串行接口,他支持4种工作方式,这里采用方式0,作为移位寄存器输入输出。其工作时序图如图3所示。

串行口以振荡频率的1/12波特率接收和发送数据,RXD为串行数据输入输出端,TXD为同步移位信号输出端。
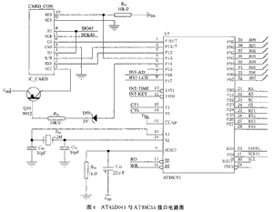
本系统采用AT89C55单片机芯片实现与AT45B041的接口,负责传感器信号的采集、存储与读取及显示,其硬件接口电路图如图4所示。

图4中P1.0接IC卡的CS信号,P1.1接R/B信号,P1.2接RST信号,IC卡的SCK接单片机的TxD,SI和SO接在一起与单片机的RxD相连。P0口接AD(模数转换)芯片和LCD(液晶显示屏),P2口接键盘。
工作原理是,AD采样数据一方面通过单片机直接存入IC卡,另一方面通过计算显示在液晶屏上。系统的采样速度要求达到1kHz,这对于12MHz主频的AT89C55单片机速度要求很高,这就要求花在存储方面的时间尽量少。因系统不需要与外界通信,单片机的串口闲置,这样,可以考虑利用单片机的串口,来提高存储速度。由于AT45D041只支持SPI通讯的模式0和3,而AT89C55单片机支持移位寄存器输入/输出工作方式。这样可以把AT45D041当作移位寄存器来操作。但51系列单片机的串口都是先输出低位,后输出高位。这与AT45D041的定义正好相反。为此在通过UART输出数据之前必须将其进行转换。当然,通过查表可以解决这一难点。
3 单片机编程
下面以一个检测IC卡状态的C语言程序来说明对这种存储器的编程方法。(关于AT45D041存储器的操作时序及命令,参阅AT45D041的器件说明书。)
//定义查表矩阵 unsigned char code concode[256]={ 0x00,0x80,0x40,0xc0,0x20,0xa0,0x60,0xe0,0x10, 0x90,0x50,0xd0,0x30,0xb0,0x70,0xf0, 。。. 。。. 0x0f,0x8f,0x4f,0xcf,0x2f,0xaf,0x6f,0xef,0xlf,0x9f,0x5f,0xdf,0x3f,Oxbf,0x7f,Oxff}; //检查IC的有效性函数bit testcard(void){ unsigned char tmp; cs45=0; SCON=0; SBUF=concode[0x57]; //读状态寄存器命令为0x57 while(!TI); SCON=0x10; while(!RI); tmp=concode[SBUF]; //tmp内为状态寄存器值 cs45=1 if((tmp&0x38)==0x18) return (0); //是AT45d041卡,返回0 return(1); //不是AT45d041卡,返回1 }
AT45D041芯片的状态寄存器结构如下:

位7为0表示忙;为1表示闲,可以接收下一条指令。 位6为0表示主存储区数据与缓存区比较匹配,否则为不匹配。 位5、位4、位3对于AT45D041为“011”(二进制)。
4 总体性能评价
在此系统中,单片机需采样8路12位信号,并把他们保存在数据IC卡中。只需带回IC卡,通过IC卡读写器把数据读入计算机,便可以进行数据的离线处理、分析。可以看出,仅采用几个廉价芯片,便组成一个性能可观的数据采集系统。
从以上程序可以看出,数据传送的速率基本上与单片机的机器周期相同。而通过以前的I/O端口模拟SPI端口的操作中,数据传送的速率最大不到机器周期的1/3。另外,在串口传送数据的过程中,CPU还可以同时进行其他的指令。总体性能要比采用I/O端口模拟SPI端口的操作快上4倍以上。
在以上的快速数据采集系统中,花在存储方面的时间相对很少,这样,一方面数据采集的速率可以提高;另一方面单片机有充足的时间计算、分析数据,处理LCD显示,键盘中断等。减少存储所花的时间,对整体性能的提高有着显著的意义。
当然,采用以上方式操作SPI口,需要对所操作的芯片的操作时序比较了解,如果操作失误,可能产生线路冲突(单片机和SPI口同时输出)。这样虽然对器件没有多大的损害,因为芯片端口都有保护电路。当然最好是采用带有SPI端口操作的单片机,这里是对某些情况下不得已采用的方法,也有一定的实用价值。
串行Flash存储器具有体积小、功耗低、管脚少、掉电不丢失数据等诸多优点,在IC卡和便携式智能检测仪表中广泛的应用。而在这类芯片中ATMEL公司生产的AT45D041存储容量较大(4Mb),因而在某些要求大容量存储数据的场合具有重要的应用价值,主要用于存放一些保密性要求不高、数据量极大的数据,如声音、图像或采集数据等。他们大都是SPI接口,对他们的通讯,通常采用带SPI通讯协议的微处理器。但有些单片机没有SPI接口,如51系列的单片机,通常采用I/O端口模拟SPI接口,此方法对速度要求不高的场合还可以使用,但程序编制比较复杂。本文将介 绍一种通过51系列单片机的串行口与AT45d041芯片通讯的方法,此方法不仅编程简单,且运行速度高,是一种值得推荐的编程方法。
1 AT45D041的工作原理
AT45D041是具有4 325 376位的大容量存储器,他们被分成2 048页(对应地址为PAl0一PA0),每页264B(对应地址BA8~BA0)。这些存储器被称之为主存储器,此外AT45D041还有2个264 B的缓冲区Bufferl和Buffer2,当主存储器的某页正在被使用时,这2个缓冲区允许接收数据。当片选CS有效时,数据的传输在时钟信号SCK的同步下,通过SI(输入)和SO (输出) 进行。其原理框图如图1所示。

表1为包含AT45D041芯片IC卡管理定义。

AT45D041的最大工作频率可达10MHz,工作电压为5 V±10%,工作最大电流读为25 mA,写为50 mA,数据保持可达100年,工作温度为0~70℃,根据要求可超过指定工作温度,通讯协议为SPI串行接口方式0和方式3。
2 AT45D041与AT89C55的接口
由于AT45D041只有一个管脚进行命令、数据的输入和数据的输出,其命令和数据都是串行输入的,工作时序图如图2所示。
从图2可以看出,输入数据时,SCK的上升沿前后一段时间分别为建立时间tsu (》10 ns)和保持时间tH (》25 ns),输入接口应在SCK上升前tsu时段内将数据准备好,并在其后的tH时段内保持该数据。输出数据时,SO仅在SCK下降沿rv (《80 ns)时间后有信号输出,并在下一个时钟下降沿到来时消失(tHo=0),接口电路应在有效输出时间内读取数据。

51系列的单片机都具有至少一个全双工串行接口,他支持4种工作方式,这里采用方式0,作为移位寄存器输入输出。其工作时序图如图3所示。

串行口以振荡频率的1/12波特率接收和发送数据,RXD为串行数据输入输出端,TXD为同步移位信号输出端。
本系统采用AT89C55单片机芯片实现与AT45B041的接口,负责传感器信号的采集、存储与读取及显示,其硬件接口电路图如图4所示。

图4中P1.0接IC卡的CS信号,P1.1接R/B信号,P1.2接RST信号,IC卡的SCK接单片机的TxD,SI和SO接在一起与单片机的RxD相连。P0口接AD(模数转换)芯片和LCD(液晶显示屏),P2口接键盘。
工作原理是,AD采样数据一方面通过单片机直接存入IC卡,另一方面通过计算显示在液晶屏上。系统的采样速度要求达到1kHz,这对于12MHz主频的AT89C55单片机速度要求很高,这就要求花在存储方面的时间尽量少。因系统不需要与外界通信,单片机的串口闲置,这样,可以考虑利用单片机的串口,来提高存储速度。由于AT45D041只支持SPI通讯的模式0和3,而AT89C55单片机支持移位寄存器输入/输出工作方式。这样可以把AT45D041当作移位寄存器来操作。但51系列单片机的串口都是先输出低位,后输出高位。这与AT45D041的定义正好相反。为此在通过UART输出数据之前必须将其进行转换。当然,通过查表可以解决这一难点。
3 单片机编程
下面以一个检测IC卡状态的C语言程序来说明对这种存储器的编程方法。(关于AT45D041存储器的操作时序及命令,参阅AT45D041的器件说明书。)
//定义查表矩阵 unsigned char code concode[256]={ 0x00,0x80,0x40,0xc0,0x20,0xa0,0x60,0xe0,0x10, 0x90,0x50,0xd0,0x30,0xb0,0x70,0xf0, 。。. 。。. 0x0f,0x8f,0x4f,0xcf,0x2f,0xaf,0x6f,0xef,0xlf,0x9f,0x5f,0xdf,0x3f,Oxbf,0x7f,Oxff}; //检查IC的有效性函数bit testcard(void){ unsigned char tmp; cs45=0; SCON=0; SBUF=concode[0x57]; //读状态寄存器命令为0x57 while(!TI); SCON=0x10; while(!RI); tmp=concode[SBUF]; //tmp内为状态寄存器值 cs45=1 if((tmp&0x38)==0x18) return (0); //是AT45d041卡,返回0 return(1); //不是AT45d041卡,返回1 }
AT45D041芯片的状态寄存器结构如下:

位7为0表示忙;为1表示闲,可以接收下一条指令。 位6为0表示主存储区数据与缓存区比较匹配,否则为不匹配。 位5、位4、位3对于AT45D041为“011”(二进制)。
4 总体性能评价
在此系统中,单片机需采样8路12位信号,并把他们保存在数据IC卡中。只需带回IC卡,通过IC卡读写器把数据读入计算机,便可以进行数据的离线处理、分析。可以看出,仅采用几个廉价芯片,便组成一个性能可观的数据采集系统。
从以上程序可以看出,数据传送的速率基本上与单片机的机器周期相同。而通过以前的I/O端口模拟SPI端口的操作中,数据传送的速率最大不到机器周期的1/3。另外,在串口传送数据的过程中,CPU还可以同时进行其他的指令。总体性能要比采用I/O端口模拟SPI端口的操作快上4倍以上。
在以上的快速数据采集系统中,花在存储方面的时间相对很少,这样,一方面数据采集的速率可以提高;另一方面单片机有充足的时间计算、分析数据,处理LCD显示,键盘中断等。减少存储所花的时间,对整体性能的提高有着显著的意义。
当然,采用以上方式操作SPI口,需要对所操作的芯片的操作时序比较了解,如果操作失误,可能产生线路冲突(单片机和SPI口同时输出)。这样虽然对器件没有多大的损害,因为芯片端口都有保护电路。当然最好是采用带有SPI端口操作的单片机,这里是对某些情况下不得已采用的方法,也有一定的实用价值。
举报