模拟技术学习
直播中

张秀兰

8年用户 1341经验值
私信 关注
[问答]

请问有相应的驱动芯片来提高SPI的传输距离吗?

由于SPI的传输距离只有1-3m,不知道有没有相应的SPI驱动芯片可以增加它的传输距离(10-15m就可以了)。
如IIC总线传输距离为5m,增加了82b715驱动芯片后距离可以提升到15m.
查了一些资料也没找到,几乎都是转422/485的。
有人知道这种芯片吗?

回帖(7)

任娟娟

2019-3-19 13:07:35
这实质就是 TTL 信号的传输距离问题。
按说,设计之初就应当首先考虑到,现在考虑属于设计失误。
数字信号远距离传输,无一例外都是差分信号,422、485、can、eth、HDMI,等等。
这些已经有理论保证。
232不是差分,距离很有限。
TTL 远距离,没有理论上成熟的方案,因为很少有人这么做。
如果不能改板,就尽量提高发送端的驱动能力,尽量增大接收端的内阻;
选择不易受干扰、分布参数少的线材,以减少线路的影响;
用示波器观察,高速、低速,高电平、低电平,各种情况下的收发波形。
剩下只能看 RP 了。
个人意见,供参考。
举报

李佳

2019-3-19 13:27:28
现在正在设计阶段,谢谢你的回答。
举报

史晓明

2019-3-19 13:36:40
忽然想到一点,IIC,不就是缺少上拉电阻的 TTL 吗?
你那芯片或许用得上。
但真心建议你用设备间通信总线 —— IIC 和 SPI 都是板内总线。
举报

杨杰

2019-3-19 13:48:09
主要是不想加再加个单片机来转换总线。
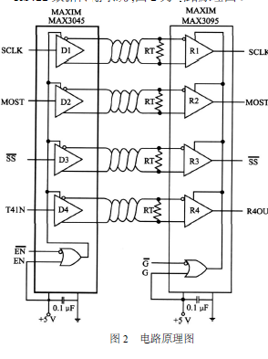
现在已设计成SPI 总线数据由单端不平衡传输方式转换为双端平衡传输方式来实现。
文献《SPI总线数据远距离传输实现》中有说明。
举报

更多回帖

发帖
×
20
完善资料,
赚取积分