罗姆(ROHM)
登录
直播中
颜小玲
8年用户
162经验值
私信
关注
[经验]
放大器的传递函数:放大器的虚短路
放大器
传递函数
增益
前项中,导出了误差放大器和各个电压放大器、电流放大器的传递函数。本项中,探讨作为放大器的传递函数的计算方法经常被使用的虚短路。
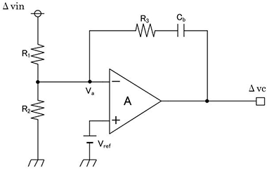
图4
放大器的虚短路
学习运算放大器探讨诸特性之际所必須的是理想运算放大器和虚短路(也称为虚拟短路、虚拟接地)的概念。同样,通常计算放大器的传递函数时也使用虚短路方法。
传递函数的导出,通过图4的Va作为Vref和虚短路考虑,小信号作为接地处理计算公式(ΔVa = 0)。
对于图4,用这个方法导出的传递函数公式如公式2-9所示。
从本式得到的增益(Gain)和相位(Phase)的波特图(实线)和实际的测定得到的波特图(虚线)如图5所示。
图5
从图5中,可以看到公式所示的特性和实际检测的不同。
・通过低频,增益(Gain)发散(∞),相位(Phase)90°旋转
・通过高频,增益(Gain)固定,相位(Phase)保持180°
它们意味着“虚短路可适用范围有条件”。
为了使理想的虚短路的成立,下面的条件是必需的。
・放大器的DC增益(Gain)固定
・放大器的频带(BW)=∞
图6
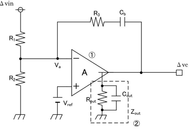
不过,这些条件实际上不成立。实际上,如图6的DC增益和频带,一起被晶体管的gm或输出阻抗的
电路
特性限制。
结果如下。
・放大器的DC增益A=∞→A:有限值
・放大器的频带(BW)=∞→⨍BW:有限值
这表示低频侧DC增益有限,高频侧频带被限制,增益减少。尝试验证本现象对传递函数带来什么样的影响。
假想虚短路导出的刚才的公式2-9和前项的基尔霍夫定律导出的公式2-6,如果C1=0,那么成为同样的公式。但是,在公式2-6导出时公式2-5是前提条件。这是虚短路的成立条件。这是虚短路的成立条件。
图7
因此,尝试验证关于公式2-5从前面所示的特性的理想条件对变化的影响。
低频侧(ω = 0)、A = 有限时公式2-5,
成为Zb → ∞、RsA → 有限值
不成立。
高频侧(ω = ∞),A≒0时,
成为Zb → R3,RsA → 0
这里也不成立。
因此,实际的电路中传递函数对于频率范围变化如图7所示。
最后,图8中总结了虚短路的适用。导出放大器的传递函数时,理解为存在可以应用的虚短路范围和不可应用范围,对于各自范围需要采取适当的导出方法。
图8
关键要点:
・实际的增益/相位特性和被导出的传递函数表示的特性存在不同点。
・理解为导出放大器的传递函数时,存在可以适用虚短路范围和不可适用范围。
更多回帖
rotate(-90deg);
回复
相关帖子
放大器
传递函数
增益
放大器
的
传递函数
-误差
放大器
、电压
放大器
、电流
放大器
的
传递函数
导出
4696
误差
放大器
、电压
放大器
、电流
放大器
的
传递函数
导出
5518
跨阻
放大器
电路的噪声
传递函数
5151
运算
放大器
实现s
传递函数
5573
请教
放大器
的
虚
短和反馈问题
2290
运算
放大器
的
虚
短是什么
1760
关于《运算
放大器
权威指南》
传递函数
的一个疑问
3188
运算
放大器
的
虚
短与
虚
断解析
4730
运算
放大器
的
虚
短
虚
断,怎么理解?
11877
虚
短
虚
段搞定运算
放大器
25
发帖
登录/注册
20万+
工程师都在用,
免费
PCB检查工具
无需安装、支持浏览器和手机在线查看、实时共享
查看
点击登录
登录更多精彩功能!
首页
论坛版块
小组
免费开发板试用
ebook
直播
搜索
登录
×
20
完善资料,
赚取积分