ADI 技术
直播中

刘云

8年用户 186经验值
私信 关注
[经验]

Power by Linear系列:LTC2937如何最大限度减少软硬件更改?

设计多轨电源时,每增加一个电源轨,挑战都会成倍增加。设计师必须考虑怎样动态协调电源排序和定时、加电复位、故障监视、提供恰当的响应以保护系统等方方面面。
有经验的设计师都知道,随着项目从原型向生产环境转变,成功应对动态变化环境的关键是灵活性。
在开发过程中,能够最大限度减少软硬件更改的解决方案是理想解决方案。
理想的多轨电源设计方法是,一项设计自始至终只用一个 IC,在该产品的整个生命周期中无需更改布线。该 IC 对多个电源轨自主进行监察和排序,并与其他 IC 协作,无缝地监察系统中多个电源稳压器,提供故障和复位管理。当系统连接到 I2C 总线时,设计师可以运用功能强大、基于 PC 的软件,实时配置系统、实现系统可视化并调试系统。
LTC2937,很合要求
LTC2937 这是一款具 EEPROM 的 6 通道电压排序器和高准确度监察器。6 个通道每个都有两个专用的比较器以 ±0.75% 的准确度准确地监视过压和欠压情况。比较器门限可在 0.2V 至 6V 范围内以 8 位分辨率单独地设定。这些比较器速度很快,具 10μs 抑峰传输延迟。每个排序器通道都有一个使能输出,可控制一个外部稳压器或一个通路 FET 的栅极。监察器电压和排序器定时的所有方面都是可单独配置的,包括向上排序和向下排序顺序、排序定时参数、以及故障响应。内置 EEPROM 使该器件完全实现了自主化,能够以正确状态加电以控制系统。此外,多个 LTC2937 可协作运行,以对一个系统中多达 300 个电源自主排序,进行所有操作时都使用单条通信总线。

        
图 1:LTC2937 对 6 个电源排序通过 LTC2937 的自主故障响应行为以及调试寄存器,可控制、查看和管理电源故障。LTC2937 自动检测故障情况,并能够以协调一致的方式给系统断电。该器件可保持断电,或尝试在故障后重新给电源排序。在具备微控制器和 I2C / SMBus 的系统中,LTC2937 提供有关故障类型和原因以及系统状态的详细信息。微控制器可以就怎样响应做出决定,或者允许 LTC2937 自己响应。

        
表 1:具 EEPROM 的可编程 6 通道排序器和监察器电源控制的 3个步骤
一个电源周期有 3 个运行步骤:加电排序、监视和断电排序。图 2 针对一个典型系统显示了这些阶段——
在加电排序时,每个电源都必须等待,然后在指定的时间内加电到正确的电压;
在监视阶段,每个电源都必须保持在指定的过压和欠压限制之内;
在断电排序时,每个电源都必须等待 (顺序常常与加电排序顺序不同),然后在设定时间内断电;
在任意时刻都有可能出错,导致系统中出现故障。设计挑战就是,设计一个系统,其中所有这些步骤以及所有变量都可轻易配置,但必须仔细控制。

        
图 2:电源排序波形当 ON 输入转换至有效时,加电排序开始。LTC2937 按照向上排序顺序逐一加电,使每个电源依次启动,并进行监视,以确保电源电压在指定时间之前上升至高于所设定的门限。任何电源,如果未能满足设定时间要求,都会触发排序故障。
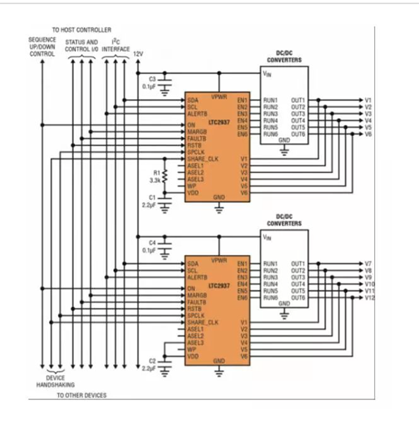
提供排序位置时钟是 LTC2937 的独特优势。每个通道都分配了一个排序位置 (1 至 1023),并在 LTC2937 计数到给定排序位置序号时接收启动信号。具排序位置 1 的通道总是在具排序位置 2 的通道之前启动。如果更改了系统规定,要求这两个通道以不同的顺序排序,那么排序位置可以交换,在计数到排序位置 1 时给第二个通道加电,计数到排序位置 2 时给第一个通道加电。多个 LTC2937 可以共享排序位置信息,以便对所有 LTC2937 芯片而言,排序位置 N 同时出现,由不同芯片控制的通道可以参与到相同的排序中 (参见图 3)。

        
图 3:多个 LTC2937 的典型连接当最后一个通道加电并跨过其欠压门限后,监视阶段开始。在监视阶段,LTC2937 运用其高准确度比较器连续监视每个输入的电压,看其是否超越过压和欠压门限。该器件忽视输入信号上较小的干扰,仅在电压以足够的幅度超越门限并持续足够长时间时才触发。当 LTC2937 检测到故障时,会按照所设定的监察器故障响应行为,立即做出响应。在典型情况下,该器件同时关断所有电源,向系统确定 RESETB,然后尝试按照正常启动顺序重新加电。这可防止电源给系统的一部分供电而其他部分得不到供电,或者防止系统在故障后执行不一致的故障恢复。一个系统中的多个 LTC2937 可分享故障状态信息,相互对对方的故障做出响应,从而在故障恢复时,保持协作通道之间完全的一致性。LTC2937 提供无数可编程故障响应行为,以满足很多不同的系统配置需求。
当 ON 输入转变为低电平时,断电排序阶段开始。排序位置时钟再次开始计数,以给电源断电,不过所有断电排序参数都不受加电排序参数影响。通道可以按照任何顺序断电排序,而且多个 LTC2937 芯片协调所有受控电源的排序。在断电排序时,每个电源必须在指定时间限制之内下降至低于其放电门限,否则会触发排序故障。LTC2937 可用一个可选电流源拉低电源电压,以使变化速度慢的电源有效放电。
排序位置时钟强制执行基于事件的排序顺序,每个事件等待之前的事件发生之后才能继续。LTC2937 还允许基于时间的排序,可用于在预定时间点启动电源轨的系统中。可重新配置的寄存器既可在基于时间的排序模式、又可在基于事件的排序模式下运行。
LTpowerPlay,让事情变得so easy
LTC2937 有一套广泛、功能强大的寄存器,而控制这些寄存器很简单。LTpowerPlay 的图形用户界面 (GUI) 在一个简便的界面中,显示状态寄存器和调试寄存器中的所有信息。GUI 在 I2C/SMBus 上与ADI的任何电源系统管理 IC (包括 LTC2937) 通信。配置一个或多个 LTC2937 只需点击几下鼠标这么简单。
LTpowerPlay 将设置值保存在 PC 上,并可将设置值写到 LTC2937 的 EEPROM 中。该 GUI 还显示系统故障的所有调试信息。LTpowerPlay 可显示任一电源何时出现了过压或欠压,或者,某个电源是否未能成功完成排序定时。故障后,该 GUI 允许彻底控制系统重启。在设计的每个阶段,即启动、配置、调制和运行阶段,LTpowerPlay 是系统性能不可或缺的窗口。
图 4:LTpowerPlay 的图形用户界面 (GUI) 在一个简便的界面中显示状态寄存器和调试寄存器中的所有信息。配置一个或多个 LTC2937 只需点击几下鼠标这么简单。LTpowerPlay 将设置值保存在 PC 上,并可将设置值写到 LTC2937 的 EEPROM 中。
结论
LTC2937 简化了电源系统排序和监察。该器件仅需占用非常少的电路板空间,就可构成一个完整系统。LTC2937 非常灵活、可重新配置,而通过 EEPROM 寄存器又可自主运行。该器件可独立运行,或者与一个大型系统中的其他芯片一起使用,无缝协调多达 300 个电源的运行。

更多回帖

发帖
×
20
完善资料,
赚取积分