LabVIEW论坛
直播中

jf_45961888

2年用户 9经验值
擅长:可编程逻辑 电源/新能源 制造/封装
私信 关注
[问答]

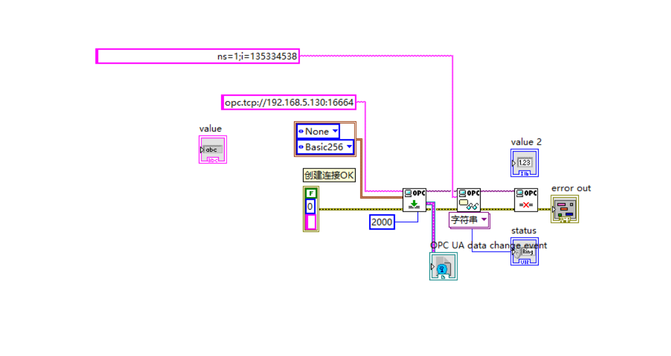
labview opc ua 读取客户端数据

请教各位大神,在电脑上,用自带OPC读取OPCUA服务端数据是OK的,但是自己写程序读取就读不到,报错了,请教一下,节点路径怎么写,非常感谢
微信图片_20250602115700.png
微信图片_20250602115726.png微信图片_20250602115723.png
微信图片_20250602115731.png

已退回30积分

更多回帖

发帖
×
20
完善资料,
赚取积分