分享
收藏
返回
yuu_cool
关注
私信
[资料]
反激式开关电源【电源专栏】
开关电源
反激
一、升降压
电路
(
BUCK-BOOST 电路
)
1.1电路简介
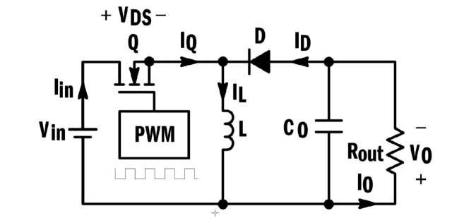
电路结构如下图,电路图由以下部分组成:
MOS 管:开关
电源
的开关。接受PWM波形信号,高电平管子打开,低电平管子关闭。
电感 L :充放电。吸收电源的能量,并向后级电路释放。
二极管 D:指定电流的流向。
电容
:平滑输出电流。
图1.1 BUCK-BOOST 电路原理图
1.2 MOS 管打开
当在 PWM 波高电平时,MOS 管打开,电源给电感充电,在电感上形成上上正下负的电压。
图1.2
1.3 MOS 管关闭
当在 PWM 波低电平时, MOS 管关闭,电感上的电源突然撤走,电感上感应出与电源供电方向相反的感应电动势,形成如下图的电流方向给负载供电。
图1.3
1.4电路说明
1.4.1升降压
BUCK-BOOST 电路输入输出存在公式(理想公式):
其中 D 为 PWM 波的占空比,就是通过调节占空比来实现升降压:
当需要升压时 ,调大占空比,让电感可以吸收更多的能量,增大感应电动势;
当需要降压时,调小占空比,让电感不吸收很多的能量,减小感应电动势。
1.4.2注意
上述介绍的电路是最简单、最理想的 BUCK-BOOST 电路,只是为了说明一下电路原理,有很多问题都没有说清楚,如:
如果供电电源负极是地的话,那么在电路图上二极管正极那一点的电压其实是负电位,需不需要抬高?
供电电源如果是电池或者输出没有达到预期,需不需要添加输出到 PWM 波控制电路的反馈?
BUCK-BOOST 电路原理很久就提出了,有没有好用、简单的芯片?怎么选择?等等
二、
手机
充电器原理
2.1初代电源原理
下面是最初代手机充电器的原理,最终可以得到输出稳定的 5V 电源给手机充电。
图2.1
但是这种手机充电器很少被使用,原因:
线性电源功率密度低;
发热严重;
体积大。
图2.2
2.2现代开关电源原理
其中仍然有全桥整流电路和变压器,但排列位置发生了变化,同时原来的 LM7805 被一颗 MOS管和控制芯片取代。
看到下面的电路,就发现和最开始的 BUCK-BOOST 电路的相似之处了。
图2.3
产生了一个方波加在了变压器的左侧绕组上,在变压器的右侧绕组上感应出另一个比较小的电压,经过滤波,就输出 5V 的直流电 (后面会详细讲解)。
2.3比较两个电路
2.3.1变压器体积更小
第一个电路中 220V 的交流电被直接送入变压器,然后输出经过整流滤波就变成了直流电;
第二个电路就比较麻烦了,先把 220V 的交流电整流滤波变成直流电,然后将直流电转变成方波才送入变压器中,最后输出直流电。
之所以弄得这么麻烦,就是为了减小体积和减少发热。
最初的 220V 交流电频率只有 50HZ,而送入变压器的方波频率可达 65KHZ 甚至更高,频率更高的好处就是可以使用更小的变压器。
纯分享贴,有需要可以直接下载附件获取文档!
(如果内容有帮助可以关注、点赞、评论支持一下哦~)
全文.pdf
(2025-4-18 15:05 上传)
6.28 MB, 下载次数: 0
更多回帖
rotate(-90deg);
回复
我也要说两句
回帖
回复评论
相关资料
反
激
式
开关电源
设计/制作/调试
反
激
式
开关电源
正
激
式
开关电源
是指什么?
反
激
式
开关电源
是指什么
反
激
式
开关电源
芯片简介
反
激
式
开关电源
的设计
反
激
式
开关电源
的优缺点有哪些
反
激
式
开关电源
的工作原理
【书籍】
反
激
式
开关电源
设计、制作、调试
反
激
式
开关电源
设计
反
激
开关电源
绕不开的知识点之
反
激
式
开关电源
RCD吸收电路的设计
×
长按上方图片保存到相册
复制链接
长按二维码打开
发帖