TI论坛
直播中

唯爱萌meng

10年用户 1107经验值
擅长:可编程逻辑
私信 关注
[问答]

用ADS7830做一个按键检测,做3KV ESD测试时,ESD信号打到外壳的地时,ADS7830会锁死,怎么解决?


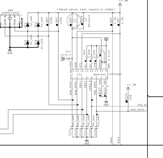
  • 我在用ADS7830做一个按键检测,在做3KV ESD测试时,ESD信号打到外壳的地时,ADS7830会锁死。当ESD信号撤销后,改变ADC的输入信号,输出都是干扰前的数据。以下是我做的一些测试:
    1. 在输入端对地我加了小电容(即C110,C111,C112,C113,C123,C128),没有效果。
    2. 在VDD和地之间靠近ADS7830处加了一个0.1uF 的电容,也没有效果。
    3. 在Vref对地和VDD对地间分别加了5V TVS管,也没有效果。
    请问还有什么办法能改善抗ESD干扰?以下是原理图供参考。--谢谢。
      

回帖(2)

胡少莹

2025-1-16 14:30:49

  • 我在用ADS7830做一个按键检测,在做3KV ESD测试时,ESD信号打到外壳的地时,ADS7830会锁死。当ESD信号撤销后,改变ADC的输入信号,输出都是干扰前的数据。以下是我做的一些测试:
    1. 在输入端对地我加了小电容(即C110,C111,C112,C113,C123,C128),没有效果。
    2. 在VDD和地之间靠近ADS7830处加了一个0.1uF 的电容,也没有效果。
    3. 在Vref对地和VDD对地间分别加了5V TVS管,也没有效果。
    请问还有什么办法能改善抗ESD干扰?以下是原理图供参考。--谢谢。
      
举报

李斌

2025-1-16 17:56:42
根据您的描述,您已经尝试了一些常见的抗ESD干扰措施,但仍然没有解决问题。以下是一些建议,您可以尝试进一步改善抗ESD干扰:

1. 增加ESD保护器件:在ADS7830的I/O引脚上增加ESD保护器件,如ESD二极管或ESD保护芯片。这些器件可以在ESD事件发生时迅速吸收电荷,保护内部电路。

2. 优化PCB布局:确保ADS7830的电源和地线尽可能短且宽,以减少电阻和电感。同时,尽量将敏感信号线远离可能产生干扰的线路,如电源线和地线。

3. 增加屏蔽:在ADS7830周围增加屏蔽层,以减少外部电磁干扰。可以使用金属屏蔽罩或导电胶布。

4. 优化电源设计:确保电源稳定性,使用低噪声电源,并在电源线上增加磁珠和电感以减少噪声。

5. 增加软件抗干扰措施:在软件中增加抗干扰措施,如在读取ADC值时增加去抖动处理,或者在检测到异常值时进行重试。

6. 考虑使用其他抗ESD性能更好的ADC芯片:如果以上措施仍然无法解决问题,可以考虑更换其他具有更好抗ESD性能的ADC芯片。

请注意,抗ESD设计是一个系统性问题,需要从硬件和软件两方面进行优化。希望这些建议能帮助您解决问题。
举报

更多回帖

发帖
×
20
完善资料,
赚取积分