IR公司的IR4302和IR4312集成了两路PWM控制器和数字音频MOSFET,组成高性能D类音频放器,其输出功率为100Wx2路(10%THD+N 4Ω 负载,带散热器),60Wx2路(10%THD+N 4Ω ,不带散热器),具有多种保护功能如过流保护(OCP),过压保护(OVP),欠压保护(UVP)和超温保护(OTP),主要用于家庭影院,PC音频系统,卡拉OK放大器,游戏控制器,扬声器系统和通用音频功率放大器。本文介绍了IR4302主要特性,功能方框图,典型应用电路以及采用IR4302的100W / 4欧姆x 2路D类音频功率放大器主要特性,电路图,材料清单和PCB布局图。
The IR4302, IR4312 integrates 2 channel PWM controller and digital audio MOSFETs forming a high performance Class D audio amplifier. As a result of fully optimized MOSFETs co-packed with a dedicated controller IC, the IR4302, IR4312 operates without mechanical heatsink attached in a typical music playback usage. High voltage ratings and noise immunity in the controller IC ensures reliable operation over various environmental conditions. A small 7x7 mm PQFN package enhances the benefit of smaller size of Class D topology. The IR4302, IR4312 are a lead-free, ROHS compliant.
IR4302主要特性:
2 channel integrated analog input Class D audio amplifier in a small 7 x 7 mm PQFN44 package
No mechanical heatsink required
High peak music power output
Split or single power supply
Differential or single-ended input
Over-current, over-temperature and under voltage protections with self-reset feature
Start/stop click noise reduction
Clip and Fault reporting outputs
High noise immunity
RoHS compliant
IR4302典型应用:
Home theatre systems
Docking station audio systems
PC audio systems
Musical instruments
Karaoke amplifiers
Game consoles
Powered speaker systems
General purpose audio power amplifiers

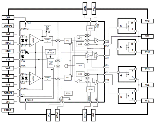
20120611111742885.gif
图1.IR4302功能方框图

20120611111742580.gif
图2.IR4302反相放大器连接图

20120611111742795.gif
图3.IR4302差分放大器连接图

20120611111742179.gif
图4.IR4302单电源连接图(反相放大器)
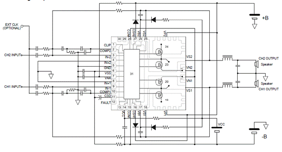
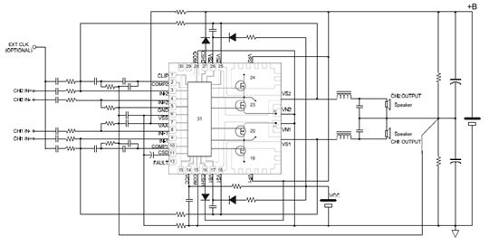
采用IR4302的100W / 4欧姆x 2路D类音频功率放大器

20120611111743420.gif
图5.100W / 4欧姆x 2路D类音频功率放大器IRAUDAMP17外形图
The IRAUDAMP17 reference design is a two-channel, 100W/ch (4 Ω/52V Bus voltage) half-bridge Class D audio power amplifier with single power supply. This reference design demonstrates how to use the IR4302 IC with single power supply, implement protection circuits, and design an optimum PCB layout using PowIRaudio integrated Class D IC. This reference design does not require additional heatsink or fan cooling for normal operation (one-eighth of continuous rated power).The reference design provides all the required housekeeping power supplies for ease of use. The twochannel design is scalable for power and the number of channels.
IRAUDAMP17主要特性:
Output Power: 100W x 2 channels (10%THD+N 4Ω load; with heatsink),
60W x 2 channels (10%THD+N 4Ω load; no heatsink),
Multiple Protection Features: Over-current protection (OCP), high side and low side
Over-voltage protection (OVP),
Under-voltage protection (UVP), high side and low side
Over-temperature protection (OTP)
PWM Modulator: Self-oscillating half-bridge topology
IRAUDAMP17应用:
AV receivers
Home theater systems
Mini component stereos
Powered speakers
Sub-woofers
Musical Instrument amplifiers
Car audio amplifiers
IRAUDAMP17主要指标:

20120611111743472.gif

2012061111174362.gif
图6.IRAUDAMP17电路图
IRAUDAMP17材料清单:

20120611111743810.gif

20120611111745497.gif

20120611111745346.gif
图7.IRAUDAMP17 PCB布局图:顶层

20120611111745298.gif
图8.IRAUDAMP17 PCB布局图:底层
详情请见:

ir4302[1].pdf(568.68 KB)2012-6-11 12:13 上传
-1
和

iraudamp17[1].pdf(683.43 KB)2012-6-11 12:13 上传
-1
IR公司的IR4302和IR4312集成了两路PWM控制器和数字音频MOSFET,组成高性能D类音频放器,其输出功率为100Wx2路(10%THD+N 4Ω 负载,带散热器),60Wx2路(10%THD+N 4Ω ,不带散热器),具有多种保护功能如过流保护(OCP),过压保护(OVP),欠压保护(UVP)和超温保护(OTP),主要用于家庭影院,PC音频系统,卡拉OK放大器,游戏控制器,扬声器系统和通用音频功率放大器。本文介绍了IR4302主要特性,功能方框图,典型应用电路以及采用IR4302的100W / 4欧姆x 2路D类音频功率放大器主要特性,电路图,材料清单和PCB布局图。
The IR4302, IR4312 integrates 2 channel PWM controller and digital audio MOSFETs forming a high performance Class D audio amplifier. As a result of fully optimized MOSFETs co-packed with a dedicated controller IC, the IR4302, IR4312 operates without mechanical heatsink attached in a typical music playback usage. High voltage ratings and noise immunity in the controller IC ensures reliable operation over various environmental conditions. A small 7x7 mm PQFN package enhances the benefit of smaller size of Class D topology. The IR4302, IR4312 are a lead-free, ROHS compliant.
IR4302主要特性:
2 channel integrated analog input Class D audio amplifier in a small 7 x 7 mm PQFN44 package
No mechanical heatsink required
High peak music power output
Split or single power supply
Differential or single-ended input
Over-current, over-temperature and under voltage protections with self-reset feature
Start/stop click noise reduction
Clip and Fault reporting outputs
High noise immunity
RoHS compliant
IR4302典型应用:
Home theatre systems
Docking station audio systems
PC audio systems
Musical instruments
Karaoke amplifiers
Game consoles
Powered speaker systems
General purpose audio power amplifiers

20120611111742885.gif
图1.IR4302功能方框图

20120611111742580.gif
图2.IR4302反相放大器连接图

20120611111742795.gif
图3.IR4302差分放大器连接图

20120611111742179.gif
图4.IR4302单电源连接图(反相放大器)
采用IR4302的100W / 4欧姆x 2路D类音频功率放大器

20120611111743420.gif
图5.100W / 4欧姆x 2路D类音频功率放大器IRAUDAMP17外形图
The IRAUDAMP17 reference design is a two-channel, 100W/ch (4 Ω/52V Bus voltage) half-bridge Class D audio power amplifier with single power supply. This reference design demonstrates how to use the IR4302 IC with single power supply, implement protection circuits, and design an optimum PCB layout using PowIRaudio integrated Class D IC. This reference design does not require additional heatsink or fan cooling for normal operation (one-eighth of continuous rated power).The reference design provides all the required housekeeping power supplies for ease of use. The twochannel design is scalable for power and the number of channels.
IRAUDAMP17主要特性:
Output Power: 100W x 2 channels (10%THD+N 4Ω load; with heatsink),
60W x 2 channels (10%THD+N 4Ω load; no heatsink),
Multiple Protection Features: Over-current protection (OCP), high side and low side
Over-voltage protection (OVP),
Under-voltage protection (UVP), high side and low side
Over-temperature protection (OTP)
PWM Modulator: Self-oscillating half-bridge topology
IRAUDAMP17应用:
AV receivers
Home theater systems
Mini component stereos
Powered speakers
Sub-woofers
Musical Instrument amplifiers
Car audio amplifiers
IRAUDAMP17主要指标:

20120611111743472.gif

2012061111174362.gif
图6.IRAUDAMP17电路图
IRAUDAMP17材料清单:

20120611111743810.gif

20120611111745497.gif

20120611111745346.gif
图7.IRAUDAMP17 PCB布局图:顶层

20120611111745298.gif
图8.IRAUDAMP17 PCB布局图:底层
详情请见:

ir4302[1].pdf(568.68 KB)2012-6-11 12:13 上传
-1
和

iraudamp17[1].pdf(683.43 KB)2012-6-11 12:13 上传
-1
举报