Microchip’s 32-bit portfolio with the MIPS® M4K® offers high performance microcontrollers, and all the tools needed to develop your embedded project. With free software, low cost development tools, and pin/peripheral compatibility from 16-bit product lines, PIC32 MCUs shorten time to market and allow your designs to grow. PIC32 gives your application the processing power, memory and peripherals your design needs!
PIC32M7xx系列主要特性:
High-Performance 32-bit RISC CPU:
• MIPS32® M4K® 32-bit core with 5-stage pipeline
• 80 MHz maximum frequency
• 1.56 DMIPS/MHz (Dhrystone 2.1) performance at zero Wait state Flash access
• Single-cycle multiply and high-performance divide unit
• MIPS16e® mode for up to 40% smaller code size
• Two sets of 32 core register files (32-bit) to reduce interrupt latency
• Prefetch Cache module to speed execution from Flash
Microcontroller Features:
• Operating voltage range of 2.3V to 3.6V
• 64K to 512K Flash memory (plus an additional 12 KB of Boot Flash)
• 16K to 128K SRAM memory
• Pin-compatible with most PIC24/dsPIC® DSC devices
• Multiple power management modes
• Multiple interrupt vectors with individually programmable priority
• Fail-Safe Clock Monitor mode
• Configurable Watchdog Timer with on-chip Low-Power RC oscillator for reliable operation
Peripheral Features:
• Atomic SET, CLEAR and INVERT operation on select peripheral registers
• Up to 8-channels of hardware DMA with automatic data size detection
• USB 2.0-compliant full-speed device and
On-The-Go (OTG) controller:
- Dedicated DMA channels
• 10/100 Mbps Ethernet MAC with MII and RMII interface:
- Dedicated DMA channels
• CAN module:
- 2.0B Active with DeviceNet™ addressing support
- Dedicated DMA channels
• 3 MHz to 25 MHz crystal oscillator
Peripheral Features (Continued):
• Internal 8 MHz and 32 kHz oscillators
• Six UART modules with:
- RS-232, RS-485 and LIN support
- IrDA® with on-chip hardware encoder and decoder
• Up to four SPI modules
• Up to five I2C™ modules
• Separate PLLs for CPU and USB clocks
• Parallel Master and Slave Port (PMP/PSP) with 8-bit and 16-bit data, and up to 16 address lines
• Hardware Real-Time Clock and Calendar (RTCC)
• Five 16-bit Timers/Counters (two 16-bit pairs combine to create two 32-bit timers)
• High-speed I/O pins capable of toggling at up to 80 MHz
• High-current sink/source (18 mA/18 mA) on all I/O pins
• Configurable open-drain output on digital I/O pins
Debug Features:
• Two programming and debugging Interfaces:
- 2-wire interface with unintrusive access and real-time data exchange with application
- 4-wire MIPS® standard enhanced Joint Test Action Group (JTAG) interface
• Unintrusive hardware-based instruction trace
• IEEE Standard 1149.2 compatible (JTAG) boundary scan
Analog Features:
• Up to 16-channel, 10-bit Analog-to-Digital Converter:
- 1 Msps conversion rate
- Conversion available during Sleep and Idle
• Two Analog Comparators
PIC32MX7系列应用:
High Impact Graphics/User Interfaces
Ethernet/USB/CAN/Connectivity
Multitasking Embedded Control
High Performance Audio
a8.gif
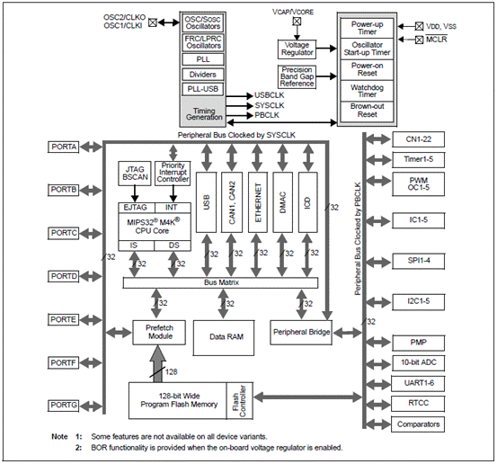
图1.PIC32M7xx系列框图
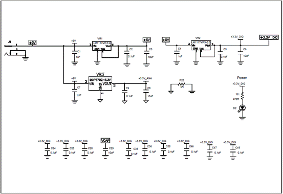
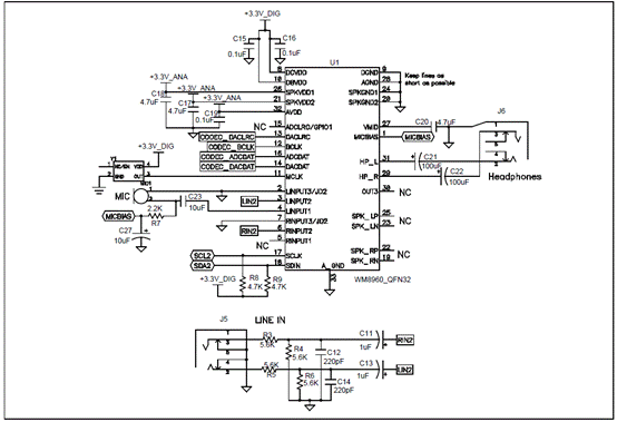
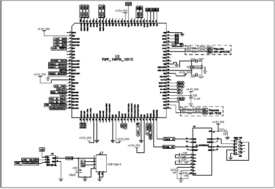
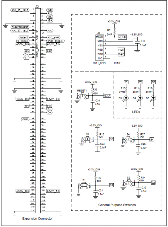
PIC32 MCU音频开发板
The Audio Development Board showcases a 16/32-bit audio development platform with a true 24-bit audio codec. In addition, the board also showcases the performance of PIC32 MCU/dsPIC33E DSC for complex audio algorithms.
PIC32 MCU音频开发板主要特性:
• High-performance MCU
• Wolfson WM8960 audio codec with up to 48 kHz sampling rate and up to 24-bit resolution
• Headphone out, Line-in jacks, and an on-board MIC
• TFT color display with 220x176 resolution
• PICtail™ Plus Connector
• General purpose user switches and LEDs 20120727101855237.gif
Microchip’s 32-bit portfolio with the MIPS® M4K® offers high performance microcontrollers, and all the tools needed to develop your embedded project. With free software, low cost development tools, and pin/peripheral compatibility from 16-bit product lines, PIC32 MCUs shorten time to market and allow your designs to grow. PIC32 gives your application the processing power, memory and peripherals your design needs!
PIC32M7xx系列主要特性:
High-Performance 32-bit RISC CPU:
• MIPS32® M4K® 32-bit core with 5-stage pipeline
• 80 MHz maximum frequency
• 1.56 DMIPS/MHz (Dhrystone 2.1) performance at zero Wait state Flash access
• Single-cycle multiply and high-performance divide unit
• MIPS16e® mode for up to 40% smaller code size
• Two sets of 32 core register files (32-bit) to reduce interrupt latency
• Prefetch Cache module to speed execution from Flash
Microcontroller Features:
• Operating voltage range of 2.3V to 3.6V
• 64K to 512K Flash memory (plus an additional 12 KB of Boot Flash)
• 16K to 128K SRAM memory
• Pin-compatible with most PIC24/dsPIC® DSC devices
• Multiple power management modes
• Multiple interrupt vectors with individually programmable priority
• Fail-Safe Clock Monitor mode
• Configurable Watchdog Timer with on-chip Low-Power RC oscillator for reliable operation
Peripheral Features:
• Atomic SET, CLEAR and INVERT operation on select peripheral registers
• Up to 8-channels of hardware DMA with automatic data size detection
• USB 2.0-compliant full-speed device and
On-The-Go (OTG) controller:
- Dedicated DMA channels
• 10/100 Mbps Ethernet MAC with MII and RMII interface:
- Dedicated DMA channels
• CAN module:
- 2.0B Active with DeviceNet™ addressing support
- Dedicated DMA channels
• 3 MHz to 25 MHz crystal oscillator
Peripheral Features (Continued):
• Internal 8 MHz and 32 kHz oscillators
• Six UART modules with:
- RS-232, RS-485 and LIN support
- IrDA® with on-chip hardware encoder and decoder
• Up to four SPI modules
• Up to five I2C™ modules
• Separate PLLs for CPU and USB clocks
• Parallel Master and Slave Port (PMP/PSP) with 8-bit and 16-bit data, and up to 16 address lines
• Hardware Real-Time Clock and Calendar (RTCC)
• Five 16-bit Timers/Counters (two 16-bit pairs combine to create two 32-bit timers)
• High-speed I/O pins capable of toggling at up to 80 MHz
• High-current sink/source (18 mA/18 mA) on all I/O pins
• Configurable open-drain output on digital I/O pins
Debug Features:
• Two programming and debugging Interfaces:
- 2-wire interface with unintrusive access and real-time data exchange with application
- 4-wire MIPS® standard enhanced Joint Test Action Group (JTAG) interface
• Unintrusive hardware-based instruction trace
• IEEE Standard 1149.2 compatible (JTAG) boundary scan
Analog Features:
• Up to 16-channel, 10-bit Analog-to-Digital Converter:
- 1 Msps conversion rate
- Conversion available during Sleep and Idle
• Two Analog Comparators
PIC32MX7系列应用:
High Impact Graphics/User Interfaces
Ethernet/USB/CAN/Connectivity
Multitasking Embedded Control
High Performance Audio
a8.gif
图1.PIC32M7xx系列框图
PIC32 MCU音频开发板
The Audio Development Board showcases a 16/32-bit audio development platform with a true 24-bit audio codec. In addition, the board also showcases the performance of PIC32 MCU/dsPIC33E DSC for complex audio algorithms.
PIC32 MCU音频开发板主要特性:
• High-performance MCU
• Wolfson WM8960 audio codec with up to 48 kHz sampling rate and up to 24-bit resolution
• Headphone out, Line-in jacks, and an on-board MIC
• TFT color display with 220x176 resolution
• PICtail™ Plus Connector
• General purpose user switches and LEDs 20120727101855237.gif