LS Research公司的TiWi-SL是高性能2.4 GHz 802.11 b/g WLAN模块,包括了必需的PHY,MAC和支持WLAN应用的网络层。模块和IEEE 802.11 b/g兼容,WLAN发送功率+19.0dBm或+15dBm,WLAN灵敏度为-85dBm或-70dBm,工作电压2.9V- 3.6V.主要用在HVAC控制,智能电网,传感器网络,医疗,家庭自动化和监测。本文介绍了TiWi-SL模块主要特性, 模块方框图,评估板电路图和材料清单以及片状天线和双极天线指标与相应的参考设计电路。
The TiWi-SL is a high performance 2.4 GHz WLAN module that contains an IP networking stack in a pre-certified footprint.
The module includes the necessary PHY, MAC, and network layers to support WLAN applications through a simple SPI connection to host microcontrollers or other embedded processors.
Need to get to market quickly? Not an expert in 802.11. Need a custom antenna? Would you like to own the design? Would you like a custom design? Not quite sure what you need? Do you need help with your host board? LS Research Design Services will be happy to develop custom hardware or software, or assist with integrating the design.
TiWi-SL模块主要特性:
• IEEE 802.11 b/g compliant.
• Typical WLAN Transmit Power: o +19.0 dBm, 11 Mbps, CCK (b)
o +15 dBm, 54 Mbps, OFDM (g)
• Typical WLAN Sensitivity: o - 85 dBm, 8% PER,11 Mbps
o -70 dBm, 10% PER, 54 Mbps
• Miniature footprint: 14 mm x 21 mm
• Low height profile: 2.3 mm
• Operating Voltage: 2.9V to 3.6V
• Operating temperature: -40 to +85o C
• Embedded network stack
• Wireless Security WEP, WPA Personal, WPA2 Personal
• Terminal for PCB/Chip antenna feeds
• Compact design based on Texas Instruments CC3000 transceiver
• SPI host interface
• Simple integration with microcontrollers and microprocessors
• Worldwide acceptance: FCC (USA), IC (Canada), and ETSI (Europe)
• RoHS compliant
• Streamlined development with LSR design services
TiWi-SL模块应用:
• HVAC Control, Smart Energy
• Sensor Networks
• Medical
• Home Automation
• Home Monitoring

20120221110110557.gif
图1.TiWi-SL模块方框图
TiWi-SL模块主要特性:
WLAN特性:
• IEEE802.11b/g compliant WLAN MAC Baseband Processor and RF transceiver
• IEEE Std 802.11d,i PICS compliant
• Supports serial debug interface
• Supports Serial Peripheral Interface (SPI) Host Interface
• Media Access Controller (MAC)
o Embedded ARM™ Central Processing Unit (CPU)
o Hardware-Based Encryption/Decryption Using 64-, 128-Bit WEP, TKIP or AES Keys,
o Supports requirements for Wireless Fidelity (Wi-Fi) Protected Access (WPA and WPA2.0) and IEEE
o Std 802.11i [Includes Hardware-Accelerated Advanced-Encryption Standard (AES)]
• Baseband Processor
• 2.4GHz Radio
o Digital Radio Processor (DRP) implementation
o Internal LNA
o Supports : IEEE Std 802.11b, 802.11g, 802.11b/g
Network Stack Supported Protocols
• Transport layer:
o TCP
o UDP
• Network layer:
o IPv4
o Ping
o DHCP
o DNS Client
• Link layer:
o ARP
无线安全系统特性:
• Supported modes:
o Open (no security)
o WEP
o WPA-personal
o WPA2-personal
• Supported encryption types:
o WEP
o TKIP
o AES
o Open
The purpose of this document is to provide details regarding the setup and use of the TiWi-SL module on an EM board. This document covers a description of the EM board and its features and a brief tutorial on how to operate the module EM board.
The TiWi-SL EM “Evaluation Module” Board is an evaluation platform for the LS Research TiWi-SL 802.11 b/g Wi-Fi module. Communication between the TiWi-SL module, which is a slave, and the host device is through an SPI interface.
The TiWi-SL EM Board contains an on board chip antenna, and is intended for evaluation purposes when used in conjunction with the Texas Instruments MSP-EXP430FR5739 Experimenter Board.

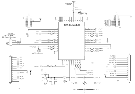
20120221110111276.gif
图2.实验板和TiWi-SL EM板外形图

20120221110113618.gif
图3.TiWi-SL EM板电路图
TiWi-SL EM板材料清单(BOM):

20120221110115373.gif
TIWI-SL天线设计指南
The purpose of this document is to provide details regarding the design and integration of certified antennas to the TiWi-SL module. It covers both a PCB mounted chip antenna as well as an externally mounted dipole antenna. It will inform the designer as to the required PCB layout details, and provide expected performance specifications.
片状天线指标:

20120221110117281.gif

2012022111012229.gif
图4.片状天线参考设计电路图
The LSR 001-0001 Dipole Antenna is used in conjunction with the LSR 080-0001 U.FL to Reverse Polarity SMA Cable, and the Hirose PCB mounted U.FL connector, to provide an externally mounted antenna solution for the LSR TiWi-SL Radio module.
双极天线指标:

2012022111012246.gif

20120221110123270.gif
图5.双极天线参考设计电路图
详情请见:

TiWi_SL_EM_Board_User_Guide.pdf(505.82 KB)2012-2-21 22:14 上传
-1
和

TiWi_SL_Datasheet.pdf(755.77 KB)2012-2-21 22:14 上传
-1
以及

TiWi_SL_Antenna_Design_Guide.pdf(1.25 MB)2012-2-21 22:14 上传
-1
LS Research公司的TiWi-SL是高性能2.4 GHz 802.11 b/g WLAN模块,包括了必需的PHY,MAC和支持WLAN应用的网络层。模块和IEEE 802.11 b/g兼容,WLAN发送功率+19.0dBm或+15dBm,WLAN灵敏度为-85dBm或-70dBm,工作电压2.9V- 3.6V.主要用在HVAC控制,智能电网,传感器网络,医疗,家庭自动化和监测。本文介绍了TiWi-SL模块主要特性, 模块方框图,评估板电路图和材料清单以及片状天线和双极天线指标与相应的参考设计电路。
The TiWi-SL is a high performance 2.4 GHz WLAN module that contains an IP networking stack in a pre-certified footprint.
The module includes the necessary PHY, MAC, and network layers to support WLAN applications through a simple SPI connection to host microcontrollers or other embedded processors.
Need to get to market quickly? Not an expert in 802.11. Need a custom antenna? Would you like to own the design? Would you like a custom design? Not quite sure what you need? Do you need help with your host board? LS Research Design Services will be happy to develop custom hardware or software, or assist with integrating the design.
TiWi-SL模块主要特性:
• IEEE 802.11 b/g compliant.
• Typical WLAN Transmit Power: o +19.0 dBm, 11 Mbps, CCK (b)
o +15 dBm, 54 Mbps, OFDM (g)
• Typical WLAN Sensitivity: o - 85 dBm, 8% PER,11 Mbps
o -70 dBm, 10% PER, 54 Mbps
• Miniature footprint: 14 mm x 21 mm
• Low height profile: 2.3 mm
• Operating Voltage: 2.9V to 3.6V
• Operating temperature: -40 to +85o C
• Embedded network stack
• Wireless Security WEP, WPA Personal, WPA2 Personal
• Terminal for PCB/Chip antenna feeds
• Compact design based on Texas Instruments CC3000 transceiver
• SPI host interface
• Simple integration with microcontrollers and microprocessors
• Worldwide acceptance: FCC (USA), IC (Canada), and ETSI (Europe)
• RoHS compliant
• Streamlined development with LSR design services
TiWi-SL模块应用:
• HVAC Control, Smart Energy
• Sensor Networks
• Medical
• Home Automation
• Home Monitoring

20120221110110557.gif
图1.TiWi-SL模块方框图
TiWi-SL模块主要特性:
WLAN特性:
• IEEE802.11b/g compliant WLAN MAC Baseband Processor and RF transceiver
• IEEE Std 802.11d,i PICS compliant
• Supports serial debug interface
• Supports Serial Peripheral Interface (SPI) Host Interface
• Media Access Controller (MAC)
o Embedded ARM™ Central Processing Unit (CPU)
o Hardware-Based Encryption/Decryption Using 64-, 128-Bit WEP, TKIP or AES Keys,
o Supports requirements for Wireless Fidelity (Wi-Fi) Protected Access (WPA and WPA2.0) and IEEE
o Std 802.11i [Includes Hardware-Accelerated Advanced-Encryption Standard (AES)]
• Baseband Processor
• 2.4GHz Radio
o Digital Radio Processor (DRP) implementation
o Internal LNA
o Supports : IEEE Std 802.11b, 802.11g, 802.11b/g
Network Stack Supported Protocols
• Transport layer:
o TCP
o UDP
• Network layer:
o IPv4
o Ping
o DHCP
o DNS Client
• Link layer:
o ARP
无线安全系统特性:
• Supported modes:
o Open (no security)
o WEP
o WPA-personal
o WPA2-personal
• Supported encryption types:
o WEP
o TKIP
o AES
o Open
The purpose of this document is to provide details regarding the setup and use of the TiWi-SL module on an EM board. This document covers a description of the EM board and its features and a brief tutorial on how to operate the module EM board.
The TiWi-SL EM “Evaluation Module” Board is an evaluation platform for the LS Research TiWi-SL 802.11 b/g Wi-Fi module. Communication between the TiWi-SL module, which is a slave, and the host device is through an SPI interface.
The TiWi-SL EM Board contains an on board chip antenna, and is intended for evaluation purposes when used in conjunction with the Texas Instruments MSP-EXP430FR5739 Experimenter Board.

20120221110111276.gif
图2.实验板和TiWi-SL EM板外形图

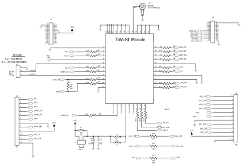
20120221110113618.gif
图3.TiWi-SL EM板电路图
TiWi-SL EM板材料清单(BOM):

20120221110115373.gif
TIWI-SL天线设计指南
The purpose of this document is to provide details regarding the design and integration of certified antennas to the TiWi-SL module. It covers both a PCB mounted chip antenna as well as an externally mounted dipole antenna. It will inform the designer as to the required PCB layout details, and provide expected performance specifications.
片状天线指标:

20120221110117281.gif

2012022111012229.gif
图4.片状天线参考设计电路图
The LSR 001-0001 Dipole Antenna is used in conjunction with the LSR 080-0001 U.FL to Reverse Polarity SMA Cable, and the Hirose PCB mounted U.FL connector, to provide an externally mounted antenna solution for the LSR TiWi-SL Radio module.
双极天线指标:

2012022111012246.gif

20120221110123270.gif
图5.双极天线参考设计电路图
详情请见:

TiWi_SL_EM_Board_User_Guide.pdf(505.82 KB)2012-2-21 22:14 上传
-1
和

TiWi_SL_Datasheet.pdf(755.77 KB)2012-2-21 22:14 上传
-1
以及

TiWi_SL_Antenna_Design_Guide.pdf(1.25 MB)2012-2-21 22:14 上传
-1
举报