随着全球能源危机的加剧,作为绿色环保交通工具的电动汽车将成为未来汽车发展的趋势。目前,我国已完成了电动大、中型客车的研究开发工作,在某些城市作为一种理想的日常公共交通工具已经投入示范运营。在城区繁华地带开通电动汽车公交线路,可以有效地解决汽车尾气排放和石油原材料紧缺等问题。因此,充电技术成为电动汽车发展的关键技术之一,研制大功率高频智能充电机用于构建电动公交车公共充电站具有重要意义。
充电机主电路采用移相控制ZVZCS PWM全桥变换器,在变压器副边加入电容C和两只二极管Dc、Dh,采用简单的辅助电路复位电流,实现了超前桥臂的ZVS和滞后桥臂的ZCS。
1 充电机主电路拓扑
传统的移相控制全桥软开关电路采用变压器漏感或原边串联电感和功率开关管的寄生电容的谐振实现零电压开关。而滞后桥臂主要依靠变压器漏感储能,导致滞后桥臂不易满足零电压开关的条件。本文采用了一种ZVZCS的电路拓扑结构,如图l所示。

Vs是单相或三相交流输入经过整流滤波后得到的直流电压,S1、S2、S3、S4是功率开关器件,C1、C3为超前桥臂的并联电容,Llk是变压器的漏感,T为变压器,D1、D2、D3、D4为续流二极管,辅助电路由钳位电容C和两只二极管Dc、Dh构成,Lo为输出滤波电感,Co为输出滤波电容。
首先S1、S4导通,原边向副边输出能量,钳位电容Cc被充电至最大值。关断S1,原边电流Ip给C1充电,给C3放电,由于C1的存在,S1为零电压关段,此时漏感和输出滤波电感Lo串联,共同提供能量;原边电压和副边电压均下降,当副边电压下降至箝位电容电压时,由于Cc的作用,使变压器副边电压下降速度比原边慢,导致电压差,作用于Llk使原边电流下降。C3放电至零,为S3提供零电压开通的条件。二次侧感应电压作用于Llk,加速了原边电流Ip的下降,直至Ip完全复位。开关切换方式为+1/0,0状态处于电流复位模式。箝位电容Cc提供负载电流,副边电压下降。Cc放电完全,整流二极管D1~D4全部导通续流,在续流期间由于原边电流已经复位,此时关段S4,开通S2,由于漏感Llk原边电流不能突变,S4零电流关段,S2零电流开通。
2 主电路工作过程分析
全桥变换器在半个周期内有9种工作状态,记为模式1~模式9。
2.1 模式1
S1、S4导通,原边电流流经S1、Llk、原边绕组、S4;副边电流流经D1、L。、R。、D4和副边绕组,Cc通过Dc、Co充电,输入侧向输出侧传递能量。将电路进行简化,如图3所示,由于输出滤波电感Lo与Llk相比较大,视为恒流源,等效电路如图4所示。

2.2 模式2
当cosωat=-1时,VCc(t)达到最大值,则sjmωat=o,Ip(t)=nIo,Ic(t)=0,二极管Dc关断,变压器副边电流流经D1、L。、Co、R。、D4和次边绕组,简化电路如图5所示。此时:

2.3 模式3
S1关断,原边电流从S1转移至C1和C3,给C1充电,给C3放电,简化电路如图6所示。由于C1的存在,S1是零电压关断。变压器原边漏感Llk和输出滤波电感L。串联,Llk值较小,Lo值较大,可视为原边电流Ip基本不变,Ip(t)=nIo。变压器原边电压Vab和整流桥输出电压Vrec以相同的斜率线性下降:

2.4 模式4
当整流桥输出电压Vrec线性降至箝位电压VCc=2(nVs-Vo)时,Dh导通,简化电路如图7所示。由于Cc远远大于C1+C3,则Cc保持两端电压不变,使整流桥输出电压比原边电压下降得慢,导致电压差作用于Llk,使原边电流Ip开始下降,等效电路如图8所示。

2.5 模式5
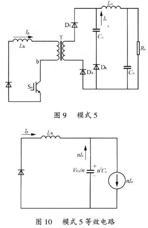
C3被放电到O,D3导通,简化电路如图9此时开通S3,由于D3的存在,S3为零电压开通。原边电压Vab=O。等效电路如图10所示。

此模态结束时,原边电流降为0,整流侧电压为Vβ。
2.6 模式6
原边电流复位到零,简化电路如图11所示。Cc提供负载电流,二次侧整流桥输出电压迅速下降,等效电路如图12所示。
此时,

2.7 模式7
Cc被放电到零,整流二极管D1~D4全部导通,负载电流通过整流二极管续流,简化电路如图13所示。在续流期间可以关段S2,此时S2为零电流关断。

2.8 模式8
开通S4,简化电路如图14所示。此时为零电流开通,由于漏感Llk的存在,原边电流不能突变,Ip线形增加,

在此时间内,整流电压仍然为0。

3 仿真和实验结果与结论
本文采用电力电子专用的saber仿真软件建立模型并仿真,仿真参数如下:

仿真波形为如图15所示。

实验系统中380 V三相交流经整流供给直流电压,充电机,纯电阻负载,示波器构成。变压器原边电压、原边电流、副边整流输出电压的测试波形如图16和图17所示。
图16为在输入电压508V时,原边电流Ip和原边电压Uba(-Uab)的波形。
图17为输入电压508V时,原边电流Ip和变压器副边整流桥输出电压Vrec波形。所研制的电动汽车充电机采用全桥变换器,通过变压器副边加箝位电容和续流二极管复位主电流,使主电路的功率开关器件工作在零电压和零电流状态下。减低了开关损耗,实现了电源的软开关。
随着全球能源危机的加剧,作为绿色环保交通工具的电动汽车将成为未来汽车发展的趋势。目前,我国已完成了电动大、中型客车的研究开发工作,在某些城市作为一种理想的日常公共交通工具已经投入示范运营。在城区繁华地带开通电动汽车公交线路,可以有效地解决汽车尾气排放和石油原材料紧缺等问题。因此,充电技术成为电动汽车发展的关键技术之一,研制大功率高频智能充电机用于构建电动公交车公共充电站具有重要意义。
充电机主电路采用移相控制ZVZCS PWM全桥变换器,在变压器副边加入电容C和两只二极管Dc、Dh,采用简单的辅助电路复位电流,实现了超前桥臂的ZVS和滞后桥臂的ZCS。
1 充电机主电路拓扑
传统的移相控制全桥软开关电路采用变压器漏感或原边串联电感和功率开关管的寄生电容的谐振实现零电压开关。而滞后桥臂主要依靠变压器漏感储能,导致滞后桥臂不易满足零电压开关的条件。本文采用了一种ZVZCS的电路拓扑结构,如图l所示。

Vs是单相或三相交流输入经过整流滤波后得到的直流电压,S1、S2、S3、S4是功率开关器件,C1、C3为超前桥臂的并联电容,Llk是变压器的漏感,T为变压器,D1、D2、D3、D4为续流二极管,辅助电路由钳位电容C和两只二极管Dc、Dh构成,Lo为输出滤波电感,Co为输出滤波电容。
首先S1、S4导通,原边向副边输出能量,钳位电容Cc被充电至最大值。关断S1,原边电流Ip给C1充电,给C3放电,由于C1的存在,S1为零电压关段,此时漏感和输出滤波电感Lo串联,共同提供能量;原边电压和副边电压均下降,当副边电压下降至箝位电容电压时,由于Cc的作用,使变压器副边电压下降速度比原边慢,导致电压差,作用于Llk使原边电流下降。C3放电至零,为S3提供零电压开通的条件。二次侧感应电压作用于Llk,加速了原边电流Ip的下降,直至Ip完全复位。开关切换方式为+1/0,0状态处于电流复位模式。箝位电容Cc提供负载电流,副边电压下降。Cc放电完全,整流二极管D1~D4全部导通续流,在续流期间由于原边电流已经复位,此时关段S4,开通S2,由于漏感Llk原边电流不能突变,S4零电流关段,S2零电流开通。
2 主电路工作过程分析
全桥变换器在半个周期内有9种工作状态,记为模式1~模式9。
2.1 模式1
S1、S4导通,原边电流流经S1、Llk、原边绕组、S4;副边电流流经D1、L。、R。、D4和副边绕组,Cc通过Dc、Co充电,输入侧向输出侧传递能量。将电路进行简化,如图3所示,由于输出滤波电感Lo与Llk相比较大,视为恒流源,等效电路如图4所示。

2.2 模式2
当cosωat=-1时,VCc(t)达到最大值,则sjmωat=o,Ip(t)=nIo,Ic(t)=0,二极管Dc关断,变压器副边电流流经D1、L。、Co、R。、D4和次边绕组,简化电路如图5所示。此时:

2.3 模式3
S1关断,原边电流从S1转移至C1和C3,给C1充电,给C3放电,简化电路如图6所示。由于C1的存在,S1是零电压关断。变压器原边漏感Llk和输出滤波电感L。串联,Llk值较小,Lo值较大,可视为原边电流Ip基本不变,Ip(t)=nIo。变压器原边电压Vab和整流桥输出电压Vrec以相同的斜率线性下降:

2.4 模式4
当整流桥输出电压Vrec线性降至箝位电压VCc=2(nVs-Vo)时,Dh导通,简化电路如图7所示。由于Cc远远大于C1+C3,则Cc保持两端电压不变,使整流桥输出电压比原边电压下降得慢,导致电压差作用于Llk,使原边电流Ip开始下降,等效电路如图8所示。

2.5 模式5
C3被放电到O,D3导通,简化电路如图9此时开通S3,由于D3的存在,S3为零电压开通。原边电压Vab=O。等效电路如图10所示。

此模态结束时,原边电流降为0,整流侧电压为Vβ。
2.6 模式6
原边电流复位到零,简化电路如图11所示。Cc提供负载电流,二次侧整流桥输出电压迅速下降,等效电路如图12所示。
此时,

2.7 模式7
Cc被放电到零,整流二极管D1~D4全部导通,负载电流通过整流二极管续流,简化电路如图13所示。在续流期间可以关段S2,此时S2为零电流关断。

2.8 模式8
开通S4,简化电路如图14所示。此时为零电流开通,由于漏感Llk的存在,原边电流不能突变,Ip线形增加,

在此时间内,整流电压仍然为0。

3 仿真和实验结果与结论
本文采用电力电子专用的saber仿真软件建立模型并仿真,仿真参数如下:

仿真波形为如图15所示。

实验系统中380 V三相交流经整流供给直流电压,充电机,纯电阻负载,示波器构成。变压器原边电压、原边电流、副边整流输出电压的测试波形如图16和图17所示。
图16为在输入电压508V时,原边电流Ip和原边电压Uba(-Uab)的波形。
图17为输入电压508V时,原边电流Ip和变压器副边整流桥输出电压Vrec波形。所研制的电动汽车充电机采用全桥变换器,通过变压器副边加箝位电容和续流二极管复位主电流,使主电路的功率开关器件工作在零电压和零电流状态下。减低了开关损耗,实现了电源的软开关。
举报