1 引言
近20年来电力电子技术得到了飞速的发展,已广泛应用到电力、冶金、化工、煤炭、通讯、家电等领域。电力电子装置多数通过整流器与电力网接口,经典的整流器是由二极管或晶闸管组成的一个非线性电路,在电网中产生大量电流谐波和无功污染了电网,成为电力公害。电力电子装置已成为电网最主要的谐波源之一。抑制电力电子装置产生谐波的方法主要有两种,一是被动方式,即采用无源滤波或有源滤波电路来旁路或滤除谐波;另一种是主动式的方法,即设计新一代高性能整流器,它具有输入电流为正弦波、谐波含量低、功率因数高的特点,即具有功率因数校正功能。因此近年来功率因数校正(PFC)电路得到了很大的发展,成为电力电子学研究的重要方向之一。而在功率因数校正器中辅助电路对其安全正常工作至关重要,辅助电路能够防止从电网传入电磁噪声,抑制装置产生的电磁噪声返回电网,抑制过大的起动冲击电流,消除浪涌噪声干扰等。由此可见,功率因数校正器中辅助电路设计的好坏将直接影响功率因数校正器的效能,因此,对于辅助电路的设计不容忽视。
2 主要技术指标
该功率因数校正器的主要技术指标为:
1) 输入:单相AC220V±20%,即176V“264V,频率为50HZ±5%;
2) 输出:DC400V,负载在10% ”100%间变化时,电压调整率小于1%,输出功率为3KW;
3) 满载输出时,功率因数大于0.99,效率大于80%。
3 辅助电路的设计
辅助电路的设计包括:
1.EMI滤波电路;
2.起动电流抑制电路;
3.开关的浪涌吸收保护电路;
4.开关管的驱动保护电路。
3.1 EMI滤波电路的选择
输入EMI滤波电路的作用有两方面:第一,防止从电网传入电磁噪声,对装置形成干扰;第二,抑制装置产生的电磁噪声返回电网,造成电网公害。
所谓的EMI(Electro-Magnetic Interference)是指电磁干扰,包括传导干扰和辐射干扰两种形式。在本设计中,由于辐射干扰比传导干扰小得多,而且容易抑制,所以主要考虑对传导干扰的滤除。传导干扰分为共模干扰和差模干扰两种,共模干扰是相线与大地之间的干扰信号;差模干扰是在相线之间,与输入功率通道相同的干扰信号。
目前市面上已有很多EMI滤波器成品,但基本上都是针对共模干扰信号设计的,差模干扰抑制效果很差。本设计中,由于高次谐波含量较大,需要差模干扰抑制效果较好,因此市面上的EMI滤波器均不能满足其要求,需要设计适当的EMI滤波器。

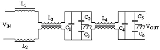
图1 EMI滤波电路原理图
本设计中的EMI滤波电路如图1所示,L1、L2为差模干扰抑制电感,L3、L4为共模干扰抑制电感,C1、C4为差模干扰滤除电容,C2、C3、C5、C6为共模干扰信号滤除电容。在设计中应注意使EMI电路的电容电感谐振频率低于升压斩波工作频率。
电感L1、L2与电容 C1、C4构成一个低通滤波器。由于电感对工频信号阻抗很小,电容对工频信号的阻抗很大,因此对工频信号基本没有影响;对于高频信号电感的阻抗很大,电容的阻抗很小,所以高频的干扰信号通过电容形成的回路而消除。电感值一般在几十微亨至几毫亨,在体积允许的前提下,应尽量取得大一些。电容容量一般应在几千微微法至零点几微法。
上述电路虽然对高频差模干扰信号能起较好的滤波作用,但对流向为同一方向的共模干扰信号无法滤除。为了滤除共模干扰信号,利用L3、L4和 C2、C3、C5、C6形成共模干扰抑制电路。共模电感采用两条输入线在铁芯上并绕,因此负载电流产生的磁通相互抵消,而共模干扰信号产生的磁通则相互叠加。所以该电感对负载电流不起作用,对共模干扰信号呈现高阻抗。通过电容将共模干扰信号引入大地。共模电感一般应在几十微亨到几毫亨之间,在体积允许的前提下,应尽量取得大一些,以提高抑制效果。电容容量一般应在几千微微法到零点几微法。
差模电感L1、L2流过的电流为负载电流,为了防止铁芯饱和,选用导磁率比较低的材料作为铁芯,在本设计中选用铁粉芯作为铁芯。共模电感L3、L4只对共模干扰信号起作用,所以不存在铁芯饱和问题,因此可以采用导磁率高的材料作为铁芯,在本设计中采用铁氧体作为铁芯。电容C1、C4接在输入线之间,所承受的最大电压是最大输入电压,因此选用250V的交流电容。电容C2、C3、C5、C6接在输入线与大地之间,为了防止高压击穿,这几个电容的耐压应选择的比较高,本设计中选用耐压为4KV的高压瓷片电容。
具体的参数分别为:L1、L2均为100uH,L3为2.8mH,L4为7.8mH,C1、C4均为2.2uF,C2、C3均为0.01uF,C5、C6均为0.0047uF。
3.2 起动电流抑制电路
开关电源一般采用电容输入型回路,在起动的瞬间,交流输入电压通过整流器对电容器进行充电。由于电容器的等效串联阻抗很小,并且通常采用多个电容器并联使用,使得其阻抗更小;因此起动冲击电流很大。为了对输入回路的断路器、输入熔断器、整流器等进行保护,同时减小对其它电子设备的不良影响,需要在起动时设置冲击电流抑制电路。

图2 起动电流抑制电路
在交流输入为网高压、相位为900时,冲击电流出现最大值。应把冲击电流抑制在多大范围内,并无具体规定。因此主要应视具体情况来选择电路参数。冲击电流抑制回路如图2(a)所示,其中,R为接入的冲击电流抑制电阻,Relay为继电器的常开点。起动时,由于起动电阻串接在输入回路中,可把冲击电流限制到我们所希望的范围内。当电容器充有足够的电压、认为起动过程可以结束时,通过继电器Relay将电阻R旁路(短接),电路正常工作。本设计中,最大输入电压为264伏。等效负载电阻为:

若接入的电阻,则可把起动电流限制到负载电流的水平,则起动过程是相当安全的。但由于调节器的输入电容较大(6000uF),则输入电容结束充电的时间长,一般为(3“5)RC,取4RC=1.3秒,加上继电器控制电路的延时;则起动电阻的实际投入时间会超过2秒,若起动过程的平均电流为4安,则 电阻的功耗峰值为848W,2秒的起动过程会产生1600焦耳以上的热量。因此要选择功耗很大的电阻器,尺寸也会很大,这是令人难以接受的,也是不现实的。为此,应选择阻值更大的电阻器,而阻值加大,结束起动过程随之延长,仍难令人满意。因止在抑制电阻回路中再串入一个负温度系数的热敏电阻NTCR,见图2(b)。一方面,在起动过程刚开始时,电路有较强的抑流能力;另一方面,随着起动过程的进行,负温度系数电阻的阻值下降,使电容器的充电电流又不至于太小,起动过程不至过长。
3.3 开关浪涌吸收保护电路
本应用中的开关元件选择为IGBT模块。IGBT是一种电压控制的大功率高速可自关断的电力电子元件。它属于复合型器件,由MOSFET和晶体管构成达林顿结构。IGBT与其它功率开关一样,在开关管关断时,由于主回路电流的急剧下降,主回路存在的寄生电感将会引起很高的集源电压,称为开关浪涌电压。开关浪涌电压的峰值很高,可达常态电压的两倍。这样高的浪涌电压就可能使IGBT超过其安全工作区,导致 IGBT损坏,另外它也是产生噪声的一个原因。

图3 吸收电路原理图
抑制浪涌电压的有效措施是采用吸收电路,电路如图3所示。吸收电路的原理是:当开关管关断时,蓄积在寄生电感中的能量通过开关的寄生电容(图中未画出)充电,开关电压上升;当此电压上升到吸收电容C的电压与输出电压之和时,吸收二极管导通。由于电容器的电压不能突变,因此开关的电压上升率被限制。
3.4 开关管的驱动保护电路
栅极驱动电路的设计是否合理,是IGBT实际应用中的一个重要问题。IGBT驱动电路形式一般有三种:直接驱动型、隔离驱动型和集成模块驱动型。
在电路设计中最好选用专用芯片,因为专用芯片都带有比较完善的保护功能,可靠性高,只需很少的外围元件,使用方便。目前市场上已有很多专用芯片,如美国MOTOROLA公司的MPD系列、日本东芝公司的TK系列、日本富士公司的EXB系列等。在本设计中,选用富士公司的EXB840,它能驱动75A、1200V的IGBT管,加直流20V作为集成块的工作电源。开关管频率在40KHZ以下,整个驱动电路动作快,信号延时不超过1.5毫秒。内部利用稳压二极管产生的负5伏电压,除供内部使用外,还为外部提供负偏压。集成块采用高速光耦输入隔离,并有过流检测及过载慢速关栅等功能。

图4 IGBT驱动电路
图4为具有过流检测,软管端的驱动电路图。该驱动电路的工作原理是:输入信号经反相器进入14脚,输出驱动信号从3脚输出。当IGBT出现过流时,5脚出现低电平,光耦SOI有输出,对PWM信号提供一个封锁信号,该信号使驱动脉冲转化为一系列窄脉冲,对EXB840实行软关断。
4 结语
辅助电路对于变换器的安全正常工作非常重要,因此,对于辅助电路的设计不容忽视。本文对功率因数校正器辅助电路中的滤波电路设计、起动电流抑制电路的设计和开关的浪涌吸收保护电路的设计进行了分析,实验结果达到了预期的主要技术指标要求。
1 引言
近20年来电力电子技术得到了飞速的发展,已广泛应用到电力、冶金、化工、煤炭、通讯、家电等领域。电力电子装置多数通过整流器与电力网接口,经典的整流器是由二极管或晶闸管组成的一个非线性电路,在电网中产生大量电流谐波和无功污染了电网,成为电力公害。电力电子装置已成为电网最主要的谐波源之一。抑制电力电子装置产生谐波的方法主要有两种,一是被动方式,即采用无源滤波或有源滤波电路来旁路或滤除谐波;另一种是主动式的方法,即设计新一代高性能整流器,它具有输入电流为正弦波、谐波含量低、功率因数高的特点,即具有功率因数校正功能。因此近年来功率因数校正(PFC)电路得到了很大的发展,成为电力电子学研究的重要方向之一。而在功率因数校正器中辅助电路对其安全正常工作至关重要,辅助电路能够防止从电网传入电磁噪声,抑制装置产生的电磁噪声返回电网,抑制过大的起动冲击电流,消除浪涌噪声干扰等。由此可见,功率因数校正器中辅助电路设计的好坏将直接影响功率因数校正器的效能,因此,对于辅助电路的设计不容忽视。
2 主要技术指标
该功率因数校正器的主要技术指标为:
1) 输入:单相AC220V±20%,即176V“264V,频率为50HZ±5%;
2) 输出:DC400V,负载在10% ”100%间变化时,电压调整率小于1%,输出功率为3KW;
3) 满载输出时,功率因数大于0.99,效率大于80%。
3 辅助电路的设计
辅助电路的设计包括:
1.EMI滤波电路;
2.起动电流抑制电路;
3.开关的浪涌吸收保护电路;
4.开关管的驱动保护电路。
3.1 EMI滤波电路的选择
输入EMI滤波电路的作用有两方面:第一,防止从电网传入电磁噪声,对装置形成干扰;第二,抑制装置产生的电磁噪声返回电网,造成电网公害。
所谓的EMI(Electro-Magnetic Interference)是指电磁干扰,包括传导干扰和辐射干扰两种形式。在本设计中,由于辐射干扰比传导干扰小得多,而且容易抑制,所以主要考虑对传导干扰的滤除。传导干扰分为共模干扰和差模干扰两种,共模干扰是相线与大地之间的干扰信号;差模干扰是在相线之间,与输入功率通道相同的干扰信号。
目前市面上已有很多EMI滤波器成品,但基本上都是针对共模干扰信号设计的,差模干扰抑制效果很差。本设计中,由于高次谐波含量较大,需要差模干扰抑制效果较好,因此市面上的EMI滤波器均不能满足其要求,需要设计适当的EMI滤波器。

图1 EMI滤波电路原理图
本设计中的EMI滤波电路如图1所示,L1、L2为差模干扰抑制电感,L3、L4为共模干扰抑制电感,C1、C4为差模干扰滤除电容,C2、C3、C5、C6为共模干扰信号滤除电容。在设计中应注意使EMI电路的电容电感谐振频率低于升压斩波工作频率。
电感L1、L2与电容 C1、C4构成一个低通滤波器。由于电感对工频信号阻抗很小,电容对工频信号的阻抗很大,因此对工频信号基本没有影响;对于高频信号电感的阻抗很大,电容的阻抗很小,所以高频的干扰信号通过电容形成的回路而消除。电感值一般在几十微亨至几毫亨,在体积允许的前提下,应尽量取得大一些。电容容量一般应在几千微微法至零点几微法。
上述电路虽然对高频差模干扰信号能起较好的滤波作用,但对流向为同一方向的共模干扰信号无法滤除。为了滤除共模干扰信号,利用L3、L4和 C2、C3、C5、C6形成共模干扰抑制电路。共模电感采用两条输入线在铁芯上并绕,因此负载电流产生的磁通相互抵消,而共模干扰信号产生的磁通则相互叠加。所以该电感对负载电流不起作用,对共模干扰信号呈现高阻抗。通过电容将共模干扰信号引入大地。共模电感一般应在几十微亨到几毫亨之间,在体积允许的前提下,应尽量取得大一些,以提高抑制效果。电容容量一般应在几千微微法到零点几微法。
差模电感L1、L2流过的电流为负载电流,为了防止铁芯饱和,选用导磁率比较低的材料作为铁芯,在本设计中选用铁粉芯作为铁芯。共模电感L3、L4只对共模干扰信号起作用,所以不存在铁芯饱和问题,因此可以采用导磁率高的材料作为铁芯,在本设计中采用铁氧体作为铁芯。电容C1、C4接在输入线之间,所承受的最大电压是最大输入电压,因此选用250V的交流电容。电容C2、C3、C5、C6接在输入线与大地之间,为了防止高压击穿,这几个电容的耐压应选择的比较高,本设计中选用耐压为4KV的高压瓷片电容。
具体的参数分别为:L1、L2均为100uH,L3为2.8mH,L4为7.8mH,C1、C4均为2.2uF,C2、C3均为0.01uF,C5、C6均为0.0047uF。
3.2 起动电流抑制电路
开关电源一般采用电容输入型回路,在起动的瞬间,交流输入电压通过整流器对电容器进行充电。由于电容器的等效串联阻抗很小,并且通常采用多个电容器并联使用,使得其阻抗更小;因此起动冲击电流很大。为了对输入回路的断路器、输入熔断器、整流器等进行保护,同时减小对其它电子设备的不良影响,需要在起动时设置冲击电流抑制电路。

图2 起动电流抑制电路
在交流输入为网高压、相位为900时,冲击电流出现最大值。应把冲击电流抑制在多大范围内,并无具体规定。因此主要应视具体情况来选择电路参数。冲击电流抑制回路如图2(a)所示,其中,R为接入的冲击电流抑制电阻,Relay为继电器的常开点。起动时,由于起动电阻串接在输入回路中,可把冲击电流限制到我们所希望的范围内。当电容器充有足够的电压、认为起动过程可以结束时,通过继电器Relay将电阻R旁路(短接),电路正常工作。本设计中,最大输入电压为264伏。等效负载电阻为:

若接入的电阻,则可把起动电流限制到负载电流的水平,则起动过程是相当安全的。但由于调节器的输入电容较大(6000uF),则输入电容结束充电的时间长,一般为(3“5)RC,取4RC=1.3秒,加上继电器控制电路的延时;则起动电阻的实际投入时间会超过2秒,若起动过程的平均电流为4安,则 电阻的功耗峰值为848W,2秒的起动过程会产生1600焦耳以上的热量。因此要选择功耗很大的电阻器,尺寸也会很大,这是令人难以接受的,也是不现实的。为此,应选择阻值更大的电阻器,而阻值加大,结束起动过程随之延长,仍难令人满意。因止在抑制电阻回路中再串入一个负温度系数的热敏电阻NTCR,见图2(b)。一方面,在起动过程刚开始时,电路有较强的抑流能力;另一方面,随着起动过程的进行,负温度系数电阻的阻值下降,使电容器的充电电流又不至于太小,起动过程不至过长。
3.3 开关浪涌吸收保护电路
本应用中的开关元件选择为IGBT模块。IGBT是一种电压控制的大功率高速可自关断的电力电子元件。它属于复合型器件,由MOSFET和晶体管构成达林顿结构。IGBT与其它功率开关一样,在开关管关断时,由于主回路电流的急剧下降,主回路存在的寄生电感将会引起很高的集源电压,称为开关浪涌电压。开关浪涌电压的峰值很高,可达常态电压的两倍。这样高的浪涌电压就可能使IGBT超过其安全工作区,导致 IGBT损坏,另外它也是产生噪声的一个原因。

图3 吸收电路原理图
抑制浪涌电压的有效措施是采用吸收电路,电路如图3所示。吸收电路的原理是:当开关管关断时,蓄积在寄生电感中的能量通过开关的寄生电容(图中未画出)充电,开关电压上升;当此电压上升到吸收电容C的电压与输出电压之和时,吸收二极管导通。由于电容器的电压不能突变,因此开关的电压上升率被限制。
3.4 开关管的驱动保护电路
栅极驱动电路的设计是否合理,是IGBT实际应用中的一个重要问题。IGBT驱动电路形式一般有三种:直接驱动型、隔离驱动型和集成模块驱动型。
在电路设计中最好选用专用芯片,因为专用芯片都带有比较完善的保护功能,可靠性高,只需很少的外围元件,使用方便。目前市场上已有很多专用芯片,如美国MOTOROLA公司的MPD系列、日本东芝公司的TK系列、日本富士公司的EXB系列等。在本设计中,选用富士公司的EXB840,它能驱动75A、1200V的IGBT管,加直流20V作为集成块的工作电源。开关管频率在40KHZ以下,整个驱动电路动作快,信号延时不超过1.5毫秒。内部利用稳压二极管产生的负5伏电压,除供内部使用外,还为外部提供负偏压。集成块采用高速光耦输入隔离,并有过流检测及过载慢速关栅等功能。

图4 IGBT驱动电路
图4为具有过流检测,软管端的驱动电路图。该驱动电路的工作原理是:输入信号经反相器进入14脚,输出驱动信号从3脚输出。当IGBT出现过流时,5脚出现低电平,光耦SOI有输出,对PWM信号提供一个封锁信号,该信号使驱动脉冲转化为一系列窄脉冲,对EXB840实行软关断。
4 结语
辅助电路对于变换器的安全正常工作非常重要,因此,对于辅助电路的设计不容忽视。本文对功率因数校正器辅助电路中的滤波电路设计、起动电流抑制电路的设计和开关的浪涌吸收保护电路的设计进行了分析,实验结果达到了预期的主要技术指标要求。
举报