Cirrus公司的CS5484是高精度四路能量测量模拟前端(AFE),每路集成了4阶24位Delta-Sigma模数转换器(ADC),基准电路,并提供EXL信号处理核,以进行有用、无用和表观功率测量。支持并联电阻,CT和Rogowski线圈电流传感器,动态范围4000:1的能量测量精度0.1%,动态范围1000:1的电流RMS测量精度0.1%,单电源3.3V工作,功耗低于13mW。
计算输出是通过一个可配置的能量脉冲,或通过直接UART/ SPI串行访问片上寄存器。瞬时电流、电压和功率的测量,也可通过串口。提供多个串行选项,以增加客户的灵活性。 SPI提供更高的速度,和2线UART,最大限度地减少了所需隔离的成本。
四个可配置的数字输出提供能量脉冲、过零、能源方向和中断功能。在多种条件下可以产生中断,包括电压骤降或骤升和过流等等。通过校验和写保护来保证片上寄存器的整合性。CS5484可以与各种电压和电流传感器连接,包括分流电阻器,电流互感器,Rogowski线圈。其片上功能使得数字校准简单易行,和超级快速,减少了客户生产线所需的时间。其低漂移片上基准电压确保了温度性能。该器件需要一个单一的3.3V电源,功耗低于13mW。为了尽量减少空间需求,CS5484的封装为低成本的5mm x 5mm28引脚QFN封装。
CS5484主要特性
•较好的模拟性能与超低的噪声水平和 高信噪比
•能源测量精度为0.1%(4000:1动态范围内)
•电流RMS测量精度为0.1%(1000:1的动态范围)
• 4个独立的24位四阶Delta-Sigma调制器用于电压和电流测量
• 4个可配置数字输出用于能量脉冲,过零,或能源方向
•支持分流电阻,CT和Rogowski线圈电流传感器
•片上测量/计算:
–有功,无功,视在功率
– RMS电压和电流
–功率因数和线路频率
–瞬时电压,电流和电源
–过电流,电压骤降,电压膨胀检测
–超快速芯片的数字校准
–通过校验码的内部寄存器保护和写保护的UART/ SPI串行接口
–片上温度传感器
–片上电压参考(25 PPM/℃典型值)
• 3.3V单电源供电
•超细相位补偿
•低功耗:《13mW
•电源配置
- GNDA = GNDD = 0 V, VDDA = +3.3 V
• 5mm×5mm的28引脚QFN封装
CDB5484/80/90U 评估板
多个模拟输入连接选项,配置输入滤波器,直接和孤立的数字接口,多种电源选项,板上可编程微控制器,以及与视觉LED液晶显示面板。该板是一个灵活,强大的客户开发工具,可用于各种功率/电能计量应用。GUI软件提供简单而完整的访问和控制板载CS5484设备。包括原始ADC数据采集与时域功能、频域和直方图分析。该板被分成两个主要部分,为模拟和数字。模拟部分包括CS5484,无源抗混叠滤波器和高电压部分及衰减电阻网络。数字部分包括,C8051F342单片机,液晶显示器,硬件测试开关,复位电路,USB接口。该板还具有一个用户友好的电源连接。
CDB5484U评估板主要特性
•单机功率计应用
•电压和电流接口
•低和高电压的传感器连接
•板上可调传感器过滤器
•与PC的USB通信
• UART / SPI光隔离通信
•板上C8051F342微控制器
•单电源USB或5V供电
•板上DC / DC转换器和稳压器
• LCD电源监视器显示
• LabWindows/CVI的GUI软件
•全寄存器设置和芯片控制
•简化寄存器
•快速校准控制
• FFT分析
•时域分析
•噪声直方图分析
•参考电压访问
详情请见:
http://solution.eccn.com/solution_2012020811065884.htm
解决方案

图1 CS5484方框图

图2 CS5484典型连接框图(单相三线I2S电表)

图3 CDB5484U评估板方框图
Cirrus公司的CS5484是高精度四路能量测量模拟前端(AFE),每路集成了4阶24位Delta-Sigma模数转换器(ADC),基准电路,并提供EXL信号处理核,以进行有用,无用和表观功率测量。支持并联电阻,CT和Rogowski线圈电流传感器,动态范围4000:1的能量测量精度0.1%,动态范围1000:1的电流RMS测量精度0.1%,单电源3.3V工作,功耗低于13mW.本文介绍了CS5484主要特性,方框图, 单相三线I2S电表的典型连接框图,以及CDB5484U评估板主要特性,框图,采用CDB5484U评估板的并联传感器, 电流变压器和Rogowski线圈电流传感器的电表框图,评估板电路图,材料清单以及PCB元件布局图与走线图。
The CS5484 is a high-accuracy, four-channel, energy measurement analog front end.
The CS5484 incorporates independent 4th order Delta-Sigma analog-to-digital converters for every channel, reference circuitry, and the proven EXL signal processing core to provide active, reactive, and apparent energy measurement. In addition, RMS and power factor calculations are available.
Calculations are output through a configurable energy pulse, or direct UART/SPI™ serial access to on-chip registers. Instantaneous current, voltage, and power measurements are also available over the serial port. Multiple serial options are offered to allow customer flexibility. The SPI provides higher speed, and the 2-wire UART minimizes the cost of isolation where required.
Four configurable digital outputs provide energy pulses, zero-crossing, energy direction, and interrupt functions. Interrupts can be generated for a variety of conditions including voltage sag or swell, overcurrent, and more. On-chip register integrity is assured via checksum and write protection.
The CS5484 is designed to interface to a variety of voltage and current sensors including shunt resistors, current transformers, and Rogowski coils.
On-chip functionality makes digital calibration simple and ultra-fast, minimizing the time required at the end of the customer production line. Performance across temperature is ensured with an on-chip voltage reference with low drift. A single 3.3V power supply is required, and power consumption is low at 《13mW. To minimize space requirements, the CS5484 is offered in a low-cost, 5mm x5mm 28-pin QFN package.
CS5484主要特性:
• Superior Analog Performance with Ultra-low Noise Level and High SNR
• Energy Measurement Accuracy of 0.1% over 4000:1 Dynamic Range
• Current RMS Measurement Accuracy of 0.1% over 1000:1 Dynamic Range
• 4 Independent 24-bit, 4th-order, Delta-Sigma Modulators for Voltage and Current Measurements
• 4 Configurable Digital Outputs for Energy Pulses, Zero-crossing, or Energy Direction
• Supports Shunt Resistor, CT, and Rogowski Coil Current Sensors
• On-chip Measurements/Calculations:
- Active, Reactive, and Apparent Power
- RMS Voltage and Current
- Power Factor and Line Frequency
- Instantaneous Voltage, Current, and Power
• Overcurrent, Voltage Sag, and Voltage Swell Detection
• Ultra-fast On-chip Digital Calibration
• Internal Register Protection via Checksum and Write Protection
• UART/SPI™ Serial Interface
• On-chip Temperature Sensor
• On-chip Voltage Reference (25 ppm/℃ Typ.)
• Single 3.3V Power Supply
• Ultra-fine Phase Compensation
• Low Power Consumption: 《13 mW
• Power Supply Configurations
- GNDA = GNDD = 0 V, VDDA = +3.3 V
• 5mmx5mm 28-pin QFN Package

20120208110426655.gif
图1.CS5484方框图

20120208110427894.gif
图2.CS5484典型连接框图(单相三线I2S电表)
CDB5484/80/90U 评估板
The CDB5484U is an extensive tool designed to evaluate the functionality and performance of Cirrus Logic’s CS5484 power/ energy measurement device.
Multiple analog input connection options, configuration input filters, direct and isolated digital interfaces, multiple power supply options, an onboard programmable microcontroller, and visual LEDs with an LCD panel make the board a flexible and powerful customer development tool for various power/energy measurement applications.
The GUI software provides easy and complete access and control to the onboard CS5484 device. It also includes the function of raw ADC data collection with time domain, frequency domain, and histogram analysis.
The board is partitioned into two main sections: analog and digital. The analog section consists of the CS5484, passive anti-aliasing filters, and a high-voltage section with attenuation resistor networks. The digital section consists of the C8051F342 microcontroller, LCD, hardware test switches, reset circuitry, and USB interface. The board also has a user-friendly power supply connection.
CDB5484U评估板主要特性:
• Standalone Power Meter Application
• Voltage and Current Interfaces
• Low- and High-voltage Sensor Connections
• Adaptable Sensor Filters Onboard
• USB Communication with PC
• UART/SPI Optically Isolated Communication
• Onboard C8051F342 Microcontroller
• Single Supply Operation USB or 5V
• Onboard DC-DC Converter and Regulator
• LCD Power Monitor Display
• LabWindows®/CVI® GUI Software
– Full Register Setup and Chip Control
– Simplified Register
– Quick Calibration Control
– FFT Analysis
– Time Domain Analysis
– Noise Histogram Analysis
• Voltage Reference Access

20120208110427592.gif
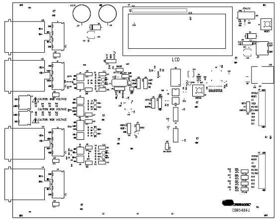
图3. CDB5484U评估板外形图

20120208110428597.gif
图4. CDB5484U评估板方框图

20120208110428577.gif
图5. CDB5484U并联传感器电表框图

20120208110429399.gif
图6. CDB5484U电流变压器电表框图

2012020811042920.gif
图7. CDB5484U Rogowski线圈电表框图

20120208110430795.gif
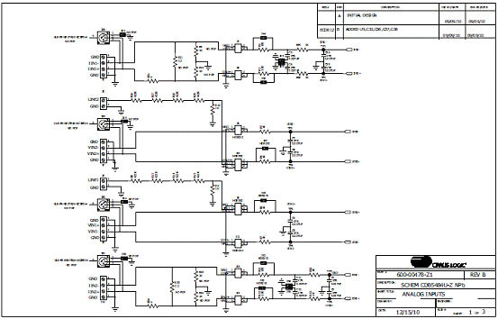
图8. CDB5484U评估板电路图:模拟输入

20120208110431151.gif
图9. CDB5484U评估板电路图:CS5484和插座

20120208110432239.gif
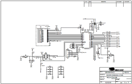
图10. CDB5484U评估板电路图:MCU和USB接口
CDB5484U评估板材料清单:

2012020811043360.gif

20120208110434194.gif

20120208110434782.gif
图11. CDB5484U评估板 PCB元件布局图:顶层

20120208110435270.gif
图12. CDB5484U评估板 PCB走线图:顶层

20120208110436731.gif
图13. CDB5484U评估板 PCB走线图:底层
详情请见:

CS5484_F1[1].pdf(964.05 KB)2012-2-9 17:27 上传
-1
和

CDB5484U_DB3[1].pdf(4.31 MB)2012-2-9 17:29 上传
Cirrus公司的CS5484是高精度四路能量测量模拟前端(AFE),每路集成了4阶24位Delta-Sigma模数转换器(ADC),基准电路,并提供EXL信号处理核,以进行有用、无用和表观功率测量。支持并联电阻,CT和Rogowski线圈电流传感器,动态范围4000:1的能量测量精度0.1%,动态范围1000:1的电流RMS测量精度0.1%,单电源3.3V工作,功耗低于13mW。
计算输出是通过一个可配置的能量脉冲,或通过直接UART/ SPI串行访问片上寄存器。瞬时电流、电压和功率的测量,也可通过串口。提供多个串行选项,以增加客户的灵活性。 SPI提供更高的速度,和2线UART,最大限度地减少了所需隔离的成本。
四个可配置的数字输出提供能量脉冲、过零、能源方向和中断功能。在多种条件下可以产生中断,包括电压骤降或骤升和过流等等。通过校验和写保护来保证片上寄存器的整合性。CS5484可以与各种电压和电流传感器连接,包括分流电阻器,电流互感器,Rogowski线圈。其片上功能使得数字校准简单易行,和超级快速,减少了客户生产线所需的时间。其低漂移片上基准电压确保了温度性能。该器件需要一个单一的3.3V电源,功耗低于13mW。为了尽量减少空间需求,CS5484的封装为低成本的5mm x 5mm28引脚QFN封装。
CS5484主要特性
•较好的模拟性能与超低的噪声水平和 高信噪比
•能源测量精度为0.1%(4000:1动态范围内)
•电流RMS测量精度为0.1%(1000:1的动态范围)
• 4个独立的24位四阶Delta-Sigma调制器用于电压和电流测量
• 4个可配置数字输出用于能量脉冲,过零,或能源方向
•支持分流电阻,CT和Rogowski线圈电流传感器
•片上测量/计算:
–有功,无功,视在功率
– RMS电压和电流
–功率因数和线路频率
–瞬时电压,电流和电源
–过电流,电压骤降,电压膨胀检测
–超快速芯片的数字校准
–通过校验码的内部寄存器保护和写保护的UART/ SPI串行接口
–片上温度传感器
–片上电压参考(25 PPM/℃典型值)
• 3.3V单电源供电
•超细相位补偿
•低功耗:《13mW
•电源配置
- GNDA = GNDD = 0 V, VDDA = +3.3 V
• 5mm×5mm的28引脚QFN封装
CDB5484/80/90U 评估板
多个模拟输入连接选项,配置输入滤波器,直接和孤立的数字接口,多种电源选项,板上可编程微控制器,以及与视觉LED液晶显示面板。该板是一个灵活,强大的客户开发工具,可用于各种功率/电能计量应用。GUI软件提供简单而完整的访问和控制板载CS5484设备。包括原始ADC数据采集与时域功能、频域和直方图分析。该板被分成两个主要部分,为模拟和数字。模拟部分包括CS5484,无源抗混叠滤波器和高电压部分及衰减电阻网络。数字部分包括,C8051F342单片机,液晶显示器,硬件测试开关,复位电路,USB接口。该板还具有一个用户友好的电源连接。
CDB5484U评估板主要特性
•单机功率计应用
•电压和电流接口
•低和高电压的传感器连接
•板上可调传感器过滤器
•与PC的USB通信
• UART / SPI光隔离通信
•板上C8051F342微控制器
•单电源USB或5V供电
•板上DC / DC转换器和稳压器
• LCD电源监视器显示
• LabWindows/CVI的GUI软件
•全寄存器设置和芯片控制
•简化寄存器
•快速校准控制
• FFT分析
•时域分析
•噪声直方图分析
•参考电压访问
详情请见:
http://solution.eccn.com/solution_2012020811065884.htm
解决方案

图1 CS5484方框图

图2 CS5484典型连接框图(单相三线I2S电表)

图3 CDB5484U评估板方框图
Cirrus公司的CS5484是高精度四路能量测量模拟前端(AFE),每路集成了4阶24位Delta-Sigma模数转换器(ADC),基准电路,并提供EXL信号处理核,以进行有用,无用和表观功率测量。支持并联电阻,CT和Rogowski线圈电流传感器,动态范围4000:1的能量测量精度0.1%,动态范围1000:1的电流RMS测量精度0.1%,单电源3.3V工作,功耗低于13mW.本文介绍了CS5484主要特性,方框图, 单相三线I2S电表的典型连接框图,以及CDB5484U评估板主要特性,框图,采用CDB5484U评估板的并联传感器, 电流变压器和Rogowski线圈电流传感器的电表框图,评估板电路图,材料清单以及PCB元件布局图与走线图。
The CS5484 is a high-accuracy, four-channel, energy measurement analog front end.
The CS5484 incorporates independent 4th order Delta-Sigma analog-to-digital converters for every channel, reference circuitry, and the proven EXL signal processing core to provide active, reactive, and apparent energy measurement. In addition, RMS and power factor calculations are available.
Calculations are output through a configurable energy pulse, or direct UART/SPI™ serial access to on-chip registers. Instantaneous current, voltage, and power measurements are also available over the serial port. Multiple serial options are offered to allow customer flexibility. The SPI provides higher speed, and the 2-wire UART minimizes the cost of isolation where required.
Four configurable digital outputs provide energy pulses, zero-crossing, energy direction, and interrupt functions. Interrupts can be generated for a variety of conditions including voltage sag or swell, overcurrent, and more. On-chip register integrity is assured via checksum and write protection.
The CS5484 is designed to interface to a variety of voltage and current sensors including shunt resistors, current transformers, and Rogowski coils.
On-chip functionality makes digital calibration simple and ultra-fast, minimizing the time required at the end of the customer production line. Performance across temperature is ensured with an on-chip voltage reference with low drift. A single 3.3V power supply is required, and power consumption is low at 《13mW. To minimize space requirements, the CS5484 is offered in a low-cost, 5mm x5mm 28-pin QFN package.
CS5484主要特性:
• Superior Analog Performance with Ultra-low Noise Level and High SNR
• Energy Measurement Accuracy of 0.1% over 4000:1 Dynamic Range
• Current RMS Measurement Accuracy of 0.1% over 1000:1 Dynamic Range
• 4 Independent 24-bit, 4th-order, Delta-Sigma Modulators for Voltage and Current Measurements
• 4 Configurable Digital Outputs for Energy Pulses, Zero-crossing, or Energy Direction
• Supports Shunt Resistor, CT, and Rogowski Coil Current Sensors
• On-chip Measurements/Calculations:
- Active, Reactive, and Apparent Power
- RMS Voltage and Current
- Power Factor and Line Frequency
- Instantaneous Voltage, Current, and Power
• Overcurrent, Voltage Sag, and Voltage Swell Detection
• Ultra-fast On-chip Digital Calibration
• Internal Register Protection via Checksum and Write Protection
• UART/SPI™ Serial Interface
• On-chip Temperature Sensor
• On-chip Voltage Reference (25 ppm/℃ Typ.)
• Single 3.3V Power Supply
• Ultra-fine Phase Compensation
• Low Power Consumption: 《13 mW
• Power Supply Configurations
- GNDA = GNDD = 0 V, VDDA = +3.3 V
• 5mmx5mm 28-pin QFN Package

20120208110426655.gif
图1.CS5484方框图

20120208110427894.gif
图2.CS5484典型连接框图(单相三线I2S电表)
CDB5484/80/90U 评估板
The CDB5484U is an extensive tool designed to evaluate the functionality and performance of Cirrus Logic’s CS5484 power/ energy measurement device.
Multiple analog input connection options, configuration input filters, direct and isolated digital interfaces, multiple power supply options, an onboard programmable microcontroller, and visual LEDs with an LCD panel make the board a flexible and powerful customer development tool for various power/energy measurement applications.
The GUI software provides easy and complete access and control to the onboard CS5484 device. It also includes the function of raw ADC data collection with time domain, frequency domain, and histogram analysis.
The board is partitioned into two main sections: analog and digital. The analog section consists of the CS5484, passive anti-aliasing filters, and a high-voltage section with attenuation resistor networks. The digital section consists of the C8051F342 microcontroller, LCD, hardware test switches, reset circuitry, and USB interface. The board also has a user-friendly power supply connection.
CDB5484U评估板主要特性:
• Standalone Power Meter Application
• Voltage and Current Interfaces
• Low- and High-voltage Sensor Connections
• Adaptable Sensor Filters Onboard
• USB Communication with PC
• UART/SPI Optically Isolated Communication
• Onboard C8051F342 Microcontroller
• Single Supply Operation USB or 5V
• Onboard DC-DC Converter and Regulator
• LCD Power Monitor Display
• LabWindows®/CVI® GUI Software
– Full Register Setup and Chip Control
– Simplified Register
– Quick Calibration Control
– FFT Analysis
– Time Domain Analysis
– Noise Histogram Analysis
• Voltage Reference Access

20120208110427592.gif
图3. CDB5484U评估板外形图

20120208110428597.gif
图4. CDB5484U评估板方框图

20120208110428577.gif
图5. CDB5484U并联传感器电表框图

20120208110429399.gif
图6. CDB5484U电流变压器电表框图

2012020811042920.gif
图7. CDB5484U Rogowski线圈电表框图

20120208110430795.gif
图8. CDB5484U评估板电路图:模拟输入

20120208110431151.gif
图9. CDB5484U评估板电路图:CS5484和插座

20120208110432239.gif
图10. CDB5484U评估板电路图:MCU和USB接口
CDB5484U评估板材料清单:

2012020811043360.gif

20120208110434194.gif

20120208110434782.gif
图11. CDB5484U评估板 PCB元件布局图:顶层

20120208110435270.gif
图12. CDB5484U评估板 PCB走线图:顶层

20120208110436731.gif
图13. CDB5484U评估板 PCB走线图:底层
详情请见:

CS5484_F1[1].pdf(964.05 KB)2012-2-9 17:27 上传
-1
和

CDB5484U_DB3[1].pdf(4.31 MB)2012-2-9 17:29 上传
举报