本文中所说的比率特性是指器件输出与待测量和其他电压或电流的比例有关。
传感器和阻性检测元件
许多传感器的输出与其
电源电压都是成比例的。这通常是因为产生输出的感应元件是比率器件。最常见的比率元件是电阻器,其阻值随被测量的变化而变化。电阻式温度检测器(RTD)和应变计都是典型的阻性敏感元件。
阻性元件的比率性是由于其阻抗不能直接测量。其值是由电阻两端的电压与经过电阻的电流的比值确定的。
R = V/I 公式 1 (欧姆定理)
使用阻性元件的传感器通常令一个电流流过电阻并测量其电压。在输出传感器之前,可以将该电压进行放大或电平偏移,但是其大小仍然与流过电阻的电流相关。如果该电流来自于电源电压,那么传感器的输出与电源电压成比例。公式 2 描述了这类比例传感器的输出(图 1),其中 Vs 是输出信号,Ve 是激励电压,S 是传感器的灵敏度,P 是所测参数的量值,C 是传感器的失调量。
Vs = Ve (P x S + C) 公式 2

图 1. 比例型传感器
Honeywell?[1] MLxxx-C 系列压力传感器是众多汽车比例传感器中具有代表性的器件。当在 5V 标称电源电压下工作时,失调电压为 0.5V,满量程输出为 4.5V。如果改变激励电压,失调电压和满量程输出会随之按比例变化。
需要知道激励电压才可使用输出信号,这在许多应用中是很不方便的。为了解决这一问题,制造商在
电路上增加了一个电压基准。这种器件可提供非常精确的电压,并与温度和电源电压无关。如果流经感应电阻的电流来自于基准电压,那么公式 2 中的 Ve 可用一个常数替换。从而得到公式 3,其中的新常数包含在 S2 和 C2 之中。
Vs = P x S2 + C2 公式 3
因为输出信号仅为被测参数的函数,所以公式 3 不是比例关系。Honeywell 公司的 MLxxx-R5 系列压力传感器就是非比例传感器。当在 7V 和 35V 之间的任何电源电压下工作时,失调都是 1V,满量程输出为 6V。
模数转换器(ADC)与阻性器件
用于将传感器信号数字化的 ADC 也是比例器件。无论其内部架构如何,所有 ADC 都是通过对未知输入电压与已知参考电压相比较来工作的。转换器的数字化输出是输入电压与参考电压的比值乘以 ADC 的满量程读数。考虑到内部放大和设计的多样性,还需要一个比例因子 K。无论 K 值大小,只要 ADC 的配置未改变,K 值都保持固定不变。公式 4 描述了一个普遍意义上的 ADC (图 2)的数字读数(D)和输入信号(Vs),参考电压(Vref),满量程读数(FS)以及比例因子(K)间的关系。
D = (Vs/Vref)FS x K 公式 4

图 2. 普遍意义上的模数转换器
参考电压的与 ADC 的具体设计有关。在一些 ADC 中参考电压是电源电压,而在另一些 ADC 中参考电压来自于内部基准源,在其他设计中,用户必须将参考电压连接至 ADC 的 Vref 输入端。如果使用了内部或外部电压基准,使参考电压成为一个衡定值,则公式 4 可简化为公式 5,其中 K2 是一个新的常数,其值为 FS x K/Vref。
D = Vs x K2 公式 5
传感器的测量
由一个非比例传感器和具有固定参考电压的 ADC 组成的小系统的输出可通过将公式 3 (传感器的输出)中的 Vs (ADC 的输入)代入公式 5 中得到。如公式 6 所示。
D = P x S2K2 + C2K2 公式 6
公式 6 给出了所需的确切关系。数字量值(D)大小与 P 的变化成比例,并且仅受 P 改变的影响。D 不受温度和电源电压变化的影响。
省去电压基准
利用电压基准稳定传感器和 ADC 是一种有效且必要的技术。然而,并非总是最好的技术。
本文的其余部分将讨论如何创造性地利用 ADC 的参考电压输入,从而省去许多传感器电路中的电压基准和电流源。这种设计节省了元件成本、电路板空间以及电压“净空”。由于省去了电压基准,非理想基准相关的误差也不复存在,因此精度也有所改善。这种技术已在汽车工业中应用多年。传感器和 ADC 与电源电压的比例关系一经确定,便无需精确的电压基准。
与之相似的采用电流驱动传感器和单元件阻性传感器(如 RTD)的技术已不常用了。这些电路中 ADC 的灵敏度会随温度或电源电压的变化而变化。虽然如此,ADC 和传感器输入的组合还是相当稳定的。
与电源电压成比例的传感器
将公式 2 中的输入信号(Vs)代入公式 4,便可得到测量比例传感器时 ADC 的输出。得出公式 7,该公式表示:D 是 P,Ve 和 Vref 的函数。
D = P(S x FS x K x Ve/Vref) + C(FS x K x Ve/Vref) 公式 7
乍一看,公式 7 中的方法似乎并不理想,因为输出(D)是三个变量的函数,而并非仅仅是 P 的函数。然而,仔细观察会发现:Ve/Vref 的比值是非常重要的,单独的数值并无太多意义。如果 Ve 和 Vref 电压来自同一个电源,则很容易得到恒定的 Ve/Vref 比值。一旦这样的话,D 将与 P 的变化成比例,并且只与 P 的变化有关。设 Ve/Vref 比值为一个常数,公式 7 可简化为与公式 6 相似的形式。因此,这就说明无需电压基准也能实现相同的性能。
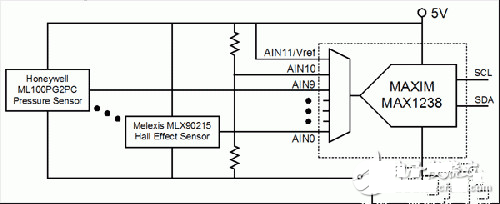
从实际应用的角度来看,Ve 和 Vref 必须足够大,这样才能避免噪声干扰;同时 Ve 和 Vref 还必须处于 ADC 和传感器所指定的范围内。用正电源电压作为 Ve 和 Vref 的电压源通常可以满足上述要求,并且允许为大量并联的传感器供电,如图 3[2]所示。
图 3 中 MAX1238 的前端有一个 12 输入的多路复用器,且内置一个电压基准。在这种情况下,虽没有与 ADC 基准有关的附加成本,但是如要给 10 个传感器中的每个都增加基准则会使成本明显增加。 MAX1238 还允许 AN11 输入作为参考电压。将 AN11 作为参考输入并将其连接至 5V 电源,可设置 ADC 的满量程输入为 5V,并便于与比例型传感器配合使用。在图 3 中,MAX1238 的内部参考电压并非闲置。可用软件控制内部电压基准并用于诊断,如测量电源电压。可通过连接到输入 AN10 的分压器来实现。

图 3. MAX1238 ADC 允许 AN11 输入作为参考电压,因此,ADC 可与比例传感器配合使用。
图 3 的拓扑非常适合汽车应用和那些由单电源供电,供电线路上压降很小的应用。并不适合那些工作中必须使用长导线的传感器或者是 ADC 和传感器由不同电源供电的应用。
电流驱动的电桥
在低噪声环境或者系统中,若压力传感器紧挨 ADC 放置,可能没有必要使用带信号放大的传感器。在这些应用中,低成本桥式输出传感器更适合。为了降低传感器成本,同时在整个温度范围内提供良好的性能,许多此类压力传感器,如 Nova Sensor 公司的 NPI-19 系列[3]都是由电流源供电而不是电压源供电。(更详细的论述请参见附录 1)。公式 8 给出了这种电流驱动的传感器的输出,其中 Ie 是激励电流。
Vs= Ie (S x P+C) 公式 8
图 4 给出了一个常用于桥式输出传感器的电流源。该电流源由一个低温度系数电阻,一个运算放大器及一个电压基准组成。如果 ADC 和压力传感器整合于一个部件中,则电流源的电压基准也可为 ADC 提供参考电压。在图 4 的电路中,电压基准同时被用来稳定传感器和 ADC,使它们不受变化的温度和电源电压的影响。

图 4. 该设计中电流驱动传感器的电流源由一个电阻,一个运算放大器和一个电压基准组成。
与图 4 类似的另一种方法如图 5 所示的电路,无需电流源或电压基准。需要注意的是:虽然传感器和 ADC 的组合在整个温度范围内都很稳定,但是 ADC 和传感器都具有很大的温漂。如果单独测量,传感器的灵敏度将随温度的升高而降低,而 ADC 的灵敏度则升高。由于在整个温度范围内 ADC 输出不是稳定的,所以将该方法用于 ADC 有多路输入的电路时必须特别小心。

图 5. 传感器和 ADC 组合的另一种设计方法,无需独立的电流源或电压基准。
从图 5 可以得出公式 9:
Vref = Ie x R1 公式 9
将公式 9 中的 Vref 和公式 8 中的 Vs 代入上述 ADC 的公式 4 ,得出公式 10。
D = [Ie (S x P+C)/(Ie x R1)](FS x K) 公式 10
因为分子和分母中含有激励电流(Ie),因此可消去。由此可得到公式 11,表示输出与激励电流无关。如果将公式 11 中的常数项合并,将再次得出与公式 6 等效的公式:带有电压基准的系统。
D = P(S x FS x K/R1)+C(FS x K/R1) 公式 11
如果 R1 作为一个常数,它必须具有较低的温度系数。与图 4 相比,图 5 要求 R1 具有良好的温度稳定性,这并不是其缺点,因为图 4 中的电阻也必须具有良好的温度稳定性。
公式 11 中没有 R2,而且电路中也不需要 R2。但是,对 R2 进行分析是为了说明它并不影响 ADC 读数。R2 可用另一个电流驱动的压力传感器、RTD 或一个固态开关的电阻代替,而不会影响 ADC 读数。
理论上,可以采用多通道输入 ADC 和数个串联驱动的电流型传感器。然而,传感器串联会使得激励电流(Ie),传感器信号(Vs)以及参考电压(Vref)更低。当传感器串联时,需要特别注意对 ADC Vref 的要求及系统噪声。
RTD
RTD 是另一种通常与电流源配合使用的传感器。RTD 的常用材料是铂,通常具有约 3,800ppm/°C 的正温度系数。测量 RTD 的传统方法是将其作为电阻桥的一个端子。然而,在实际应用中,很少使用电阻桥。低成本高分辨率 ADC 的存在在,使得只需驱动一个电流流过 RTD,并直接测量 RTD 两端的电压这种简单方案更为经济。这种方法避免了非平衡桥的非线性问题,并且省去了组成电阻桥的三个精密电阻。
图 6 中的电路也无需利用电桥或者稳定的电流源来测量 RTD (Rt)。该电路只需要一个稳定的基准电阻(R1)和一个低等级的限流电阻即可。

图 6. 无需电阻桥或稳定电流源来测量 Rt 的电路
由图 6 可以得出下列公式:
Vs = (V+) x Rt/(R1+R2+Rt) 公式 12
Vref = (V+) x R1/(R1+R2+Rt) 公式 13
将公式 12 中的 Vs 和公式 13 中的 Vref 代入公式 4,得出图 6 中 ADC 的输出。经过简化可得公式 14。公式 14 表示:如果 R1 是定值,D 则正比于、且仅随 Rt 的变化而变化,这正是所期望的结果。
D = FS x K x (Rt/R1) 公式 14
由公式 14 可以看出,R2 不影响读数;R2 降低了 Rt 所消耗的功率。如果没有 R2 的话,Rt 的自身热量将导致温度示数出现很大误差。R2 还降低了 ADC 的共模输入电压。这对某些共模输入电压范围小于电源电压的 ADC 是非常必要的。
类似于 MAX1403 的 ADC 包含用于驱动 RTD 的电流源。然而,它们并不是精密电流源,还需要进行一些校准。校准通常是采用一个额外的 ADC 输入来测量由相同的电流源驱动的参考电阻来实现的。然后,采用软件按照已知电阻的测量值依比例确定未知电阻的测量值。虽然这种技术可以很好地工作,不过,将 R1 作为参考电阻更加简单并且无需额外的 ADC 输入。板上的电流源仍能用来激励 RTD 和参考电阻。用一个电流源替换图 6 中的 R2 不会对公式 14 产生影响。
一些 ADC 可提供两个互相匹配的电流源用于精确测定远程 RTD。在这些应用中长导线的电阻会增加 RTD 的阻抗,从而产生误差,必须想办法去除。成本最低的解决方案是采用三线 RTD。如图 7 所示,电流源 1 可用于产生 RTD 两端的压降。该电流源还在通向 RTD 的上部导线上产生额外的压降。为了补偿这个多余的压降,用电流源 2 在中间的导线上产生一个压降。通过 RTD 底部的导线使这两个电流源流向地。RTD 上三根导线的长度和材料都相同,这样可使彼此之间的电阻非常接近。匹配电阻传送匹配电流可产生匹配的压降。因此,上部的两根导线压降彼此抵消,ADC 上的差分输入电压与 RTD 两端的电压相同。

图 7. MAX1403 ADC 有两个匹配的电流源,在该电路中,电流源 1 用于产生 RTD 两端的压降,电流源 2 用于产生中间导线的压降。
温度和压力
图 8 结合了图 5 和图 6 中的设计理念,采用一个很简单的电路,以单个电阻作为基准同时测量温度和压力。Vs1 和 Vs2 的幅值相差很大。这个差值可通过改变 ADC (例如 MAX1415)内置可编程增益放大器(PGA)的增益进行调节。这些转换器允许 PGA 对每个通道都设置不同的增益。增益的改变可使公式 4 中的 K 值改变,因此,允许单个参考电压能够适应较宽范围的输入电压。

图 8. 用单个电阻作为基准的简单电路测量温度和压力
惠斯通电桥
惠斯通电桥是由 Charles Wheatstone 爵士(1802 至 1875)在
电子学发展的早期阶段发明的。惠斯通电桥通过对三个已知电阻值和一个未知电阻值进行比较来测量电阻。当电桥恰好达到平衡时,电阻测量值与激励电压、仪表精度或电路中的仪表负载无关。在尚不具备电压标准和高品质仪表的时代,这个条件是非常重要的。然而,桥式电路在当前仍很流行,因为在所有电桥电阻具有相同的温度系数时,它们不会产生大的失调并能抑制温度效应。
图 9 是一个由同一电压源供电的两个分压器组成的惠斯通电桥。习惯将电桥画成菱形,因为这种形状强调了同一电压源为每个分压器供电的重要性。电桥的输出(Vo)是两个分压器输出电压之差(公式 15)。当 Vo 为零时,称电桥达到平衡。在这种条件下,因为 Ve 与一个为零项相乘,所以激励电压(Ve)的精确值并不重要。公式 16 可计算出平衡电桥中未知电阻(Ru)的阻值。在实际应用中,通常使 Ra = Rb,这样公式 16 可简化为 Ru = Rc。

图 9. 由同一个电压源供电的分压器组成的惠斯通电桥示意图
Vo = Vb(Rc/(Rc+Ru) - Rb/(Ra+Rb)) 公式 15
若 Vo = 0,则 Ru = Rc x Ra/Rb 公式 16
目前已经很少使用平衡电桥电路测量电阻,但是在传感器中采用非平衡电桥相当常见。在工厂校准时,电桥通常被平衡在一个优选的工作点上;通过测量电桥中的不平衡来测量与该点的偏差。下面举例说明以该方式使用电桥的优点。
假定将一个硅应力计与薄膜相粘合,构成一个压力传感器,并具有所期望的压力分辨率(0.1%)。在 0psi 和 25°C 条件下,电阻的阻值为 5000Ω。在 100psi (满量程压力)和 25°C 的条件下,电阻值增加 2%,达到 5100Ω。除了对应力敏感,电阻对温度也敏感,具有 2000ppm/°C 的电阻温度系数(TCR)。
由于在整个压力范围内电阻变化了 100Ω,因此必须能够分辨 0.1—#937;的电阻才能获得 0.1psi (0.1%)的压力分辨率。测量 5000Ω中的 0.1Ω相当于 50,000 分之一或 15.6 位的分辨率。比分辨率更严重的问题是温度变化的影响。由于电阻具有较高的 TCR,温度每变化 1°C,相当于压力变化 10psi 对电阻的影响。每摄氏度的温度变化对电阻的影响相当于满量程的 10%。
现在考虑电桥电路中采用相同的电阻,激励电压为 2V 时的情况。其他三个电阻都是 5000Ω,并和感应电阻具有相同的 TCR。这些电阻的安装条件能够保证其等温。这种方式具有两个显著的优点。
该应用中电桥的最大优点是它能抑制温度引起的变化。分析公式 15 发现 TCR 不再是问题。即使电桥电阻加倍输出仍保持不变。只要所有电阻按同比例变化,其输出不变!
电桥的第二个优点是降低了分辨率要求。在压力为 0psi 时,电桥输出是 0mV,在 100psi 时电桥输出为 10mV。要测量 0.1psi 的压力,则需要从 10mV 中分辨 10?V。相对于直接测量电阻需要 15.6 位的分辨率而言,只需要 10 位的分辨率。
从实际应用的角度来看,10 位 ADC 不能直接测量 10?V 的信号。信号必须放大。信号放大的成本可能会使无需外部放大器的高分辨率 ADC 更吸引人。低分辨率方案的最大优点在于其对基准的要求。设计能在整个时间和温度范围内稳定达到 16 位分辨率的电压基准、电流源或参考电阻通常是不切实际的。
该实例中的数值选取不是用来刻意突出电桥的重要性。这些数值对于许多压阻式压力传感器非常典型(见附录 2)。
惠斯通电桥的线性化
使用非平衡惠斯通电桥的缺点是其具有非线性。公式 15 分母中的 Ru 项表示:电桥的输出与 Ru 不是线性函数关系。电阻变化非常小时线性误差也很小,而当电桥不平衡时线性误差也变大。幸运的是,如果 ADC 参考电压来自电桥的话,就可消除这个误差。
图 10 所示为一个带数字显示的简单温度传感器。温度感应元件(Rt)是铂 RTD。选择铂是因为其电阻随温度线性变化。电桥电路除去 0°时的多余信号,这样可使 ADC 的读数等于温度。公式 17 给出了图 10 中的电桥信号(Vs)。公式 18 是 ADC 的参考电压。两信号都是 Rt 的非线性函数,但是它们共同作用的结果是线性的。
如何利用传感器和 ADC 的比率特性来提高电子系统的精度
图 10. 在具有数字显示的简单的温度传感器中,电桥电路除去 0°时的多余信号,使得 ADC 读数等于温度。
Vs = (Vb)(R3/(R2+R3) - (R1/(R1+Rt)) 公式 17
Vfer = (Vb)(R1/(R1+Rt) 公式 18
ADC 的输出(公式 19)是将公式 17 和 18 中的 Vs 和 Vref 分别代入公式 4 中得出的。公式 19 表示采用这个参考电压时,ADC 输出变为 Rt 的线性函数,并减去所期望的偏移项。
D = Rt(R3/(R1(R2+R3)) - R2/(R2+R3) 公式 19
在图 10 中,R3b 和 R1b 分别调节失调量和灵敏度。当进行调节时,显示器将直接以°C 或°F 为单位显示温度的大小。唯一的一个明显误差来自 RTD 自身的非线性。0°C 至 100°C 范围内该误差仅为十分之几摄氏度。
通过 MAX1492 ADC 的串行接口,还可对图 10 电路的失调误差和灵敏度误差进行数字校正。这种校准方法不仅无需 R1a 和 R3a,而且还提供了校正 RTD 中线性误差的机会。如果需要更高的测量分辨率,可用 MAX1494 替换 MAX1492,可使分辨率上升一位。
根据公式 19,R4 的值不会影响读数。电路中增加 R4 可以降低 RTD 的自身热量。同时也减弱了来自电桥的信号,并且降低了参考电压。虽然 MAX1492 无内部 PGA,但是它允许使用较小的参考电压。使用较小的参考电压可以省去额外的放大电路。
结束语
在许多传感器应用中,利用简单电路,使传感器输出和 ADC 参考输入之间保持适当的关系,可以省去电压基准和电流源。除了降低成本和节省空间之外,这些电路还可消除不理想基准所引入的误差,改善性能。