1)实验平台:正点原子开拓者
FPGA 开发板
2)摘自《开拓者FPGA开发指南》关注官方微信号公众号,获取更多资料:正点原子
3)全套实验源码+手册+视频下载地址:http://www.openedv.com/thread-13912-1-1.html
第三十二章 音频环回实验
WM8978是一个低功耗、高质量的立体声多媒体数字信号编译码器,它结合了一个高质量的
立体声音频DAC和ADC,带有灵活的音频线输入、麦克风输入和音频输出处理。其主要应用于便
携式应用,可以应用到可携式数码摄像机或数码相机等设备。本章我们将使用FPGA开发板上的
WM8978器件实现音频环回的功能。
本章包括以下几个部分:
32.1 WM8978简介
32.2 实验任务
32.3 硬件设计
32.4 程序设计
32.5 下载验证
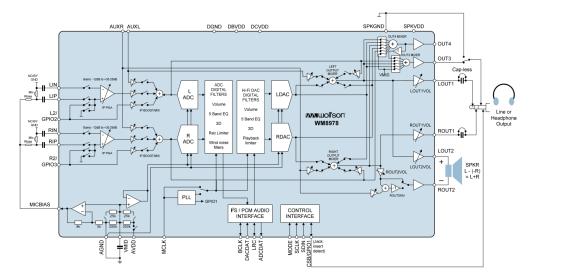
WM8978简介
WM8978是欧胜(Wolfson)推出的一款全功能音频处理器。它带有一个HI-FI级数字信号处
理内核,支持增强3D硬件环绕音效,以及5频段的硬件均衡器,可以有效改善音质。
WM8978具有高级的片上数字信号处理功能,包含一个5路均衡功能,一个用于ADC和麦克风
或者线路输入之间的混合信号的电平自动控制功能,一个纯粹的录音或者重放的数字限幅功能。
另外在ADC的线路上提供了一个数字滤波的功能,可以更好的应用滤波,比如“减少风噪”。
WM8978集成了立体声差分麦克风的前置放大与扬声器、耳机和差分、立体声线输出的驱动,
减少了应用时必需的外部组件,比如不需要单独的麦克风或者耳机的放大器。WM8978提供了一
个强悍的扬声器功放,可提供高达900mW的高质量音响效果扬声器功率,一个数字回放限制器
可防止扬声器声音过载。WM8978进一步提升了耳机放大器输出功率,在推动16欧姆耳机的时候,
每个声道最大输出功率高达40毫瓦!可以连接市面上绝大多数适合随身听的高端HI-FI耳机。
WM8978整体功能模块的框图如图 32.1.1所示:
图 32.1.1 WM8978整体功能框图
WM8978可通过I2S或PCM音频接口(I2S/PCM AUDIO INTERFACE)与FPGA进行音频数据传输。
具体应用哪种方式可通过控制接口(Control Interface)配置相应的寄存器。控制接口是一
个可选的2线或3线结构。通过MODE引脚选择(MODE引脚接高电平时为3线接口模式、低电平时
为2线接口模式),当控制接口为2线接口模式时,其时序图如下图所示。
图 32.1.2 两线接口时序图
由上图可见,其时序图与I2C时序相同。此时SCLK为串行时钟线、SDIN为串行数据线,WM8978
芯片的器件地址固定为0011010b。本次实验我们使用的是两线的控制接口。
音频接口的ADCDAT为ADC数据的输出接口,本实验中WM8978通过此接口输出音频给FPGA,
DACDAT为DAC数据的输入接口,WM8978通过此接口接收FPGA输出的音频。LRC为音频左右声道的
数据对齐时钟信号,BCLK即Bit Clock(位时钟),用于同步数据输入和输出。MCLK为主时钟
输入接口,MCLK的频率为256fs,fs为音频的采样率,一般为48kHz,所以MCLK为256 × 48 =
12288kHz = 12.288MHz。我们一般使用FPGA内部的PLL分频得到12MHz的时钟信号,然后通过
配置WM8978内部的寄存器使其PLL输出12.288MHz的时钟信号。
WM8978支持主从两种工作模式。主从工作模式的区别在于BCLK和LRC由谁控制。在主模式
下,WM8978作为主控设备,产生BCLK和LRC信号并输出。在从模式下,BCLK和LRC信号由外部设
备(本实验指FPGA)提供,WM8978作为从设备接收BCLK和LRC信号。可见如果使WM8978工作在
从模式下,我们需要通过FPGA产生BCLK和LRC信号,既浪费FPGA内部的资源也浪费(空闲)了
WM8978本身的资源,所以一般使WM8978工作在主模式下。主从工作模式通过配置R6寄存器的
bit0位来设置,bit0位为0时WM8978工作在从模式下,为1时WM8978工作在主模式下,本次实验
我们使WM8978工作在主模式下。
对于音频接口,本次实验我们采用I2S音频总线接口传输音频数据。I2S(Inter-IC Sound)
总线,又称集成
电路内置音频总线,是飞利浦公司为数字音频设备之间的音频数据传输而制定
的一种总线标准,该总线专门负责音频设备之间的数据传输,广泛应用于各种多媒体系统。I2S
的优点是接收端与发送端的音频数据有效位数可以不同。如果接收端能处理的有效位数少于发
送端,可以放弃数据帧中多余的低位数据;如果接收端能处理的有效位数多于发送端,可以自
行补足剩余的位。这种同步机制使得数字音频设备的互连更加方便,而且不会造成数据错位。
I2S总线的音频传输格式如下图:
图 32.1.3 I2S总线音频传输格式
fs为音频的采样率,LRC为左右声道的对齐时钟。由上图可知,当LRC为低电平时传输左声
道的音频数据,高电平时传输右声道的音频数据。位时钟BCLK的频率=2×采样频率×采样位数,
由于使用的是主模式,LRC和位时钟BCLK由WM8978提供,所以我们无需关心其频率的大小。我
们需要注意的是I2S格式的音频信号DACDAT和ADCDAT无论有多少位有效数据,数据的最高位总
是出现在LRC变化后的第2个BCLK脉冲处,即传输数据时高位在前,且该位在LRC变化后BCLK的
第2个上升沿采样到。
图 32.1.1中的LIP(LIN)、RIP(RIN)分别为左麦克风前置放大同相(反相)输入和右
麦克风前置放大同相(反相)输入,L2/GPIO2和R2/GPIO3分别为左通道线输入/GPIO引脚和右
通道线输入/GPIO引脚,AUXL和AUXR为左右辅助输入。LOUT1和ROUT1为耳机的左右输出,LOUT2
为第二左输出或者BTL扬声器反相输出,ROUT2第二右输出或者BTL扬声器同相输出。
由图 32.1.1可见输入到输出的通道通过一个个开关控制,每个开关由相应的寄存器控制。
配置相应的寄存器就可打开相应的通道、使能相应的功能。
WM8978内部有58个寄存器。每个寄存器的地址位为7位,数据位为9位。可通过控制接口配
置相应的寄存器以打开相应的通道或使能相应的功能。这里我们简单介绍一下要正常使用
WM8978来播放音乐时,需要配置的寄存器。
1.寄存器R0(00h),该寄存器用于控制WM8978的软复位,写任意值到该寄存器地址,即
可实现WM8978的软复位。
2.寄存器R1(01h),该寄存器需要设置VMIDSEL(bit[1:0])为2’b11,开启最快启动;
BUFIOEN(bit2)为1,避免输入输出直接在WM8978内部环回;BIASEN(bit3)为1,模拟部分
的放大器才会工作,才可以听到声音,PLLEN(bit5)为1使能WM8978内部PLL功能,使WM8978
内部的主时钟为12.288MHz。
3.寄存器R2(02h),该寄存器需要设置ROUT1EN(bit8)、LOUT1EN(bit7)为1,使能耳机输
出;BOOSTENR(bit5)、BOOSTENL(bit4)为1,使能左右声道进入BOOST;ADCENR(bit1)、
ADCENL(bit0)为1,使能左右声道的ADC功能。
4.寄存器R3(03h),该寄存器要设置LOUT2EN(bit6),ROUT2EN(bit5),RMIXER(bit3),
LMIXER(bit2),DACENR(bit1)和DACENL(bit0)等6个位为1。LOUT2EN和ROUT2EN,设置为1,使
能喇叭输出;LMIXER和RMIXER设置为1,使能左右声道混合器;DACENL和DACENR则是使能左右
声道的DAC,使数字音频信号转换为模拟音频信号。
5.寄存器R4(04h),该寄存器要设置WL(bit[6:5])和FMT(bit[4:3]) 4个位。WL(bit[6:5])
用于设置字长(即设置音频数据有效位数),00表示16位音频,10表示24位音频;FMT(bit[4:3])
用于设置音频接口数据传输格式,我们设置为10,使用I2S音频数据格式传输音频数据。
6.寄存器R6(06h),该寄存器的MS(bit0)设置为1,使WM8978工作在主模式下,输出BCLK
和LRC给FPGA。
7.寄存器R7(07h),该寄存器我们要设置采样率SR(bit[3:1])为000,使用48kHz的采
样率;设置SLOWCLKEN(bit0)为1,使能零交叉功能。
8.寄存器R10(0Ah),该寄存器我们要设置DACOSR128(bit3)为1,DAC得到最好的SNR。
9.寄存器R14(0Eh),该寄存器我们要设置ADCOSR128(bit3)为1,ADC得到最好的SNR。
10.寄存器R43(2Bh),该寄存器我们只需要设置INVROUT2(bit4)为1即可,反转ROUT2
输出,更好的驱动喇叭。
11.寄存器R47(2Fh)和寄存器R48(30h),这两个寄存器设置类似,一个用于设置左声
道(R47)输入增益(bit[6:4]),另外一个用于设置右声道(R48)输入增益(bit[6:4])。
12.寄存器R49(31h),该寄存器我们要设置SPKBOOST(bit2)和TSDEN(bit1)这两个位。
SPKBOOST用于设置喇叭的增益,我们设置为1(gain=+1.5)以获得更大的声音;TSDEN用于设
置过热保护,设置为1(开启)即可。
13.寄存器R50(32h)和 R51(33h),这两个寄存器一个用于设置左声道(R50),另外
一个用于设置右声道(R51)。我们只需要设置这两个寄存器的最低位为1即可,将左右声道的
DAC输出接入左右声道混合器里面,才能在耳机/喇叭听到音乐。
14.寄存器R52(34h)和R53(35h),这两个寄存器用于设置耳机音量,同样一个用于设
置左声道(R52),另外一个用于设置右声道(R53)。这两个寄存器的最高位(HPVU)用于设
置是否更新左右声道的音量,最低6位用于设置左右声道的音量,我们可以先设置好两个寄存器的音量值,最后设置其中一个寄存器最高位为1,即可更新音量设置。
15.寄存器R54(36h)和R55(37h),这两个寄存器用于设置喇叭音量,同R52,R53设置
一模一样,这里就不细说了。
以上,就是我们用WM8978播放音乐时的设置,按照以上所述,对各个寄存器进行相应的配
置,即可使用WM8978播放音乐了。还有其他一些3D设置,EQ设置等,我们这里就不再介绍了,
大家参考WM8978的数据手册自行研究下即可。
实验任务
本节实验任务是将电脑或
手机的音乐通过开拓者开发板上的WM8978器件输出到FPGA,然后
FPGA通过WM8978器件输出给耳机和喇叭。
硬件设计
开拓者开发板上音频模块WM8978接口部分的原理图如图 32.3.1所示。
图 32.3.1 WM8978接口原理图
WM8978的MODE引脚接地,选择的是两线接口模式,等同于I2C接口。L2/GPIO2和R2/GPIO3
作为音频输入接口(LINE_IN),外部音频从此接口输入;LOUT1和ROUT1作为音频输出接口
(PHONE),输出给外接耳机。LOUT2和ROUT2为喇叭接口。
本实验中,各端口信号的管脚分配如下表所示:
表 32.3.1 音频环回实验管脚分配
程序设计
根据实验任务,我们可以大致规划出系统的控制流程:FPGA首先通过控制接口配置WM8978
相关的寄存器,然后接收WM8978传输过来的音频数据,并将接收到的音频数据传递给WM8978发
送出去。由此画出系统的功能框图如下所示:
图 32.4.1 WM8978音频环回实验系统框图
由系统框图可知,FPGA部分包括八个模块,顶层模块(audio_speak)、WM8978控制模块(wm8978_ctrl)、时钟分频模块(pll_clk)、音频接收模块(audio_receive)、音频发送模
块(audio_send)、WM8978配置模块(wm8978_config)、I2C配置模块(i2c_reg_cfg)和I2C
驱动模块(i2c_dri)。各模块的功能如下:
顶层模块(audio_speak):顶层模块完成了对WM8978控制模块和时钟分频模块的例化。
并将音频接收模块接收到的音频数据adc_data连接至音频发送模块的数据端口dac_data,实现
信号的交互连接。顶层模块的原理图如下图所示:
图 32.4.2 顶层模块原理图
时钟分频模块(pll_clk):时钟分频模块即锁相环(PLL)模块,调用锁相环(PLL)IP
核以产生12Mhz时钟作为WM8978的主时钟MCLK。
WM8978控制模块(wm8978_ctrl):WM8978控制模块例化了WM8978配置模块,音频接收模
块和音频发送模块。WM8978控制模块是对WM8978器件底层操作的封装,使用WM8978时例化此模
块即可。WM8978控制模块的原理图如下图所示:
图 32.4.3 WM8978控制模块原理图
音频接收模块(audio_receive):音频接收模块是接收来自WM8978的音频数据,并将WM8978
串行输入的音频数据进行并行处理。
音频发送模块(audio_send):音频发送模块是将FPGA输出的并行音频数据串行输出至
WM8978。
WM8978配置模块(wm8978_config):WM8978配置模块例化了I2C驱动模块(i2c_dri)和
I2C配置模块(i2c_reg_cfg),其内部端口及信号连接如下图所示:
图 32.4.4 WM8978配置模块原理图
I2C驱动模块(i2c_dri):因为WM8978的两线控制接口的时序与I2C时序相同,所以我们
这里调用了“EEPROM实验”的I2C驱动模块,实现FPGA对WM8978控制接口的操作。
I2C配置模块(i2c_reg_cfg):主要完成对WM8978相关寄存器的配置。
顶层模块的代码如下:
1
module audio_speak
(
2 //system clock 50MHz
3
input sys_clk
, // 系统时钟(50MHz)
4
input sys_rst_n
, // 系统复位
5
6 //wm8978 interface
7 //audio interface(master mode)
8
input aud_bclk
, // WM8978位时钟
9
input aud_lrc
, // 对齐信号
10
input aud_adcdat
, // 音频输入
11
output aud_mclk
, // WM8978的主时钟(最大为12.288MHz)
12
output aud_dacdat
, // 音频输出
13 //control interface
14
output aud_scl
, // WM8978的SCL信号
15
inout aud_sda // WM8978的SDA信号
16
);
17
18 //wire define
19
wire [31
:0
] adc_data
; // FPGA采集的音频数据
20
21 //*****************************************************
22 //** main code
23 //*****************************************************
24
25 //例化pll_clk
26 pll_clk u_pll_clk
(
27
.areset
(~sys_rst_n
), // pll_clk异步复位信号
28
.inclk0
(sys_clk
), // 输入sys_clk = 50 MHZ
29
.c0
(aud_mclk
) // WM8978的MCLK信号(12MHz)
30
);
31
32 //例化WM89878控制模块
33 wm8978_ctrl u_wm8978_ctrl
(
34 //system clock
35
.clk
(sys_clk
), // 时钟信号
36
.rst_n
(rst_n
), // 复位信号
37 //wm8978 interface
38 //audio interface(master mode)
39
.aud_bclk
(aud_bclk
), // WM8978位时钟
40
.aud_lrc
(aud_lrc
), // 对齐信号
41
.aud_adcdat
(aud_adcdat
), // 音频输入
42
.aud_dacdat
(aud_dacdat
), // 音频输出
43 //control interface
44
.aud_scl
(aud_scl
), // WM8978的SCL信号
45
.aud_sda
(aud_sda
), // WM8978的SDA信号
46 //user interface
47
.dac_data
(adc_data
), // 输出的音频数据
48
.adc_data
(adc_data
), // 输入的音频数据
49
.rx_done
(), // 一次接收完成
50
.tx_done
() // 一次发送完成
51
);
52
53
endmodule
顶层模块中主要完成对其余模块的例化。程序中第29行的c0是经锁相环(PLL)分频输出
的WM8978的主时钟。第48行是FPGA串转并处理后的音频数据,这里我们直接把该端口的音频数
据信号连到第47行的音频数据端口dac_data,实现音频数据的环回。当然了也可以直接将音频
输入信号aud_adcdat直接连接至第42行的音频输出端口aud_dacdat,来实现音频环回,但这样
处理就不能测试音频接收模块和音频发送模块的功能是否正确。
WM8978控制模块的代码如下所示:
1
module wm8978_ctrl
(
2 //system clock
3
input clk
, // 时钟信号
4
input rst_n
, // 复位信号
5
6 //wm8978 interface
7 //audio interface(master mode)
8
input aud_bclk
, // WM8978位时钟
9
input aud_lrc
, // 对齐信号
10
input aud_adcdat
, // 音频输入
11
output aud_dacdat
, // 音频输出
12 //control interface
13
output aud_scl
, // WM8978的SCL信号
14
inout aud_sda
, // WM8978的SDA信号
15
16 //user interface
17
input [31
:0
] dac_data
, // 输出的音频数据
18
output [31
:0
] adc_data
, // 录音的数据
19
output rx_done
, // 一次接收完成
20
output tx_done // 一次发送完成
21
);
22
23 //parameter define
24
parameter WL
= 6'd32
; // word length音频字长定义
25
26 //*****************************************************
27 //** main code
28 //*****************************************************
29
30 //例化wm8978_config,配置WM8978的寄存器
31 wm8978_config
#(.WL
(WL
)) u_wm8978_config
(
32 //system clock
33
.clk
(clk
), // 时钟信号
34
.rst_n
(rst_n
), // 复位信号
35 //wm8978 interface
36
.aud_scl
(aud_scl
), // WM8978的SCL时钟
37
.aud_sda
(aud_sda
) // WM8978的SDA信号
38 //user interface
39
);
40
41 //例化audio_receive,FPGA接收WM8978的音频数据
42 audio_receive
#(.WL
(WL
)) u_audio_receive
(
43 //system reset
44
.rst_n
(rst_n
), // 复位信号
45 //wm8978 interface
46
.aud_bclk
(aud_bclk
), // WM8978位时钟
47
.aud_lrc
(aud_lrc
), // 对齐信号
48
.aud_adcdat
(aud_adcdat
), // 音频输入
49 //user interface
50
.rx_done
(rx_done
), // FPGA接收数据完成
51
.adc_data
(adc_data
) // FPGA接收的数据
52
);
53
54 //例化audio_send,FPGA向WM8978传送音频数据
55 audio_send
#(.WL
(WL
)) u_audio_send
(
56 //system reset
57
.rst_n
(rst_n
), // 复位信号
58 //wm8978 interface
59
.aud_bclk
(aud_bclk
), // WM8978位时钟
60
.aud_lrc
(aud_lrc
), // 对齐信号
61
.aud_dacdat
(aud_dacdat
), // 音频数据输出
62 //user interface
63
.dac_data
(dac_data
), // 预输出的音频数据
64
.tx_done
(tx_done
) // 发送完成信号
65
);
66
67
endmodule
WM8978控制模块主要完成对WM8978器件层代码的封装,这样当操作WM8978时,只需例化
此模块即可实现WM8978的寄存器配置、音频接收、音频发送的功能。代码第24行的参数WL即音
频字长(word length),当用于接收、发送不同字长的音频数据时,可修改此参数。
WM8978音频配置模块的代码如下所示:
1
module wm8978_config
(
2 //system clock
3
input clk
, // 时钟信号
4
input rst_n
, // 复位信号
5
6 //wm8978 interface
7
output aud_scl
, // WM8978的SCL时钟
8
inout aud_sda // WM8978的SDA信号
9
10 //user interface
11
);
12
13 //parameter define
14
parameter SLAVE_ADDR
= 7'h1a
; // 器件地址
15
parameter WL
= 6'd32
; // word length音频字长参数设置
16
parameter BIT_CTRL
= 1'b0
; // 字地址位控制参数(16b/8b)
17
parameter CLK_FREQ
= 26'd50_000_000
; // i2c_dri模块的驱动时钟频率(CLK_FREQ)
18
parameter I2C_FREQ
= 18'd250_000
; // I2C的SCL时钟频率
19
20 //wire define
21
wire clk_i2c
; // i2c的操作时钟
22
wire i2c_exec
; // i2c触发控制
23
wire i2c_rh_wl
; // I2C读写控制信号
24
wire i2c_done
; // i2c操作结束标志
25
wire cfg_done
; // WM8978配置完成标志
26
wire [15
:0
] reg_data
; // WM8978需要配置的寄存器(地址及数据)
27
28 //*****************************************************
29 //** main code
30 //*****************************************************
31
32 //例化i2c_dri,调用IIC协议
33 i2c_dri
#(
34
.SLAVE_ADDR
(SLAVE_ADDR
), // slave address从机地址,放此处方便参数传递
35
.CLK_FREQ
(CLK_FREQ
), // i2c_dri模块的驱动时钟频率(CLK_FREQ)
36
.I2C_FREQ
(I2C_FREQ
) // I2C的SCL时钟频率
37
) u_i2c_dri
(
38 //global clock
39
.clk
(clk
), // i2c_dri模块的驱动时钟(CLK_FREQ)
40
.rst_n
(rst_n
), // 复位信号
41 //i2c interface
42
.i2c_exec
(i2c_exec
), // I2C触发执行信号
43
.bit_ctrl
(BIT_CTRL
), // 器件地址位控制(16b/8b)
44
.i2c_rh_wl
(i2c_rh_wl
), // I2C读写控制信号
45
.i2c_addr
(reg_data
[15
:8
]), // I2C器件字地址
46
.i2c_data_w
(reg_data
[ 7
:0
]), // I2C要写的数据
47
.i2c_data_r
(), // I2C读出的数据
48
.i2c_done
(i2c_done
), // I 2C一次操作完成
49
.scl
(aud_scl
), // I2C的SCL时钟信号
50
.sda
(aud_sda
), // I2C的SDA信号
51 //user interface
52
.dri_clk
(clk_i2c
) // I2C操作时钟
53
);
54
55 //例化i2c_reg_cfg模块,配置WM8978的寄存器
56 i2c_reg_cfg
#(.WL
(WL
) // word length音频字长参数设置
57
) u_i2c_reg_cfg
(
58 //clock & reset
59
.clk
(clk_i2c
), // i2c_reg_cfg驱动时钟(一般取1MHz)
60
.rst_n
(rst_n
), // 复位信号
61 //i2c interface
62
.i2c_done
(i2c_done
), // I2C一次操作完成的反馈信号
63
.i2c_exec
(i2c_exec
), // I2C触发执行信号
64
.i2c_rh_wl
(i2c_rh_wl
), // i2c读写控制
65
.cfg_done
(cfg_done
), // WM8978配置完成
66
.i2c_data
(reg_data
) // 寄存器数据(7位地址+9位数据)
67
);
68
69
endmodule
WM8978音频配置模块主要完成对I2C驱动模块和寄存器配置模块的例化。程序中第15行的
WL参数用于音频字长设置,也即音频的采样后的量化位数。音频字长可选择为16bit、20bit、
24bit或32bit,量化位数越多,声音的质量越高,这里我们采用32bit。
其中I2C驱动模块(i2c_dri)程序与“EEPROM读写实验”章节中的IIC驱动模块(i2c_dri)
程序完全相同。有关IIC驱动模块的详细介绍请大家参考“EEPROM读写实验”。
I2C配置模块的代码如下:
1
module i2c_reg_cfg
(
2
input clk
, // i2c_reg_cfg驱动时钟(一般取1MHz)
3
input rst_n
, // 复位信号
4
input i2c_done
, // I2C一次操作完成反馈信号
5
output reg i2c_exec
, // I2C触发执行信号
6
output reg cfg_done
, // WM8978配置完成
7
output reg [15
:0
] i2c_data // 寄存器数据(7位地址+9位数据)
8
);
9
10 //parameter define
11
parameter WL
= 6'd32
; // word length音频字长参数设置
12
13 //parameter define
14
localparam REG_NUM
= 5'd19
; // 总共需要配置的寄存器个数
15
localparam PHONE_VOLUME
= 6'd30
; // 耳机输出音量大小参数(0~63)
16
localparam SPEAK_VOLUME
= 6'd45
; // 喇叭输出音量大小参数(0~63)
17
18 //reg define
19
reg [1
:0
] wl
; // word length音频字长参数定义
20
reg [7
:0
] start_init_cnt
; // 初始化延时计数器
21
reg [4
:0
] init_reg_cnt
; // 寄存器配置个数计数器
22
23 //*****************************************************
24 //** main code
25 //*****************************************************
26
27 //音频字长(位数)参数设置
28
always @(posedge clk
or negedge rst_n
) begin
29
if(!rst_n
)
30 wl
<= 2'b00
;
31
else begin
32
case(WL
)
33 6'd16
: wl
<= 2'b00
;
34 6'd20
: wl
<= 2'b01
;
35 6'd24
: wl
<= 2'b10
;
36 6'd32
: wl
<= 2'b11
;
37
default:
38 wl
<= 2'd00
;
39
endcase
40
end
41
end
42
43 //上电或复位后延时一段时间
44
always @(posedge clk
or negedge rst_n
) begin
45
if(!rst_n
)
46 start_init_cnt
<= 8'd0
;
47
else if(start_init_cnt
< 8'hff
)
48 start_init_cnt
<= start_init_cnt
+ 1'b1
;
49
end
50
51 //触发I2C操作
52
always @(posedge clk
or negedge rst_n
) begin
53
if(!rst_n
)
54 i2c_exec
<= 1'b0
;
55
else if(init_reg_cnt
== 5'd0
& start_init_cnt
== 8'hfe
)
56 i2c_exec
<= 1'b1
;
57
else if(i2c_done
&& init_reg_cnt
< REG_NUM
)
58 i2c_exec
<= 1'b1
;
59
else
60 i2c_exec
<= 1'b0
;
61
end
62
63 //配置寄存器计数
64
always @(posedge clk
or negedge rst_n
) begin
65
if(!rst_n
)
66 init_reg_cnt
<= 5'd0
;
67
else if(i2c_exec
)
68 init_reg_cnt
<= init_reg_cnt
+ 1'b1
;
69
end
70
71 //寄存器配置完成信号
72
always @(posedge clk
or negedge rst_n
) begin
73
if(!rst_n
)
74 cfg_done
<= 1'b0
;
75
else if(i2c_done
& (init_reg_cnt
== REG_NUM
) )
76 cfg_done
<= 1'b1
;
77
end
78
79 //配置I2C器件内寄存器地址及其数据
80
always @(posedge clk
or negedge rst_n
) begin
81
if(!rst_n
)
82 i2c_data
<= 16'b0
;
83
else begin
84
case(init_reg_cnt
)
85 // R0,软复位
86 5'd0
: i2c_data
<= {7'd0
,9'b1
};
87 // R1,设置VMIDSEL,BUFIOEN,BIASEN,PLLEN,BUFDCOPEN
88 5'd1
: i2c_data
<= {7'd1
,9'b1_0010_1111
};
89 // R2,使能BOOSTENR,BOOSTENL和ADCENR/L;使能ROUT1,LOUT1
90 5'd2
: i2c_data
<= {7'd2
,9'b1_1011_0011
};
91 // R3,LOUT2,ROUT2输出使能(喇叭工作),RMIX,LMIX,DACENR、DACENL使能
92 5'd3
: i2c_data
<= {7'd3
,9'b0_0110_1111
};
93 // R4,配置wm8978音频接口数据为I2S格式(bit4:3),字长度(wl)
94 5'd4
: i2c_data
<= {7'd4
,{2'd0
,wl
,5'b10000
}};
95 // R6,设置为MASTER MODE(BCLK和LRC输出)
96 5'd5
: i2c_data
<= {7'd6
,9'b0_0000_0001
};
97 // R7,使能slow clock,采样率为48KHz(bit3:1)
98 5'd6
: i2c_data
<= {7'd7
,9'b0_0000_0001
};
99 // R10,设置DAC过采样率为128x(bit3),以实现最佳信噪比
100 5'd7
: i2c_data
<= {7'd10
,9'b0_0000_1000
};
101 // R14,设置ADC过采样率为128x(bit3),以达到最佳信噪比
102 5'd8
: i2c_data
<= {7'd14
,9'b1_0000_1000
};
103 // R43,INVROUT2(bit4)反向,驱动喇叭
104 5'd9
: i2c_data
<= {7'd43
,9'b0_0001_0000
};
105 // R47,左通道输入增益控制,L2_2BOOSTVOL(bit6:4)
106 5'd10
: i2c_data
<= {7'd47
,9'b0_0111_0000
};
107 // R48,右通道输入增益控制
108 5'd11
: i2c_data
<= {7'd48
,9'b0_0111_0000
};
109 // R49,TSDEN(bit0),开启过热保护;SPKBOOST(bit2)1.5倍增益
110 5'd12
: i2c_data
<= {7'd49
,9'b0_0000_0110
};
111 // R50,选择左DAC输出至左输出混合器(bit0)
112 5'd13
: i2c_data
<= {7'd50
,9'b1
};
113 // R51,选择右DAC输出至右输出混合器(bit0)
114 5'd14
: i2c_data
<= {7'd51
,9'b1
};
115 // R52,耳机左声道音量设置(bit5:0),使能零交叉(bit7)
116 5'd15
: i2c_data
<= {7'd52
,{3'b010
,PHONE_VOLUME
}};
117 // R53,耳机右声道音量设置(bit5:0),使能零交叉(bit7),同步更新(HPVU=1)
118 5'd16
: i2c_data
<= {7'd53
,{3'b110
,PHONE_VOLUME
}};
119 // R54,喇叭左声道音量设置(bit5:0),使能零交叉(bit7)
120 5'd17
: i2c_data
<= {7'd54
,{3'b010
,SPEAK_VOLUME
}};
121 // R55,喇叭右声道音量设置(bit5:0),使能零交叉(bit7),同步更新(SPKVU=1)
122 5'd18
: i2c_data
<= {7'd55
,{3'b110
,SPEAK_VOLUME
}};
123
default : ;
124
endcase
125
end
126
end
127
128
endmodule
I2C配置模块主要完成对WM8978的寄存器配置。WM8978开始上电时电压有可能不够稳定,
所以程序中定义了一个延时计数器(start_init_cnt)等待WM8978工作在稳定的状态。当计数
器计数到预设值之后,开始第一次配置即软复位,目的是让所有的寄存器复位到默认的状态。
发送完软件复位命令后,紧接着配置剩下的寄存器。在代码的第14行定义了总共需要配置的寄
存器的个数,如果增加或者删减了寄存器的配置,需要修改此参数。第15行和第16行分别为耳
机和喇叭的音量参数,调整耳机和喇叭的音量可修改此参数。
音频接收模块代码如下:
1
module audio_receive
#(parameter WL
= 6'd32
) ( // WL(word length音频字长定义)
2 //system clock 50MHz
3
input rst_n
, // 复位信号
4
5 //wm8978 interface
6
input aud_bclk
, // WM8978位时钟
7
input aud_lrc
, // 对齐信号
8
input aud_adcdat
, // 音频输入
9
10 //user interface
11
output reg rx_done
, // FPGA接收数据完成
12
output reg [31
:0
] adc_data // FPGA接收的数据
13
);
14
15 //reg define
16
reg aud_lrc_d0
; // aud_lrc延迟一个时钟周期
17
reg [ 5
:0
] rx_cnt
; // 发送数据计数
18
reg [31
:0
] adc_data_t
; // 预输出的音频数据的暂存值
19
20 //wire define
21
wire lrc_edge
; // 边沿信号
22
23 //*****************************************************
24 //** main code
25 //*****************************************************
26
27
assign lrc_edge
= aud_lrc
^ aud_lrc_d0
; // LRC信号的边沿检测
28
29 //为了在aud_lrc变化的第二个AUD_BCLK上升沿采集aud_adcdat,延迟打拍采集
30
always @(posedge aud_bclk
or negedge rst_n
) begin
31
if(!rst_n
) begin
32 aud_lrc_d0
<= 1'b0
;
33
end
34
else
35 aud_lrc_d0
<= aud_lrc
;
36
end
37
38 //采集32位音频数据的计数
39
always @(posedge aud_bclk
or negedge rst_n
) begin
40
if(!rst_n
) begin
41 rx_cnt
<= 6'd0
;
42
end
43
else if(lrc_edge
== 1'b1
)
44 rx_cnt
<= 6'd0
;
45
else if(rx_cnt
< 6'd35
)
46 rx_cnt
<= rx_cnt
+ 1'b1
;
47
end
48
49 //把采集到的音频数据临时存放在一个寄存器内
50
always @(posedge aud_bclk
or negedge rst_n
) begin
51
if(!rst_n
) begin
52 adc_data_t
<= 32'b0
;
53
end
54
else if(rx_cnt
< WL
)
55 adc_data_t
[WL
- 1'd1
- rx_cnt
] <= aud_adcdat
;
56
end
57
58 //把临时数据传递给adc_data,并使能rx_done,表明一次采集完成
59
always @(posedge aud_bclk
or negedge rst_n
) begin
60
if(!rst_n
) begin
61 rx_done
<= 1'b0
;
62 adc_data
<= 32'b0
;
63
end
64
else if(rx_cnt
== 6'd32
) begin
65 rx_done
<= 1'b1
;
66 adc_data
<= adc_data_t
;
67
end
68
else
69 rx_done
<= 1'b0
;
70
end
71
72
endmodule
音频接收模块的时钟信号是WM8978的位时钟信号aud_bclk,所以在程序的第3行我们只定
义了rst_n信号。
第27行的assign语句和第30行的always语句实现了aud_lrc信号的双边沿检测。第39行和
第50行的always语句实现了音频信号 aud_adcdat在aud_lrc信号变化后的第二个 BCLK
(aud_bclk)的上升沿采样,以及把音频信号的最高有效位放在adc_data_t的最高位。
音频发送模块的代码如下:
1
module audio_send
#(parameter WL
= 6'd32
) ( // WL(word length音频字长定义)
2 //system reset
3
input rst_n
, // 复位信号
4
5 //wm8978 interface
6
input aud_bclk
, // WM8978位时钟
7
input aud_lrc
, // 对齐信号
8
output reg aud_dacdat
, // 音频数据输出
9 //user interface
10
input [31
:0
] dac_data
, // 预输出的音频数据
11
output reg tx_done // 发送一次音频位数完成
12
);
13
14 //reg define
15
reg aud_lrc_d0
; // aud_lrc延迟一个时钟周期
16
reg [ 5
:0
] tx_cnt
; // 发送数据计数
17
reg [31
:0
] dac_data_t
; // 预输出的音频数据的暂存值
18
19 //wire define
20
wire lrc_edge
; // 边沿信号
21
22 //*****************************************************
23 //** main code
24 //*****************************************************
25
26
assign lrc_edge
= aud_lrc
^ aud_lrc_d0
; // LRC信号的边沿检测
27
28 //为了在aud_lrc变化的第二个AUD_BCLK上升沿采集aud_adcdat,延迟打拍采集
29
always @(posedge aud_bclk
or negedge rst_n
) begin
30
if(!rst_n
) begin
31 aud_lrc_d0
<= 1'b0
;
32
end
33
else
34 aud_lrc_d0
<= aud_lrc
;
35
end
36
37 //发送32位音频数据的计数
38
always @(posedge aud_bclk
or negedge rst_n
) begin
39
if(!rst_n
) begin
40 tx_cnt
<= 6'd0
;
41 dac_data_t
<= 32'd0
;
42
end
43
else if(lrc_edge
== 1'b1
) begin
44 tx_cnt
<= 6'd0
;
45 dac_data_t
<= dac_data
;
46
end
47
else if(tx_cnt
< 6'd35
)
48 tx_cnt
<= tx_cnt
+ 1'b1
;
49
end
50
51 //发送完成信号
52
always @(posedge aud_bclk
or negedge rst_n
) begin
53
if(!rst_n
) begin
54 tx_done
<= 1'b0
;
55
end
56
else if(tx_cnt
== 6'd32
)
57 tx_done
<= 1'b1
;
58
else
59 tx_done
<= 1'b0
;
60
end
61
62 //把预发送的音频数据串行发送出去
63
always @(negedge aud_bclk
or negedge rst_n
) begin
64
if(!rst_n
) begin
65 aud_dacdat
<= 1'b0
;
66
end
67
else if(tx_cnt
< WL
)
68 aud_dacdat
<= dac_data_t
[WL
- 1'd1
- tx_cnt
];
69
else
70 aud_dacdat
<= 1'b0
;
71
end
72
73
endmodule
音频发送模块与音频接收模块基本相同,有一点区别是程序第63行我们使用的是aud_bclk
的下降沿。这是为了能够让WM8978正确采集到I2S总线上的音频数据,即aud_lrc信号变化后的
第二个BCLK(aud_bclk)的上升沿采样到FPGA发送的音频信号aud_dacdat。
图 32.4.5是为音频环回过程中SignalTap抓取到的波形图。
从图中可以看到音频环回模块的aud_lrc信号的边沿检测信号lrc_edge,在aud_lrc变化后的第一个aud_bclk的低电平时拉高。
当FPGA接收音频时,在接下来的aud_bclk的第一个上升沿rx_cnt变为00h,在第二个上升沿时
采集WM8978发送过来的音频数据。当FPGA发送音频时,在接下来的aud_bclk的第一个下降沿传
输音频数据给WM8978,在第二个上升沿时WM8978采集FPGA发送的音频数据。这样就满足了I2S
信号传输格式的要求。
图 32.4.5 音频环回过程中 SignalTap抓取的波形图
下载验证
首先我们打开音频环回实验工程,在工程所在的路径下打开audio_speak/par文件夹,在
里面找到“audio_speak.qpf”并双击打开。注意工程所在的路径名只能由字母、数字以及下
划线组成,不能出现中文、空格以及特殊字符等。工程打开后如图 32.5.1所示。
图 32.5.1 音频环回实验工程
然后将下载器一端连电脑,另一端与开发板上对应端口连接,将音频连接线的一端连接至
电脑或手机的音频输出端口,另一端连接至WM8978的LINE_IN接口,然后将耳机连接至WM8978
的PHONE接口,最后连接
电源线并打开电源开关。
开拓者开发板实物图如下所示:
图 32.5.2 开拓者开发板硬件图
接下来我们下载程序,验证WM8978的音频环回功能。
工程打开后通过点击工具栏中的“Programmer”图标打开下载界面,通过“Add File”按
钮选择audio_speak/par/output_files目录下的“audio_speak.sof”文件。开发板电源打开
后,在程序下载界面点击“Hardware Setup”,在弹出的对话框中选择当前的硬件连接为“USB-
Blaster[USB-0]”。然后点击“Start”将工程编译完成后得到的sof文件下载到开发板中,如
图 32.5.3所示。
图 32.5.3 程序下载界面
下载完成后打开音频连接线一端连接的电脑或手机,播放一首音乐,这时听到喇叭播放音
乐,戴上耳机,也能听到播放的音乐,说明音频环回实验程序下载验证成功。