工程资源中心
直播中

陈小鸥

8年用户 209经验值
私信 关注

MSAN-151 MH88615 SLIC的实现细节



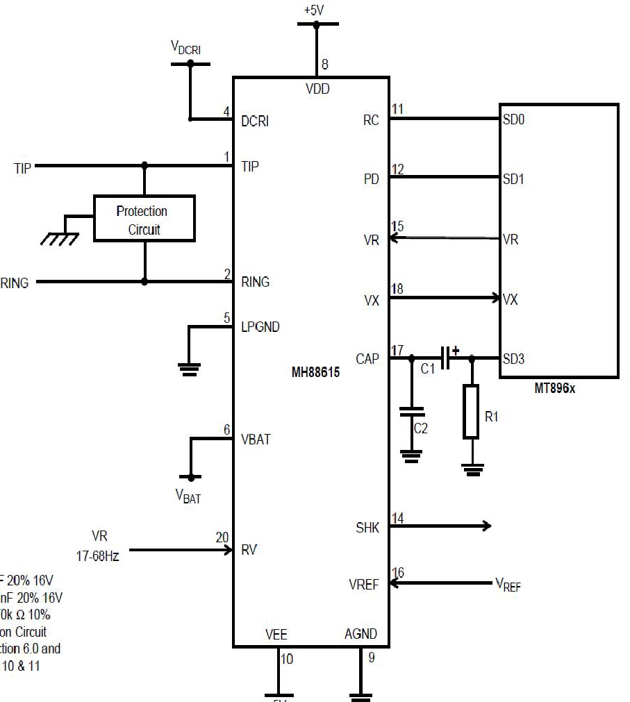
MSAN-151 MH88615 SLIC的实施细节。 MH88615是用户线接口电路(SLIC),它提供电话和编解码器之间的接口。 MH88615提供的功能包括2-4线转换,恒流线路馈电,板载振铃放大器,断电,信号和控制。提供不同的变体以满足不同的线路阻抗

更多回帖

发帖
×
20
完善资料,
赚取积分