工程资源中心
直播中

李正茂

8年用户 176经验值
私信 关注

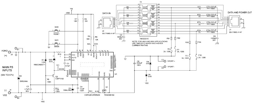
使用LTC4274A-1,3.7.7W单路LTPoE ++PSE控制器的DC1814A-A演示板



DC1814A-A,演示电路采用LTC4274A单端口供电设备(PSE)控制器,能够为兼容的LTPoE ++供电设备(PD)提供高达90W的LTPoE ++电源。专有的检测/分类方案允许在LTPoE ++ PSE和LTPoE ++ PD之间进行相互识别,同时保持与现有的1类(13W)和2类(25.5W)PD的兼容和互操作性。 LTC4274A功能集是流行的LTC4274的超集

更多回帖

发帖
×
20
完善资料,
赚取积分