英飞凌
直播中

何思婷

8年用户 154经验值
私信 关注
[经验]

基于DC模块的光伏发电系统

摘要:本文研究了一种基于单端反激变换器的DC module电路,由它组成的光伏发电系统可以跟踪每块光伏电池板在不同光照、不同规格以及不同朝向等条件下的最大功率点。通过对光伏电池板直接串联时模拟阴影条件的性能测试,以及对以英飞凌公司生产的XE164F单片机为核心的光伏发电系统实验结果分析,验证了系统设计的正确性。
Abstract: A DC module circuit composed of a flyback converter is discussed in this paper, the maximum power point track per photovoltaic (PV) panel is realized under the conditions of different irradiances, specifications and orientations. The performance for direct connection of some PV panels is tested by means of the factitious shading and the experimental results are analyzed for the PV system based on XE164F96F66L MCU made by Infineon, it shows the system design is feasible.
关键词:DC module,单端反激变换器,光伏发电系统
Key words: DC module, flyback converter, PV generation system

1、引言
在能源日益紧张的今天,国内外***一致看好太阳能、风能等蕴藏量丰富的可再生新能源。根据欧盟预测,在21世纪中叶光伏发电容量将占整个欧盟发电总量的40%左右,因此可以说21世纪是太阳能利用的世纪。只要有阳光,光伏电池就可以发电,不受地域限制。随着各国***的支持力度不断加大,光伏电池的生产种类、数量增多以及成本不断下降,同时光伏电池板可以替代建筑材料,这些都极大地促进了光伏发电事业的迅猛发展。
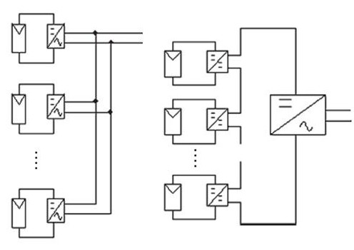
光伏发电系统结构主要由集中式、分支式和模块式三种。图1(a)是集中式光伏发电系统,它由串并联连接的光伏电池板组成,采用一个并网逆变器向电网供电,因此易受阴影影响。图1(b)和(c)是分支式。它有单支路式和多支路式两种,每个支路由串联连接的光伏电池板组成,一条支路有一个并网逆变器,它们也不能解决受阴影影响支路的最大功率点跟踪问题[1,2]。图1(d)是AC module。每块光伏电池板都带有一个独立的并网逆变器,可以从根本上解决阴影问题,但是成本相对较高[3]。图1(e)是DC module。每块光伏电池板带有一个独立的DC/DC变换器,然后多个DC module电路串联,共用一个并网逆变器。该电路可以解决阴影问题,系统成本相对较低[4]。因此,本文重点讨论DC module电路组成的光伏发电系统。


           (a)集中式                                         (b)单支路式                               (c)多支路式






   

        (d)AC module                                                    (e)DC module
2、基于DC module的光伏发电系统
2.1 系统组成   
图2是本文采用的光伏发电系统示意图。每块光伏电池板和一个独立的DC/DC变换器组成DC module电路,每个DC module电路独立实现最大功率点跟踪。多个DC module电路串联连接构成较高的直流电压向直流负载供电。
通常光伏电池板的功率较小,输出电压较低,需要多块串联来达到较高的输出电压。在相同输出电压前提下,由于DC module电路的作用可以将每块光伏电池板较低输出电压升高到一定的电压水平,再将DC module电路的输出电压串联,这样可以大大减少光伏电池板的数量,虽然发电总容量可能小了,但是总体硬件投资必然大幅度减少。
本文实验系统由三个DC module电路组成,由一片英飞凌公司生产的XE164F单片机完成三个DC module电路控制、直流母线电压控制和并网电流控制等功能。其中,ADC单元负责三块光伏电池板的输出电压与输出电流、直流母线电压、逆变器输出电流和电网电压等采样,CC2单元负责控制三路DC module电路的主功率开关,CCU6单元控制单相逆变器,USIC0负责LCD和键盘,USIC1负责与上位机进行串行通信




                                 图2 光伏发电系统示意图
2.2 DC module电路
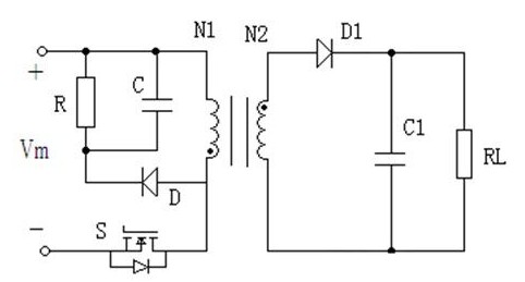
    文献[4]对由Buck、Boost、Buck-Boost或Cuk等非隔离型的DC/DC变换器组成的DC module电路进行了讨论,本文设计了一种经典单端反激变换器组成的隔离型DC module电路,如图3所示。
该反激变换器工作于完全能量转换即电感电流不连续方式,在储能周期中变压器存储的所有能量,在反激周期中都转移到输出端。副边电流在下一个导通时刻之前已下降为零。因此,主功率开关管是零电流开通。由于反激变换器的磁芯需要有一定的气隙,因此会有较大的漏感。当功率开关关断时,由漏感储能引起的电流突变会引起很高的电压尖峰。为了抑制电压尖峰保护开关管,本文采用RCD吸收箝位电路。开关管关断时,变压器漏感能量转移到电容C上,并通过电阻R将这部分能量消耗掉。开关管导通过程中电容C不一定放电到零,因此功率管关断时,漏源电压上升过程中,一段时间内电容C不起作用,这有利于反激过冲。
     
                                                 图3  反激变换器结构图
3、实验结果
光伏电池板的参数为:标准条件下,最大功率PM=85W,开路电压Voc=22.2V,短路电流Isc=5.15A,最大功率下对应的电压Vopt=17.8V以及对应的电流Iopt=4.8A。
3.1 光伏电池板性能测试
测试电路由光伏电池板、滑动变阻器、电压表、电流表等组成,如图4所示。在实验中,分别对单块光伏电池板和多块直接串联光伏电池板特性进行了测量。

                                 图4 光伏电池特性测试电路
a) 单块光伏电池板特性


                           (a)Isc-t曲线                                                 (b)Voc-t曲线

(c)PM-t曲线
图5短路电流、开路电压和最大功率随着时间变化的曲线(2009年6月3日,晴转多云)
由图5可知,一天中,每隔15分钟所测量的短路电流和最大功率随着光照强度的变化而变化很大,开路电压变化却很小,因此最大功率点跟踪算法是需要的。
b)两块光伏电池板串联特性



                     (a) 无阴影条件                                                  (b)一块光伏电池板有阴影
图6 两块光伏电池板串联时有无阴影的I-V和P-V曲线(2009年7月11日12:05,晴)
由图6可知,没有阴影时两块光伏电池板串联输出最大功率达到130W,而当一块光伏电池板有阴影时输出最大功率只有31W,且存在两个峰值功率点,不利于最大功率点跟踪。阴影时输出电压也严重下降。
由图7可知,没有阴影时两块光伏电池板串联输出最大功率达到170W,而当一块光伏电池板有阴影时输出最大功率只有72W,且存在多个峰值功率点。当两块光伏电池板有阴影时输出最大功率不到30W。同样存在阴影时输出电压严重下降的情况。
c) 三块光伏电池板串联特性



                        (a) 无阴影条件                                            (b)一块光伏电池板有阴影



(c)两块光伏电池板有阴影
图7 三块光伏电池板串联时有无阴影的I-V和P-V曲线(2009年7月11日12:30,晴)
由图5、6和7可知,光照强度与阴影对最大功率点的影响非常大,简单地串联连接光伏电池板在阴影时输出功率和输出电压严重下降,极大地影响了系统的总体性能。
3.2 DC module电路性能测试
以XE164F单片机为控制核心,以两个光伏电池板单板串联来模拟一个170W光伏电池板单板,三个DC module电路串联向电阻负载供电。
反激变换器原边电压、电流波形以及副边输出电压、电流波形如图8和图9所示。从图中可以看出,反激变换器处于电流断续的工作模式。
   
            


       图8 反激变换器原边电压、电流波形              图9反激变换器副边电压、电流波形
令其中一组光伏电池板正常工作,用纸板先后遮住另外两组光伏电池板使其发生“阴影”,来模拟光伏发电系统的不同阴影情况,如图10、图11和图12所示。


图10 无阴影时的3组光伏电池板端电压和一组       图11 一组光伏电池板被遮住时的3组光伏电池板端 光伏电池板输出电流                                  电压和1组光伏电池板输出电流

                                       





图12 两组光伏电池板被遮住时动态过程中的                图13 MPPT启动过程波形
3组光伏电池板端电压和1组光伏电池板输出电流
由图10-12可以看出,稳态时,电压和电流波动非常小。图12表明当外界条件变化时MPPT算法响应速度约1s。上述图形表明,在光伏电池板出现阴影时,正常工作的光伏电池板输出电压、电流并未受到影响,仍然可以独立地工作在最大功率点处。因此,验证了所提出的DC module串联结构可以有效地抑制多块光伏电池板串联时存在的阴影等问题,同时也验证了MPPT算法的正确性。本设计中,采用定电压法与电导增量法相结合算法的进行最大功率点跟踪。图13反映了以一路反激变换器带100欧阻性负载为例的启动过程波形。系统启动后,利用定电压法迅速搜索到给定电压点,然后利用电导增量法实现MPPT,从图中可看到,系统启动大约1.2s后进入到最大功率点状态。

4、结论
通过对单块光伏电池板及多块光伏电池板性能的测试,本文确立了由DC module电路串联组成的光伏发电系统,以XE164F单片机为控制核心,采用电流断续控制模式的反激变换器实现了独立MPPT控制功能,实验验证了该系统具有较好的动静态性能。

References
[1] B. Verhoeven et al., Utility aspects of grid connected photovoltaic power systems (1998). International energy agency photovoltaic power systems, IEA PVPS T5-01:1998.[online]. Available:www.iea-pvps.org.
[2] M. Meinhardt and G. Cramer,“Past, present and future of grid connected photovoltaic- and hybrid-power-systems,”in Proc. IEEE-PES Summer meeting, vol.2, 2000, pp.1283-1288.
[3] Gross M. A., Martin S. O., Pearsall N. M.,“Estimation of output enhancement of a partially shaded BIPV array by the use of AC modules,” Photovoltaic Specialists Conference, Conference Record of the Twenty-sixth IEEE, pp.1381-1384, 29 Sept.-3 Oct. 1997.
[4] G. R. Walker and P. C. Sernia,“Cascaded DC-DC converter connection of photovoltaic modules,” IEEE Transactions on Power Electronics, vol.19, no.4, pp.1130-1139, July 2004.

更多回帖

发帖
×
20
完善资料,
赚取积分