电机控制
直播中

1652711011.026500

17年用户 11293经验值
私信 关注
[文章]

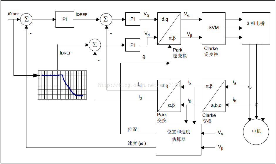
FOC之PI控制解读




PI控制器里,输入是电流差,被控制量是d/q轴电压,通过适当的PI控制系数,使得可以在一定时间内将被控制量收敛到给定目标值上(存在一定允许的误差范围)。输入和输出之间不存在静态数学关系,但是可以通过动态的传递函数使得输出可控。

PI内部是没有物理量转換过程的,它仅仅是一个“有差就调”的原理,这也是为什么需要反馈的原因。打个比方,你开窗通风,风大了就关小点,风小了就开大点,最终能得到你想要的风量,但你自已也并不清楚窗户开度与风速的转換式。

vd和vq表示电压是因为你在vd、vq给了数就能在电机端得到相应的电压,这是由PWM调制算法和逆变器主电路决定的,跟你前面的PI调节器没关系。PI调节器只不过是不断调节这个电压,使得电流能跟踪而已。

PI只是在不停的调制它的输出,它只需要给出一个比例值就行,并不需要给出真实的我们到底需要多大的电压,真实的电压到底等于多少是由逆变器上加的母线电压Udc(它决定了六个基准向量的大小,也决定了相电压的峰值,即决定了最大不失真圆形电压矢量边界)和PI给的比例值经过ipark,svpwm运算后给出的两个基准电压和零矢量电压作用的时间来决定。



更多回帖

发帖
×
20
完善资料,
赚取积分